Controlling a High-Power Resistive Load Using Shelly Pro Dimmer 0/1-10V PM and a Solid-State Relay (SSR)

Overview
Project overview/description
This project demonstrates how to safely and effectively control high-power resistive loads, such as heating elements or industrial lighting, using a Shelly Pro Dimmer 0/1-10V PM in conjunction with a Solid-State Relay (SSR). This approach allows for precise power control and smart home integration.
Scope/Deployments(location)
This solution is applicable to a wide range of scenarios, from residential heating control to industrial process heating and lighting. Deployments can be in homes, offices, factories, or any location requiring controlled high-power resistive loads.
Goal
To provide a safe, flexible, and smart method for controlling high-power resistive loads, enabling precise dimming and integration with smart home systems.
Challenges
Directly controlling high-power resistive loads with a dimmer is unsafe and impractical. Dimmers are designed for lower power applications and cannot handle the high currents required by larger loads. Attempting to do so risks overheating, damage to the dimmer, and potential fire hazards. Traditional on/off control offers limited flexibility and doesn't allow for variable power output.
Solutions/Implementations
Solution
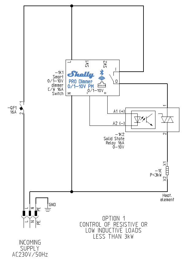
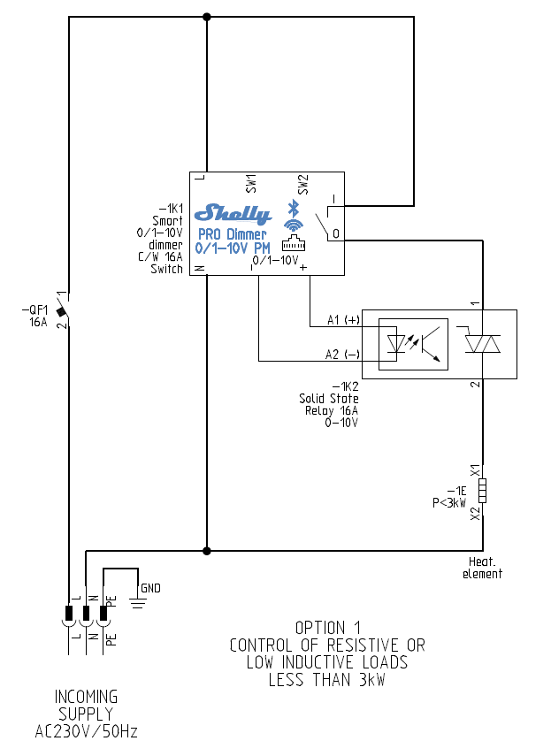
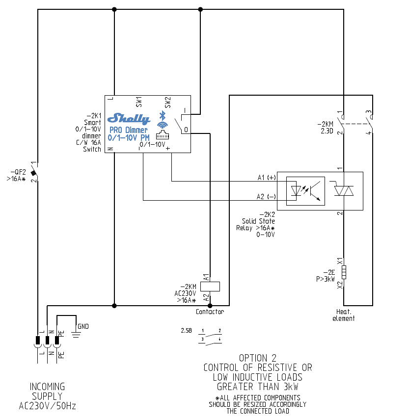
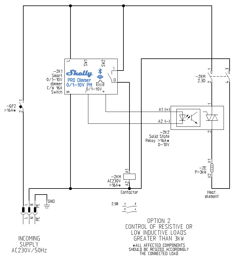
The solution involves using the Shelly Pro Dimmer 0/1-10V PM to control an SSR, which in turn switches the high-power load. The Shelly dimmer provides a 0-10V analog control signal, ideal for modulating the SSR's switching behavior.
Key Features
Safety: Isolation of the high-power circuit from the dimmer.
Flexibility: Compatibility with a wide range of SSRs for various load ratings.
Precision Control: Fine-grained power adjustment via the 0-10V dimming signal.
Smart Home Integration: Seamless integration with smart home ecosystems for remote control, scheduling, and automation.
Scale/Implementation
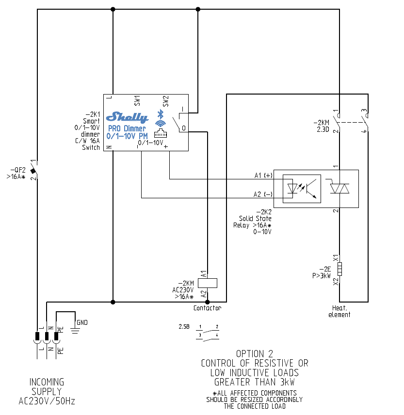
The implementation involves wiring the Shelly Pro Dimmer to the SSR's control input and connecting the high-power load to the SSR's output. The Shelly dimmer is configured to output a 0-10V dimming signal. The SSR is chosen based on the load's voltage and current requirements. Proper wiring by a qualified electrician is crucial.
Example Application: Controlling an Electric Heater
Imagine you want to control the temperature of a room using an electric heater. By connecting the heater to an appropriately rated SSR, and controlling the SSR with a Shelly Pro Dimmer, you can precisely adjust the heater's output. This allows for automated temperature control through a smart home system, potentially saving energy and improving comfort.
Benefits
Improved Safety: Isolates high-power circuits.
Versatile Control: Works with a wide range of resistive loads.
Precise Dimming: Offers fine-grained control over power output.
Smart Home Integration: Enables remote control and automation.
Wiring
Option 1 - Control of resistive or low inductive loads less than 3kW

Option 2 - Control of resistive or low inductive loads greater than 3kW

Products Used
Shelly Pro Dimmer 0/1-10V PM
Solid-State Relay (SSR)
High-Power Resistive Load (e.g., heating element, industrial lighting)
Considerations
SSR Selection: Choosing the correct SSR is crucial for safety and performance.
Wiring: Proper wiring is essential and should be done by a qualified electrician if needed.
Heat Dissipation: High-power SSRs may require heat sinks to dissipate heat effectively.
Results
This solution enables precise control over the power delivered to the resistive load. By adjusting the dimming level on the Shelly Pro Dimmer, the 0-10V signal to the SSR is varied, modulating the load's power output. This allows for smooth adjustments in heat or light intensity. Smart home integration allows for remote control, scheduling, and automation, improving convenience and potentially saving energy.
Conclusion
Using a Shelly Pro Dimmer 0/1-10V PM with an SSR provides a safe, versatile, and intelligent method for controlling high-power resistive loads. This combination offers precise dimming capabilities and seamless integration into smart home systems, making it suitable for a variety of applications. Prioritizing safety and consulting with a qualified electrician when necessary are essential for successful implementation.
We Value Your Feedback!
Thank you for taking the time to read our article! Was it helpful or interesting?
Your insights can help us improve. We’d be grateful for any feedback. If you have a moment,
please share it with us at the following email: