Shelly Pro Dimmer 0/1-10V PM

Device identification
Device name: Shelly Pro Dimmer 0/1-10V PM
Device model: SPCC-001PE10EU
Device SSID: ShellyPro0110PM-XXXXXXXXXXXX
BLE Model ID: 0x2011
Short description
Shelly Pro Dimmer 0/1-10V PM (the Device) is a smart DIN-mountable dimming controller which allows to control remotely dimming drivers through a mobile phone, tablet, PC, or home automation system. It can work standalone in a local Wi-Fi network or it can also be operated through cloud home automation services. The device is a current sourcing controller and provides support for 0-10V and 1-10V types of drivers.
Main features
DIN rail mountable
Power measurement: Precise monitoring of energy consumption.
Bluetooth connectivity: The Device complies with the Bluetooth standard and can connect with other Bluetooth devices to exchange data over short distances.
BLE Gateway: Facilitates communication between BLE and Wi-Fi-enabled devices.
Wi-Fi: The Device can connect to a wireless network.
Wi-Fi Range extender: Retransmits the Wi-Fi signal and extends its reach.
Ethernet connectivity
Scripting: Allows creating automation scenarios through scripts.
Basic Schedules: Supports weekly schedules and routines, including setting of brightness, transition duration, and flip value of the dimming signal.
Аdvanced Schedules: Supports detailed schedules and routines throughout the year with a broad range of time adjustments from seconds to months, including setting of brightness, transition duration, and flip value of the dimming signal.
Auto on/off timers: Enables auto on/off timer setting.
Local actions: Allows creating automation scenarios within the local Wi-Fi network, including setting of brightness, transition duration, and flip value of the dimming signal.
Webhooks: Supports automation through lightweight, event-driven communication with other devices.
Compatibility: Highly compatible with third-party home automation systems, including KNX.
No need for hub: Ready for use locally or remotely via Shelly Smart Control or third-party systems.
Activity log: Stores detailed history of events.
KVS (Key-value storage): KVS service provides a basic persistent storage of key-value pairs.
KNX: Supports KNXnet/IP communication
Safety: Оver current/voltage/power protections
Virtual and BTHome components: A special set of components that do not exist in the device initially and are created dynamically by the user.
Diverse driver integration: Supports 0-10V and 1-10V types of drivers (lights, motors, valves, etc.). In both operational modes, at 0% brightness, no light is emitted from the source, and the relay is switched off. In the device’s web interface and Shelly Smart Control app, the light appears switched on, because no action has been performed to turn it off.
Night Mode: Enables to set a specific brightness of input lights during nighttime.
Switch/Button input mode: Allows flexible input control through switches and/or button:
One button dimming control
Dual button dimming control
Transition duration: Controls the time it takes to transition from the current brightness level to the desired brightness level on request.
Minimum brightness on toggle On: Sets brightness to 3% (default value) when toggled on, if the current brightness is below 'Min brightness on toggle.' This does not apply if a custom transition is defined in Schedules or Actions.
Min/Max brightness: Reframes the range of the dimming signal to get more precise brightness control on the output.
Button fade rate: Controls how quickly the output brightness changes while holding the button(s). The default value is 3x.
Button presets: State to be applied on double-push (double-click) event. The default value is 100%
Use cases
Control brightness of dimmable lights within the 0-10 V range to set the perfect brightness.
Create smart schedules to have lights automatically adjust their brightness throughout the day.
Retrofit your existing lighting system with the Dimmer 0/1-10V PM Gen3 and continue using your current switches.
Sync your lights with sunrise and sunset times easily using smart schedules.
Activate a night mode for reduced brightness during nighttime hours.
Integrate the Dimmer 0/1-10V PM Gen3 with third-party systems like Home Assistant, Google Home, Alexa, and SmartThings for expanded control options.
Utilize the device to dim lights up or down with a single or double button press.
Monitor and measure power usage of connected lights for energy management.
Integrations
Amazon Alexa supported capabilities
Yes
Google Smart Home supported traits
Yes
Samsung SmartThings supported capabilities
Yes
Simplified internal schematics

Device electrical interfaces
Inputs
2 switch/button inputs on screw terminals: S1 and S2
2 power supply inputs on screw terminals: 1 N and 1 L
1 relay input with power measurement on screw terminal
Outputs
2 0-10V outputs on screw terminals: + and -
1 relay output with power measurement on screw terminal
Connectivity
Wi-Fi
Ethernet
Bluetooth
Safety function
Overheating protection
Overvoltage protection
Overcurrent protection
Overpower protection
Supported load types
0-10V signal control for multiple types of drivers (lights, motors, valves, etc.)
1-10V signal control
User interface
Inputs
One (Reset) button
Press and hold for 5 seconds to enable Device access point and Bluetooth connection.
Press and hold for 10 seconds to factory reset the Device.
Outputs
LED indication
Power (red): Red light indicator will be on if power supply is connected.
Wi-Fi (varies):
Blue light indicator will be on if in AP mode.
Red light indicator will be on if in STA mode and not connected to a Wi-Fi network.
Yellow light indicator will be on if in STA mode and connected to a Wi-Fi network. Not connected to Shelly Cloud or Shelly Cloud disabled.
Green light indicator will be on if in STA mode and connected to a Wi-Fi network and to the Shelly Cloud.
The light indicator will be flashing Red/Blue if OTA update is in progress.
LAN (green): Green light indicator will be on if LAN is connected.
Out (red): Red light indicator will be on if the Output is on.
Specifications
Quantity | Value |
|---|---|
Physical | |
Size (HxWxD): | 94x19x69 ±0.5 mm / 3.70x0.75x2.71 ±0.02 in |
Weight: | 70 g / 2.5 oz |
Screw terminals max torque: | 0.4 Nm / 3.54 lbin |
Conductor cross section: | 0.5 to 2.5 mm² / 20 to 14 AWG (green connectors) 0.5 to 1.5 mm² / 20 to 16 AWG (blue connectors) |
Conductor stripped length: | 6 to 7 mm / 0.24 to 0.28 in (green connector) 5 to 6 mm / 0.20 to 0.24 in (blue connectors) |
Mounting: | DIN |
Shell material: | Plastic |
Shell color: | Blue |
Connectors color: |
|
Environmental | |
Ambient working temperature: | -20 °C to 40 °C / -5 °F to 105 °F |
Humidity: | 30 % to 70 % RH |
Max. altitude: | 2000 m / 6562 ft |
Electrical | |
Power supply: | 110 - 240 V~ |
Power consumption: | < 3 W |
Neutral not needed: | No |
0-10V/1-10V voltage control type: | Current sourcing |
External protection: | 16 A, tripping characteristic B or C, |
Output circuits ratings | |
Max. switching voltage: | 240 V~ |
Max. switching current: | 16 A |
Sensors, meters | |
Voltmeter (AC): | Yes |
Ammeter (AC): | Yes |
Power and energy meters: |
|
Measurement data storage: | No |
Internal-temperature sensor: | Yes |
Radio | |
Wi-Fi | |
Protocol: | 802.11 b/g/n |
RF band: | 2412 - 2472 МHz |
Max. RF power: | < 20 dBm |
Range: | Up to 30 m / 100 ft indoors and 50 m / 160 ft outdoors |
Bluetooth | |
Protocol: | 4.2 |
RF band: | 2402 - 2480 MHz |
Max. RF power: | < 4 dBm |
Range: | Up to 10 m / 33 ft indoors and 30 m / 100 ft outdoors |
Microcontroller unit | |
CPU: | ESP32-D0WDQ6 |
Clock frequency: | 40 Mhz |
Flash: | 8 MB |
Firmware capabilities | |
Schedules: | 20 |
Webhooks (URL actions): | 20 with 5 URLs per hook |
Scripting: | Yes |
MQTT: | Yes |
Advanced schedules | Yes |
KVS (Key-Value Store): | Yes |
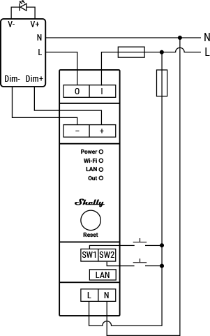
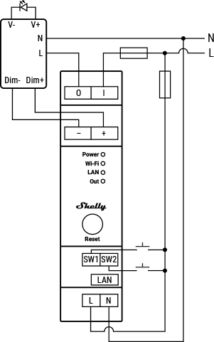
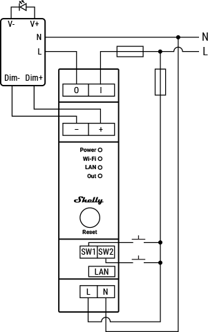
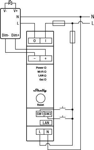
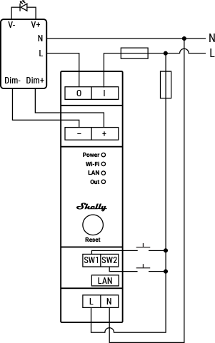
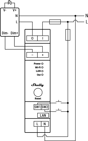
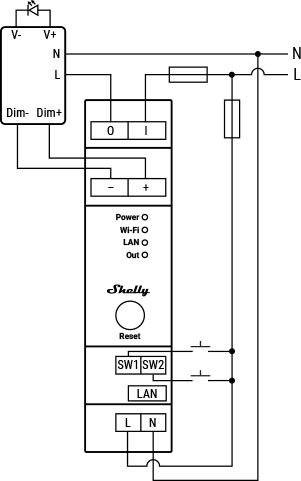
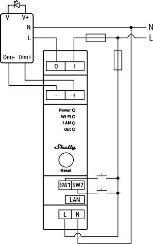
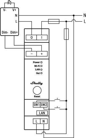
Basic wiring diagrams

Legend
Terminals | Wires | ||
|---|---|---|---|
O | Relay output terminal | L | Live (110-240 V~) wire |
I | Relay input terminal | N | Neutral wire |
+ | 0-10 V⎓ positive terminal | ||
- | 0-10 V⎓ negative terminal | ||
SW1 | Switch/button input terminals for light control | ||
SW2 | Switch/button input terminals for light control | ||
LAN | Local Area Network RJ 45 connector | ||
L | Live (110-240 V~) terminal | ||
N | Neutral terminal | ||
Dim+/Dim- | Positive/negative terminal of the LED driver | ||
V+/V- | Positive/negative output of the LED driver | ||
Troubleshooting
Ensure that the device is properly powered:
Check power cables, outlets, and any power indicators on the device.
Inspect Connections:
Verify that all connections, including cables and wiring, are secure and properly seated. Loose connections can lead to functionality issues.
Review Device Settings:
If applicable, check and review the device settings. Ensure that configurations are correct and match your intended use.
Update Firmware/Software:
Check if there are any available firmware or software updates for the device. Keeping the device up-to-date can resolve known issues and improve performance.
Restart or Reboot:
Sometimes, a simple restart can resolve temporary glitches. Turn off the device, wait a few seconds, and then power it back on.
Check Network Connection:
If the device is connected to a network, ensure that the network settings are correct. Test the network connection and consider restarting routers or switches if needed.
Inspect Physical Components:
Physically inspect the device for any signs of damage, overheating, or unusual behavior.
Check Compatibility:
Ensure that the device is compatible with other components in your system, including hardware and software. Incompatibility issues can lead to malfunctions.
Monitor Environmental Factors:
Consider environmental factors such as temperature and humidity.
Inspect Power Supply Quality:
Poor power quality, including voltage spikes or fluctuations, can affect device performance. Consider using a surge protector or voltage regulator if needed.
*These are general troubleshooting steps, and the specific steps may vary based on the type of device or issue you are facing. If the issue persists and you are unable to resolve it, consider reaching out to our technical customer support.
Shelly Smart Control
Components and APIs
Compliance and certification
Compliance
Shelly Pro Dimmer 0_1-10V PM multilingual EU declaration of conformity 2025-07-21.pdf
Shelly Pro Dimmer 0_1-10V PM UK PSTI ACT Statement of compliance.pdf
Printed user guide
Shelly Pro Dimmer 0_1-10V PM multilingual printed user and safety guide.pdf