Ръководство за употреба и безопасност (Shelly Pro Dimmer 0/1-10V PM)
Shelly Pro Dimmer 0/1-10V PM
Интелигентен контролер за димиране с възможност за монтаж на DIN релса
Наричан в този документ Устройството.
Информация за безопасност
За безопасна и правилна употреба прочетете това ръководство, както и всички други документи, придружаващи този продукт. Съхранявайте ги за бъдещи
справки. Неспазването на инсталационните процедури може да доведе до неправилно функциониране, опасност за здравето и живота, нарушение на закона и/или отказ от правни и търговски гаранции (ако има такива). Shelly Europe Ltd. не носи отговорност за каквито и да било загуби или щети в случай на неправилен монтаж или неправилна работа на това устройство поради неспазване на инструкциите за употреба и безопасност в това ръководство.
Този знак указва информация за безопасност.
Този знак указва важна забележка.
ПРЕДУПРЕЖДЕНИЕ!
Опасност от електрически удар. Монтаж на устройството към електрическата електротехник. мрежа трябва да се извърши внимателно от квалифициран електротехник.
Преди да инсталирате устройството, изключете прекъсвачите на електрическата верига. Използвайте подходящо устройство за изпитване, за да се уверите, че по проводниците, които искате да свържете няма напрежение. Когато сте сигурни, че няма напрежение, пристъпете към инсталирането.
Преди да направите каквито и да било промени по връзките, се уверете, че на терминалите на Устройството няма напрежение.
ВНИМАНИЕ!
Включвайте или изключвайте LAN кабела само когато Устройството е изключено. Частите на LAN кабела, които могат да бъдат докоснати при
включването или изключването, не трябва да са метални.Свързвайте Устройството само по начина, показан в тези инструкции. Всеки друг метод може да причини повреда и/или нараняване.
Свързвайте устройството само към електрическа мрежа и уреди които отговарят на всички приложими разпоредби. Късо съединение в електрическата мрежа или в някой от уредите, свързани към Устройството, може да причини пожар, имуществени щети и токов удар.
Устройството и свързаните към него уреди трябва да бъдат обезопасени с прекъсвач в съответствие с EN60898-1 (характеристика на изключване B или C, макс. 16 A номинален ток, мин. на прекъсване 6 kA, клас на ограничение на енергията 3).
Не използвайте Устройството, ако то показва някакви признаци на повреда или дефект.
Устройството може да се свързва и управлява само електрически вериги и уреди, които отговарят на приложимите стандарти и
нормите за безопасност.Устройството е предназначено само за употреба на закрито.
Пазете устройството от замърсяване и влага.
Описание на продукта
Shelly Pro Dimmer 0/1-10V PM е интелигентен контролер за димиране, който се монтира на DIN и позволява да се управляват дистанционно драйвери за димиране чрез мобилен телефон, таблет, компютър или система за домашна автоматизация. Той може да работи самостоятелно в локална Wi-Fi мрежа или може да се управлява и чрез облачни услуги за домашна автоматизация. Устройството осигурява поддръжка на драйвери от
типа 0-10V и 1-10V.
Устройството има вграден уеб интерфейс, който се използва за наблюдение, контрол и настройка на устройството. Уеб интерфейсът е достъпен на адрес
http://192.168.33.1, когато е свързан директно към точката за достъп на Устройството, или на неговия IP адрес, когато вие и Устройството сте свързани към
една и съща мрежа.
Устройството може да получи достъп и да взаимодейства с други интелигентни устройства или системи за автоматична информация, ако те са в същата мрежова инфраструктура. Shelly Europe Ltd. предоставя API за устройствата, тяхната интеграция и облачни услуги. За повече информация посетете https://shelly-api-docs.shelly.cloud.
Устройството се доставя с фабрично инсталиран фърмуер. За да го поддържате актуализирано и сигурно, Shelly Europe Ltd. предоставя най-
новите актуализации на фърмуера безплатно.
Достъпът до актуализациите се осъществява чрез вградения уеб интерфейс или чрез мобилното приложение Shelly Smart Control. Инсталирането на актуализациите на фърмуера е отговорност на потребителя. Shelly Europe Ltd. не носи отговорност за несъответствие на устройството, причинено от това, че потребителят не е инсталирал своевременно наличните актуализации.
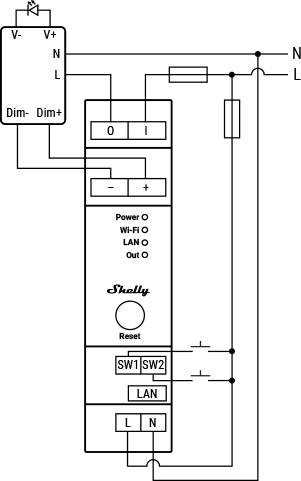
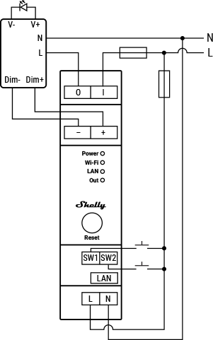
Схема на свързване

Фиг. 1
Легенда
Терминали на Устройството
+: Положителен 0-10 VDC изход
-: Отрицателен 0-10 VDC изход
O: Изход на релето
I: Вход на релето
SW1: Вход 1 за ключ/бутон за управление на светлината
SW2: Вход 2 за ключ/бутон за управление на светлината
LAN: Конектор RJ 45 за локална мрежа
L: Терминал фаза (110-240 V)
N: Терминал нула
Dim+ / Dim-: Изходни терминали на Устройството за LED драйвера
V+ / V-: Изходи на LED драйвера
Проводници
N: Проводник нула
L: Проводник фаза (110-240 V~)
Инструкции за инсталиране
ЗАБЕЛЕЖКА
За свързване на устройството препоръчваме да използвате плътни едножилни проводници или многожилни проводници с накрайници.
Проводниците трябва да имат изолация с повишена устойчивост на топлина, не по-малка от PVC T105°C (221°F).От съображения за сигурност, след като успешно свържете Устройството към Wi-Fi мрежа, препоръчваме да деактивирате или да защитите с
парола точка за достъп на Устройството (АР).За да извършите нулиране на фабричните настройки на Устройството, натиснете и задръжте бутона за нулиране/контрол за 10 секунди.
За да активирате точката за достъп и Bluetooth връзката на Устройството, натиснете и задръжте бутона Reset за 5 секунди.
Свържете положителния изход на устройството + към положителния вход на LED драйвера Dim+, а отрицателния изход на устройството - към отрицателния вход на LED драйвера Dim-, както е показано на Фиг. 1.
Свържете фазовия проводника към терминалите L и I на Устройството. Свържете нулевия проводник към терминалите N на устройството и LED драйвера.
Свържете изход на релето O на устройството към терминала L на LED драйвера.
Свържете ключовете или бутоните към клемите на устройството SW1 и SW2 и към проводника под напрежение.
Устройството може да работи в режим с един или два бутона или в режим с един превключвател.
В режим на единичен вход SW2 е винаги неактивен.
Свържете LED драйвера към LED светлините в съответствие с инструкциите за монтаж, предоставени от производителя на LED драйвера.
Спецификации
Филически
Размер (ВхШхГ): 94x19x69 mm
Тегло: 70 g
Максимален въртящ момент на винтовите клеми: 0,4 Nm
Монтаж: DIN релса
Материал на корпуса: Пластмаса
Цвят на корпуса: син
Околна среда
Работна температура на околната среда: -20°C до 40°C
Влажност на въздуха: 30% до 70% относителна влажност
Максимална надморска височина: 2000 m
Електрически
Захранване: 110-240 V~ 50/60 Hz
Консумация на енергия: < 3 W
Тип на интерфейса 0-10V/1-10V: Източник на ток
Външна защита: 16 A, характеристика на изключване B или C, 6 kA, клас на ограничение на енергията 3
Максимално напрежение на превключване: 240 V~
Максимален ток на превключване: 16 A
Волтметър (~): Да
Амперметър (~): Да
Уреди за измерване на мощност и енергия:
Активна и привидна мощност
Активна и видима енергия
Фактор на мощността
Фундаментална активна и фундаментална реактивна енергия
Съхраняване на данни от измервания: Не
Вътрешен температурен сензор: Да
Wi-Fi
Протокол: 802.11 b/g/n
Радиочестотна лента: 2412-2472 MHz
Макс. радиочестотна мощност:< 20 dBm
Обхват: До 30 m на закрито и до 50 m на открито (в зависимост от местните условия)
Bluetooth
Протокол: 4.2
Радиочестотна лента: 2402-2480 MHz
Макс. радиочестотна мощност: < 4 dBm
Обхват: До 30 м / 100 фута на открито, до 10 м / 33 фута на закрито (в зависимост от местните условия)
Микроконтролер
Процесор: ESP32-D0WDQ6
Тактова честота: 40 MHz
Флаш памет: 8MB
Графици: 20
Webhooks (действия с URL): 20 с по 5 URL адреса на кука
Скриптиране: Да
MQTT: Да
Разширени графици: Да
KVS (Key-Value Store): Да
Включване на Shelly Cloud
Устройството може да бъде наблюдавано, управлявано и настройвано чрез нашата услуга за домашна автоматизация Shelly Cloud. Можете да използвате услугата чрез нашето мобилно приложение за Android, iOS или Harmony OS или чрез всеки интернет браузър на адрес https://control.shelly.cloud/.
Ако решите да използвате Устройството с приложението и услугата Shelly Cloud, можете да намерите инструкции за свързване на Устройството към Cloud и управлението му от приложението Shelly в ръководството за приложение: https://shelly.link/app-guide.
Мобилното приложение Shelly Smart Control и услугата Shelly Cloud не са условия за правилното функциониране на Устройството. Това Устройство може да се използва самостоятелно или с различни други платформи за домашна автоматизация.
Отстраняване на неизправности
В случай че срещнете проблеми с инсталирането или работата на устройството, проверете страницата на базата знания: https://shelly.link/pro_dimmer_0/1-10V_PM.
Декларация за съответствие
С настоящото Shelly Europe Ltd. декларира, че радиосъоръжението тип Shelly Pro Dimmer 0/1-10V PM е в съответствие с Директива 2014/53/ЕС, 2014/35/ЕС, 2014/30/ЕС, 2011/65/ЕС. Пълният текст на декларацията за съответствие на ЕС е достъпен на следния интернет адрес: https://shelly.link/pro_dimmer_0/1-10V_PM_DoC.
Изхвърляне и рециклиране
Не изхвърляйте продукта в битовите отпадъци. Рециклирайте продукта, за да предотвратите увреждане на околната среда и здравето и да насърчите опазването на ресурсите. Изхвърлете продукта в подходящ пункт за събиране на отпадъци на ваша отговорност.
Дилърите, от които е закупено Устройството, са длъжни да приемат безплатно Отпадъчно електрическо и електронно оборудване (ОЕЕО) за правилно изхвърляне.
Някои електронни продукти могат да съхраняват лични данни. Потребителят е отговорен за изтриването на тези данни преди изхвърляне на Устройството. За изтриване, нулирайте Устройството до фабричните му настройки.
Производител: Шелли Юръп ЕООД
Адрес: бул. „Черни връх“ 51, сграда 3, ет. 2-3, 1407 София, България
Тел.: +359 2 988 7435
Имейл: support@shelly.cloud
Официален уебсайт: https://www.shelly.com