Shelly Pro 3

Device identification
Device name: Shelly Pro 3
Device model: SPSW-003XE16EU
Device SSID: ShellyPro3-XXXXXX
Short description
Shelly Pro 3 is a DIN rail mountable 3-channel smart switch with potential-free contacts, capable of switching 3 completely independent circuits, including 3-phase ones. Enhanced with all the gen2 firmware flexibility and LAN connectivity, it provides professional integrators with many more options for end customer solutions. It can work standalone in a local Wi-Fi network or it can also be operated through cloud home automation services.
Shelly Pro 3 can be accessed, controlled and monitored remotely from any place where the User has internet connectivity, as long as the device is connected to a Wi-Fi router and the Internet.
Shelly Pro 3 has an embedded Web Interface which can be used to monitor and control the device, as well as adjust its settings.
Main applications
Residential
MDU (Multi Dwelling Units - apartments, condominiums, hotels, etc.)
Light commercial (small office buildings, small retail/restaurant/gas station, etc.)
Government/municipal
University/college
Integrations
Google
Samsung SmartThings
Alexa
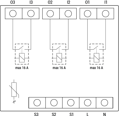
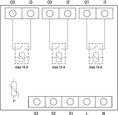
Simplified internal schematics

Device electrical interfaces
Inputs
3 switch/button inputs on screw terminals: S1, S2 and S3
2 power supply inputs on screw terminals: 1 N and 1 L
3 relay inputs: I1, I2 and I3
Outputs
3 relay outputs: O1, O2 and O3
Ethernet port
1 RJ45 connector
⚠CAUTION! Plug in or unplug the LAN cable only when the Device is powered off! The LAN cable connector must not be metallic in the parts touched by the user to plug in or unplug the cable.
Connectivity
Wi-Fi
Ethernet
Bluetooth
Safety features
Overheating protection
Supported load types
Resistive (incandescent bulbs, heating devices)
Capacitive (capacitor banks, electronic equipment, motor start capacitors)
Inductive with RC Snubber (LED light drivers, transformers, fans, refrigerators, air-conditioners)
User interface
Inputs
One tactile dome button
Press and hold 5 sec to reboot.
Press and hold 10 sec to factory reset.
Outputs
LED indication
Power (red): Red light indicator will be on if power supply is connected.
Wi-Fi (varies):
Blue light indicator will be on if in AP mode.
Red light indicator will be on if in STA mode, and not connected to a Wi-Fi network.
Yellow light indicator will be on if in STA mode, and connected to a Wi-Fi network. Not connected to Shelly Cloud or Shelly Cloud disabled.
Green light indicator will be on if in STA mode, and connected to a Wi-Fi network and the Shelly Cloud.
The light indicator will be flashing Red/Blue if OTA update is in progress.
LAN (green): Green light indicator will be on if LAN is connected.
Out 1 (red): Red light indicator will be on if the Output 1 relay is closed.
Out 2 (red): Red light indicator will be on if the Output 2 relay is closed.
Out 3 (red): Red light indicator will be on if the Output 3 relay is closed.
Specifications
Type | Value |
|---|---|
Physical | |
Size (HxWxD): | 96x53x59 ±0.5 mm / 3.78x2.01x2.32 ±0.02 in |
Weight: | |
Mounting: | DIN rail |
Screw terminals max torque: | 0.4 Nm / 4.43 lbin |
Conductor cross section: | 0.5 to 2.5 mm² / 20 to 14 AWG |
Conductor stripped length: | 6 to 7 mm / 0.24 to 0.28 in |
Shell material: | Plastic |
Color: | Black |
Environmental | |
Ambient temperature: | -20 °C to 40 °C / -5 °F to 105 °F |
Humidity | 30 % to 70 % RH |
Max. altitude | 2000 m / 6562 ft |
Electrical | |
Power supply voltage AC: | 110 - 240 V |
Power supply voltage DC: | N/A |
Power consumption: | < 3 W |
Neutral not needed: | No |
Output circuits ratings | |
Max switching voltage AC: | 240 V |
Max switching voltage DC: | 30 V |
Max switching current AC: | 16 A per channel, 48 A total |
Max switching current DC: | 16 A per channel, 48 A total |
Sensors, meters | |
Internal-temperature sensor: | Yes |
Radio | |
RF band: | 24010- 2495 MHz |
Max. RF power: | <20 dBm |
Wi-Fi protocol: | 802.11 b/g/n |
Wi-Fi Range: | Up to 30 m / 100 ft indoors and 50 m / 160 ft outdoors |
Bluetooth Protocol: | 4.2 |
Bluetooth Range: | Up to 10 m / 33 ft indoors and 30 m / 100 ft outdoors |
MCU | |
CPU: | ESP32-D0WDQ6 |
Flash: | 8 MB |
Firmware capabilities | |
Schedules: | 20 |
Webhooks (URL actions): | 20 with 5 URLs per hook |
Scripting: | Yes |
MQTT: | Yes |
CoAP: | No |
Basic wiring diagram
![]() Resistive load | ![]() Inductive load and RC snubber |
Legend
Terminals | Wires | ||
|---|---|---|---|
I1, I2, I3 | Load circuit input terminals | L1(A) | Load circuit 1 live (110-240 V) wire |
O1, O2, O3 | Load circuit output terminals | L2(B) | Load circuit 2 live (110-240 V) wire |
S1, S2, S3 | Switch/button input terminals | L3(C) | Load circuit 3 live (110-240 V) wire |
L | Live (110-240 V) terminal | N | Neutral wire |
N | Neutral terminal | ||
LAN | Local Area Network RJ 45 connector | ||
Shelly Smart Control
Shelly Web user interface
Troubleshooting
...
Components and APIs
Printed user guide
Shelly Pro 3 multilingual printed user and safety guide.pdf
Compliance
Shelly Pro 3 multilingual EU declaration of conformity 2025-07-21.pdf
Shelly Pro 3 UK PSTI ACT Statement of compliance.pdf
Shelly Pro 3 AU NZ Certificate for Suitability .pdf

