Skip to main content
Skip table of contents

Shelly EM Gen3

Shelly EM Gen3_front view.jpg

Device identification

  • Device name: Shelly EM Gen3

  • Device model: S3EM-002CXCEU

  • Device SSID: ShellyEMG3-XXXXXXXXXXXX

  • BLE Model ID: 0x1027

Short description

Shelly EM Gen3 (the Device) is a small form factor smart energy meter using up to 2 current transformers (contactless metering), which allows energy metering the consumption of electric appliances and reporting to a mobile phone, tablet, PC, or home automation system. It can work standalone in a local Wi-Fi network or it can also be operated through cloud home automation services. The Device has internal storage for data allowing for later retrieval. The Device has single dry contact switch for controlling external loads.

Shelly EM Gen3 can be accessed, controlled, and monitored remotely from any place where the User has internet connectivity, as long as the device is connected to a Wi-Fi access point and the Internet.

Shelly EM Gen3 can be retrofitted into standard electrical wall boxes, next to electrical appliances, power sockets, or in other places with limited installation space.

Shelly EM Gen3 has an embedded Web Interface which can be used to monitor, configure, and control the device.

Main features

  • Compact form factor

  • Single phase, two channels measurment

  • Current transformer connection

  • Dry contact relay for contactor control

  • Real-time clock

  • Data logs stored on device for up to 10 days of minute data records

Use cases

  • Power Consumption Monitoring: Monitor the power consumption of connected devices in real-time. This information can be valuable for understanding energy usage patterns and making informed decisions to reduce consumption.

  • Energy Efficiency Optimization: Identify electrical energy consumption patterns and optimize electricity usage.

  • Appliance Health Check: Keep track of the power usage of individual appliances to assess their health and performance over time. Sudden spikes or changes in power consumption may indicate issues with the appliance.

  • Cost Management: With the knowledge of power consumption, you can estimate the cost of running specific devices and manage your electricity expenses more effectively.

  • Space-Efficient Retrofitting: Integrate the device into standard electrical wall boxes, behind power sockets, light switches, or other locations with limited space.

  • Remote Monitoring: Shelly EM Gen3 supports publishing data to Shelly cloud or other cloud based data collection and storage systems. This allows you to monitor power consumption even when you're away from home.

  • Local Monitoring: Like the rest of the Shelly Wi-Fi line of devices Shelly EM Gen3 allows for local only monitoring and automations. Access stored energy consumption records directly from the device UI. Automate locally with rules based on instantaneous power consumption or energy consumer for a period of time.

Main applications

  • Residential

  • MDU (Multi Dwelling Units - apartments, condominiums, hotels, etc.)

  • Light commercial (small office buildings, small retail/restaurant/gas station, etc.)

  • Government/municipal

  • University/college

  • Farming

Simplified internal schematics

EM-Gen3-internal-schematics.png

Connectivity

  • Wi-Fi

  • Bluetooth

Protocols

  • MQTT

  • HTTP

  • WebSocket

  • RPC

Safety function

  • Internal temperature sensing and reporting

Supported load types

  • Resistive (incandescent bulbs, heating devices)

  • Capacitive (LED light drivers, capacitor banks, electronic equipment, motor start capacitors)

  • Inductive (transformers, fans, refrigerators, air-conditioners)

User interface

blu Inputs

  • One (Control) button

    • Press and hold for 5 seconds to enable Device access point and Bluetooth connection.

    • Press and hold for 10 seconds to factory reset the Device.

Outputs

  • LED (monocolor) indication

    • AP (Access Point) enabled and Wi-Fi disabled:
      1 second ON / 1 second OFF

    • Wi-Fi enabled, but not connected to a Wi-Fi network:
      1 second ON / 3 seconds OFF

    • Connected to a Wi-Fi network:
      Constantly ON

    • Cloud is enabled, but not connected:
      1 second ON /5 seconds OFF

    • Connected to Shelly Cloud:
      Constantly ON

    • OTA (Over the Air Update):
      ½ sec ON / ½ second OFF

    • Button pressed and held for 5 seconds:
      ½ second ON / ½ second OFF

    • Button presses and held for 10 seconds:
      ¼ second ON / ¼ second OFF

The list above starts with the initial device status and the lowest priority. Every next state cancels the previous one.

Specifications

Quantity

Value

Physical

Size (HxWxD):

37x42x16 mm / 1.46x1.65x0.63 inch

Weight:

  • EM Gen3 - 23 g / 0.81 oz

  • CT 50A - 50 g / 1.76 oz

Screw terminals max torque:

0.4 Nm / 3.5 lbin

Conductor cross section:

0.2 to 2.5 mm² / 24 to 14 AWG (solid, stranded, and bootlace ferrules)

Conductor stripped length:

6 to 7 mm / 0.24 to 0.28 in

Mounting:

Wall console, Electrical cabinet

Shell material:

Plastic

Shell color:

  • White

  • Charcoal gray

Connectors color:

Black

Environmental

Ambient working temperature:

-20 °C to 40 °C / -5 °F to 105 °F

Humidity:

30 % to 70 % RH

Max. altitude:

2000 m / 6562 ft

Electrical

Power supply:

110 - 240 V~ 50/60 Hz

Power consumption:

< 1.2 W

Neutral not needed:

Yes or No

External protection:

2 A, tripping characteristic B or C,
6 kA interrupting rating,
Energy limiting class 3

Output circuits ratings

Max. switching voltage:

240 V~

Max. switching current:

2 A/240 V~

Sensors, meters

Voltmeter (AC):

110-240 V~ 50/60 Hz

Voltmeter accuracy:

±2%

Ammeter (AC):

0 - 80A

Ammeter accuracy:

±2 % (2 - 50 A), ±2 % (1 - 2 A), ±5 % (0 - 1 A)

Compatible current transformers:

  • CT 50A (included in the package)

  • CT 80A

Power and energy meters:

  • Active and apparent power

  • Active and apparent energy

  • Power factor

  • Fundamental active and fundamental reactive energy

Channel-to-channel calibration minimum load:

500 W

No load threshold:

30 VA per channel

Measurement data storage:

At least 10 days of 1 min data resolution

Data export:

  • CSV for PQ recorded values

  • JSON format export through RPC

Internal-temperature sensor:

Yes

Radio

Wi-Fi

Protocol:

802.11 b/g/n

RF band:

2412 - 2472 МHz

Max. RF power:

< 20 dBm

Range:

Up to 30 m / 100 ft indoors and 50 m / 160 ft outdoors
(Depends on local conditions)

Bluetooth

Protocol:

4.2

RF band:

2402 - 2480 MHz

Max. RF power:

< 4 dBm

Range:

Up to 10 m / 33 ft indoors and 30 m / 100 ft outdoors
(Depends on local conditions)

Microcontroller unit

CPU:

ESP-Shelly-C38F

Flash:

8 MB

Firmware capabilities

Schedules:

Yes

Webhooks (URL actions):

20 with 5 URLs per hook

Scripting:

Yes

MQTT:

Yes

Encryption:

Yes (Transport level)

Authentication:

Yes (Application and transport level)

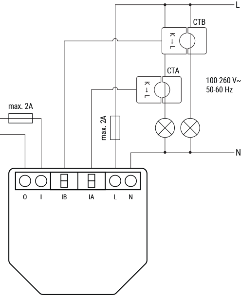
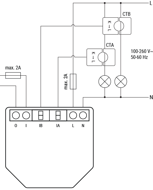
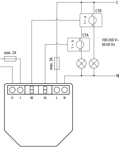
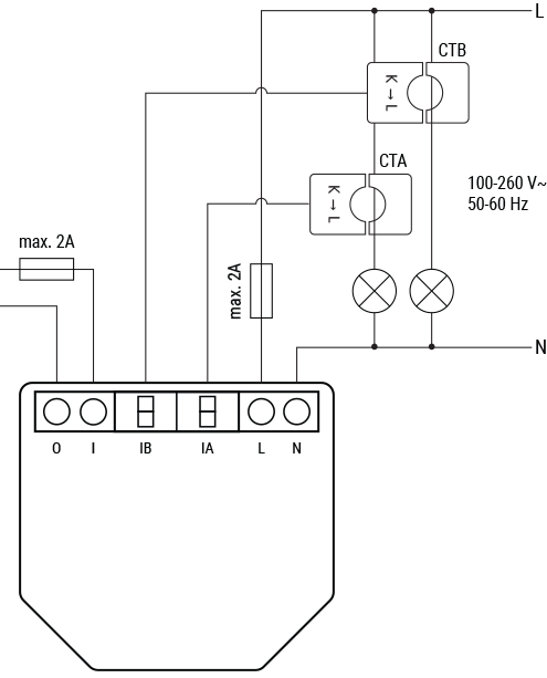
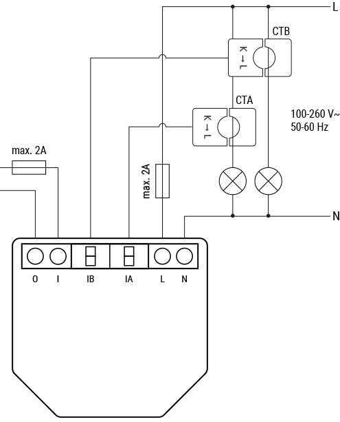
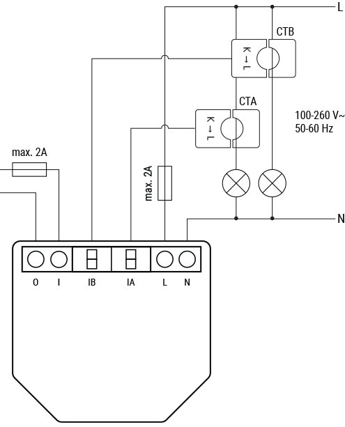
Basic wiring diagrams

EM Gen3-wiring diagram.png


Legend

Terminals

Wires

O

Load circuit output terminal

L

Live (100-260 V~) wire

I

Load circuit input terminal

N

Neutral wire

IA

First channel current transformer input

Current transformers

IB

Second channel current transformer input

CTA

First channel current transformer

L

Live (100-260 V~) terminal

CTB

Second channel current transformer

N

Neutral terminal

Shelly Smart Control

Troubleshooting

  1. Check the correct installation of the CT:

    • If negative readings on a measured circuit are read and are not expected, check the correct installation of the CT (K->L).

  2. Ensure that the device is properly powered:

    • Check power cables, outlets, and any power indicators on the device.

  3. Inspect Connections:

    • Verify that all connections, including cables and wiring, are secure and properly seated. Loose connections can lead to functionality issues.

  4. Review Device Settings:

    • If applicable, check and review the device settings. Ensure that configurations are correct and match your intended use.

  5. Update Firmware/Software:

    • Check if there are any available firmware or software updates for the device. Keeping the device up-to-date can resolve known issues and improve performance.

  6. Restart or Reboot:

    • Sometimes, a simple restart can resolve temporary glitches. Turn off the device, wait a few seconds, and then power it back on.

  7. Check Network Connection:

    • If the device is connected to a network, ensure that the network settings are correct. Test the network connection and consider restarting routers or switches if needed.

  8. Inspect Physical Components:

    • Physically inspect the device for any signs of damage, overheating, or unusual behavior.

  9. Check Compatibility:

    • Ensure that the device is compatible with other components in your system, including hardware and software. Incompatibility issues can lead to malfunctions.

  10. Monitor Environmental Factors:

    • Consider environmental factors such as temperature and humidity.

  11. Inspect Power Supply Quality:

    • Poor power quality, including voltage spikes or fluctuations, can affect device performance. Consider using a surge protector or voltage regulator if needed.

*These are general troubleshooting steps, and the specific steps may vary based on the type of device or issue you are facing. If the issue persists and you are unable to resolve it, consider reaching out to our technical customer support.

Components and APIs

Compliance

Shelly EM Gen3 multilingual EU declaration of conformity 2025-07-22.pdf

Shelly EM Gen3 UK PSTI ACT Statement of compliance.pdf

Printed user guide

Shelly EM Gen3 multilingual printed user and safety guide.pdf

JavaScript errors detected

Please note, these errors can depend on your browser setup.

If this problem persists, please contact our support.