Ръководство за употреба и безопасност (Shelly EM Gen3)
Компактен интелигентен електромер
Наричано в този документ “Устройството“
Информация за безопасност
За безопасна и правилна употреба прочетете това ръководство и всички други документи, придружаващи този продукт. Запазете ги за бъдещи справки. Неспазването на процедурите за монтаж може да доведе до неизправност, опасност за здравето и живота, нарушение на закона и/или отказ от правни и търговски гаранции (ако има такива). Шелли Юръп ЕООД не носи отговорност за загуби или щети в случай на неправилен монтаж или неправилна работа на това Устройство поради неспазване на инструкциите за потребителя и безопасността в това ръководство.
⚠Този знак показва информация за безопасност.
ⓘ Този знак показва важна забележка.
⚠ПРЕДУПРЕЖДЕНИЕ! Риск от токов удар. Монтажът на Устройството към електрическата мрежа трябва да се извърши внимателно от квалифициран електротехник.
⚠ПРЕДУПРЕЖДЕНИЕ! Преди да инсталирате Устройството, изключете прекъсвачите. Използвайте подходящо тестово Устройство, за да се уверите, че няма напрежение върху проводниците, които искате да свържете. Когато сте сигурни, че няма напрежение, продължете с монтажа.
⚠ПРЕДУПРЕЖДЕНИЕ! Преди да правите каквито и да е промени по връзките, уверете се, че на клемите на Устройството няма напрежение.
⚠ВНИМАНИЕ! Свързвайте Устройството само към електрическа мрежа и уреди, които отговарят на всички приложими разпоредби. Късо съединение в електрическата мрежа или който и да е уред, свързан към Устройството, може да причини пожар, материални щети и токов удар.
⚠ВНИМАНИЕ! Устройството може да бъде свързано и да управлява само електрически вериги и уреди, които отговарят на приложимите стандарти и норми за безопасност.
⚠ВНИМАНИЕ! Не свързвайте Устройството към уреди, които превишават посоченото максимално електрическо натоварване.
⚠ВНИМАНИЕ! Свързвайте Устройството само по начина, показан в тези инструкции. Всеки друг метод може да причини повреда и/или нараняване.
⚠ВНИМАНИЕ! Устройството и свързаните към него уреди трябва да бъдат обезопасени с предпазен прекъсвач за кабели в съответствие с EN60898-1 (характеристика на изключване B или C, макс. 2 A номинален ток, мин. 6 kA прекъсваща способност, клас на ограничаване на енергията 3).
⚠ВНИМАНИЕ! Не използвайте Устройството, ако показва признаци на повреда или дефект.
⚠ВНИМАНИЕ! Не се опитвайте сами да ремонтирате Устройството.
⚠ВНИМАНИЕ! Устройството е предназначено само за употреба на закрито.
⚠ВНИМАНИЕ! Пазете Устройството от замърсявания и влага.
⚠ВНИМАНИЕ! Не позволявайте на деца да играят с бутоните/превключвателите, свързани към Устройството. Дръжте устройствата (мобилни телефони, таблети, компютри) за дистанционно управление на Shelly далеч от деца.
Описание на продукта
Shelly EM Gen3 е компактен интелигентен електромер, който използва до два токови трансформатора за безконтактно измерване на ток. Той следи консумацията на енергия на електрически уреди и докладва данните на мобилен телефон, таблет, компютър или система за домашна автоматизация. Устройството може да работи самостоятелно в локална Wi-Fi мрежа или чрез облачни услуги за домашна автоматизация. Разполага с вътрешно съхранение на данни в реално време в енергонезависима памет, която може да съхранява данни за период до 10 дни на интервали от 1 минута. Освен това Устройството има сух контакт за управление на контактора.
Устройството може да бъде достъпно, управлявано и наблюдавано дистанционно от всяко място с интернет връзка, ако е свързано към Wi-Fi точка за достъп и интернет.
Shelly EM Gen3 може да бъде монтирано в стандартни електрически кутии за стена, близо до електрически уреди, контакти или други ограничени пространства.
Устройството има вграден уеб интерфейс, използван за наблюдение, управление и настройка на Устройството. Уеб интерфейсът е достъпен на http://192.168.33.1, когато е свързан директно към точката за достъп на Устройството, или на неговия IP адрес, когато вие и Устройството сте свързани към една и съща мрежа.
Устройството може да осъществява достъп и да взаимодейства с други интелигентни устройства или системи за автоматизация, ако те са в една и съща мрежова инфраструктура. Шелли Юръп ЕООД предоставя API за устройствата, тяхната интеграция и облачен контрол. За повече информация посетете:
https://shelly-api-docs.shelly.cloud
ⓘ Устройството се предлага с фабрично инсталиран фърмуер. За да го поддържа актуализиран и сигурен, Шелли Юръп ЕООД предоставя безплатно най-новите актуализации на фърмуера. Достъпът до актуализациите е осъществен чрез вградения уеб интерфейс или мобилното приложение Shelly Smart Control. Инсталирането на актуализации на фърмуера е отговорност на потребителя. Шелли Юръп ЕООД не носи отговорност за евентуални несъответствия на Устройството, причинени от невъзможността на потребителя да инсталира наличните актуализации своевременно.
Инструкции за монтаж
ⓘ За свързване на Устройството препоръчваме използването на плътни едножилни проводници или многожилни проводници с накрайници. Проводниците трябва да имат изолация с повишена топлоустойчивост, не по-малка от PVC T105°C (221°F).
ⓘ Когато свързвате проводници към клемите на Устройството, вземете предвид посоченото напречно сечение на проводника и дължината на оголване. Не свързвайте множество проводници в един клем.
ⓘ От съображения за сигурност, след като успешно свържете Устройството към локалната Wi-Fi мрежа, препоръчваме да деактивирате или защитите с парола точката за достъп (AP) на Устройството.
ⓘ За да извършите фабрично нулиране на Устройството, натиснете и задръжте бутона за нулиране/управление за 10 секунди.
ⓘ За да активирате точката за достъп на Устройството, натиснете и задръжте бутона за нулиране/управление за 5 секунди.
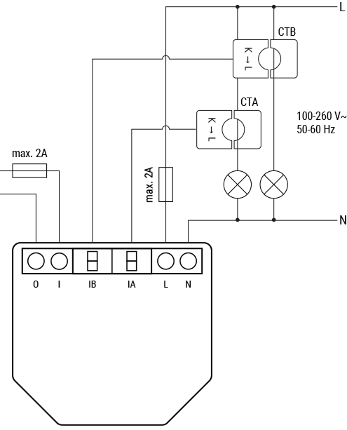
Схема на свързване

Легенда
Клеми на Устройството
O: Изходена клема за превключвател
I: Входна клема за превключвател
IA: Входна клема за токов трансформатор на канал A
IB: Входна клема за токов трансформатор на канал B
L: Фазова клема (100 - 260 V~)
N: Нулева клема
Проводници
L: Фазов проводник (100 - 260 V~)
N: Нулев проводник
Токови трансформатори*
CTA: Токов трансформатор на канал A
CTB: Токов трансформатор на канал B
Монтиране на токови трансформатори
Монтирайте токовия трансформатор CTA около проводника на първата товарна верига, както е показано на Фиг. 1.
Монтирайте токовия трансформатор CTB около проводника на втората товарна верига.*
Включете кабелите от CTA и CTB съответно във входните клеми IA и IB на Устройството.
Свързване на Устройството към захранване
Свържете фазовия проводник чрез прекъсвач към клемата L.
Свържете нулевия проводник към клемата N.
Вместо контактор, можете да превключвате други товари до 2 A.
Уверете се, че окабеляването е правилно и всички проводници са здраво свързани към клемите. След това включете прекъсвачите.
*Устройството се доставя с един токов трансформатор CT 50A, включен в комплекта. Можете да закупите и инсталирате допълнителен токов трансформатор CT 50A или CT80A, в зависимост от вашите нужди.
LED индикации
LED (едноцветна) индикация
AP (точка за достъп) активирана и Wi-Fi деактивиран: 1 секунда ВКЛ. / 1 секунда ИЗКЛ.
Wi-Fi активиран, но не е свързан към Wi-Fi мрежа: 1 секунда ВКЛ. / 3 секунди ИЗКЛ.
Свързан към Wi-Fi мрежа: Постоянно ВКЛ.
Облакът е активиран, но не е свързан: 1 секунда ВКЛ. / 5 секунди ИЗКЛ.
Свързан към Shelly Cloud: Постоянно ВКЛ.
OTA (актуализация по въздух): ½ сек. ВКЛ. / ½ секунда ИЗКЛ.
Бутон, натиснат и задържан за 5 секунди: ½ секунда ВКЛ. / ½ секунда ИЗКЛ.
Бутон, натиснат и задържан за 10 секунди: ¼ секунда ВКЛ. / ¼ секунда ИЗКЛ.
Списъкът по-горе започва с първоначалното състояние на Устройството и най-ниския приоритет. Всяко следващо състояние отменя предишното.
Спецификации
Физически размери
Размери (ВxШxД): 37x42x16 мм
Тегло: 23 г
Максимален въртящ момент на винтовите клеми: 0.4 Nm / 3.5 lbin
Напречно сечение на проводника: 0.2 до 2.5 mm² / 24 до 14 AWG (едножилни, многожилни и с накрайници тип „bootlace“)
Дължина на оголения проводник: 6 до 7 мм
Монтаж: Стенна конзола / Кутия за вграждане в стена
Материал на корпуса: Пластмаса
Цвят на корпуса: Бял
Цвят на конектора: Черен
Условия на околна среда
Работна температура на околната среда: -20°C до 40°C
Влажност: 30% до 70% относителна влажност
Макс. надморска височина: 2000 м
Електрически
Захранване: 100 - 260 V~ 50/60 Hz
Консумирана мощност: < 1,2 W
Номинални стойности на изходните вериги
Максимално комутационно напрежение: 240 V~
Макс. ток на превключване: 2 A
Сензори, измервателни уреди
Волтметър (AC): 100-260 V
Точност на волтметъра: ±2%
Амперметър (AC):
0 - 50A (CT 50A)
0 - 80A (CT 80A)
Точност на амперметъра:
±2 % (2 - 80 A),
±5 % (0 - 1 A)
Съвместими токови трансформатори:
CT 50A
CT 80A
Измервателни уреди за мощност и енергия:
Активна и привидна мощност
Активна и привидна енергия
Коефициент на мощност
Основна активна и основна реактивна енергия
Минимално натоварване при калибриране от канал до канал: 500 W
Праг без товар: 30 VA на канал
Съхранение на данни от измерванията: Най-малко 10 дни с резолюция от 1 минута
Експорт на данни:
CSV за записани PQ стойности
Експорт в JSON формат чрез RPC
Сензор за вътрешна температура: Да
Радио
Wi-Fi
Протокол: 802.11 b/g/n
RF лента: 2401-2483 MHz
Максимална RF мощност: < 20 dBm
Обхват: До 50 м / 164 фута на открито, до 30 м / 98 фута на закрито (в зависимост от местните условия)
Bluetooth
Протокол: 4.2
RF лента: 2400-2483,5 MHz
Макс. Радиочестотна мощност: <4 dBm
Обхват: До 30 м / 98 фута на открито, до 10 м / 33 фута на закрито (в зависимост от местните условия)
Микроконтролер
Процесор: ESP-Shelly-C38F
Флаш памет: 8 MB
Възможности на фърмуер
Графици: Да
Уеб куки (URL действие): 20 с 5 URL адрес на кука
Удължителен обхват на Wi-Fi: Да
BLE шлюз: Да
Скриптове: Да
MQTT: Да
Криптиране: Да
Включване в Shelly Cloud
Устройството може да се наблюдава, контролира и настройва чрез нашата услуга за домашна автоматизация Shelly Cloud. Можете да използвате услугата чрез нашето мобилно приложение за Android, iOS или Harmony OS или чрез всеки интернет браузър на https://control.shelly.cloud/
Ако изберете да използвате приложението с приложението и услугата Shelly Cloud, можете да въведете инструкции, като се свържете с облака на Устройството и да управлявате приложението Shelly в ръководството за приложението:
Мобилното приложение Shelly и услугата Shelly Cloud не отговарят на условията за правилно функциониране на системата. Това Устройство може да се използва самостоятелно или с различни други платформи за домашна автоматизация.
Отстраняване на неизправности
В случай, че срещнете проблеми с инсталираното или работата на компютъра, проверете страницата му в базата знания: https://shelly.link/EM_Gen3
Декларация за съответствие
В основата Шелли Юръп ЕООД декларира, че радиооборудването тип Shelly EM Gen3 е в съответствие с Директива 2014/53/ЕС, 2014/35/ЕС, 2014/30/ЕС, 2011/65/ЕС. Пълният текст на декларацията за съответствие с изискванията на ЕС е достъпен на следния интернет адрес: https://shelly.link/EM_Gen3_DoC
Изхвърляне и рециклиране
Не изхвърляйте продукта в битовия отпадък. Рециклирайте продукта, за да предотвратите замърсяване на околната среда и увреждане на здравето, както и за да насърчите пестенето на ресурси. Изхвърлете продукта в подходящ пункт за събиране на отпадъци на Ваша отговорност.
Дилърите, от които е закупено Устройството, са длъжни да приемат безплатно отпадъчно електрическо и електронно оборудване (WEEE).
Някои електронни продукти могат да съхраняват лични данни. Потребителят е отговорен за изтриването на тези данни преди изхвърляне на Устройството. За изтриване, нулирайте Устройството до фабричните му настройки.
Производител: Шелли Юръп ЕООД
Адрес: бул. „Черни връх“ 51, сграда 3, ет. 2-3, София 1407, България
Тел.: +359 2 988 7435
Имейл: support@shelly.cloud
Официален уебсайт: https://www.shelly.com
Промените в информацията за контакт се публикуват от производителя на официалния уебсайт. Всички права върху търговската марка Shelly® и други интелектуални права, свързани с това Устройство, принадлежат на Шелли Юръп ЕООД.