Shelly 2L Gen3

Device identification
- Device name: Shelly 2L Gen3 
- Device model: S3SW-0A2X4EUL 
- Device SSID: Shelly2LG3-XXXXXXXXXXXX 
- Device Bluetooth ID: 0x1013 
Short description
Shelly 2L Gen3 (the Device) is a compact, two-channel smart switch tailored for precise lighting control. A standout feature of this device is that it doesn't require a Neutral wire to operate. However, it needs a Shelly Bypass 1L/2L Gen3 connected in parallel to the load at the first channel. Shelly 2L Gen3 allows users to effortlessly control their lighting setups through a mobile phone, tablet, PC, or integrated home automation system.
The device can function standalone within a local Wi-Fi network or can be integrated with cloud home automation services. As long as the device remains connected to a Wi-Fi router and the Internet, users gain the flexibility to access, control, and monitor their lighting configurations from virtually anywhere.
Designed with adaptability in mind, Shelly 2L Gen3 is engineered to snugly fit within standard electrical wall boxes, be discreetly placed behind light switches, or in other areas where space might be a limiting factor. An added benefit is its embedded Web Interface, which allows users to not only monitor and control their lighting but also to fine-tune the Device settings with ease.
This device is Matter ready, this functionality can be added with firmware update.
Main features
- Perfect to retrofit! No need for a neutral wire. You can power and control your light, or other appliances using just a live wire, with no necessity to connect a neutral wire to the device. 
- 2 channels! Now you can fit it to control 2 separate lights. 
- Minimum bulb watts. The device requires a Bypass 1L/2L Gen3 to be installed next to the light, however, that allows it to control bulbs greater than 5W. 
- Wi-Fi Connectivity: Shelly 2L Gen3 connects to your home Wi-Fi network, allowing you to control it remotely through the Shelly mobile app or other smart home platforms. 
- Remote Control: You can remotely control the connected device or appliance from anywhere with an internet connection using the Shelly app on your smartphone or tablet. 
- Voice Control: If integrated with voice assistants like Amazon Alexa or Google Assistant, you can control the device using voice commands. 
- Scheduling and Automation: Shelly 2L Gen4 supports scheduling and automation, enabling you to set timers and create routines for your connected devices. For example, you can schedule lights to turn on and off at specific times. 
- Compatibility: - It is designed and tested to ensure compatibility with wide range of lights. 
- It is designed to work with wide ranges of voltages - 220-240 VAC 
 
- Compact Design: Shelly 2L Gen3 has a compact design, allowing it to fit into electrical boxes or behind switches without taking up much space. 
- Protection: Internal temperature sensor for overheating protection 
- Local and Remote Access: You can control your devices both locally when connected to the same Wi-Fi network and remotely when you're away from home. 
- OTA Updates: Shelly devices often receive over-the-air (OTA) firmware updates to enhance functionality and security. 
- Compatibility with Smart Home Ecosystems: Shelly 2L Gen3 may be compatible with various smart home ecosystems and platforms, such as MQTT, Home Assistant, and more, making it a versatile choice for building a smart home. 
Main applications
- Residential 
- MDU (Multi Dwelling Units - apartments, condominiums, hotels, etc.) 
- Light commercial (small office buildings, small retail/restaurant/gas station, etc.) 
- Government/municipal 
- University/college 
Integrations
Amazon Alexa supported capabilities
- Toggle Controller 
Google Smart Home supported traits
- On Off 
Samsung SmartThings supported capabilities
- Switch 
Simplified internal schematics

Device electrical interfaces
Inputs
- 2 switch/button inputs on screw terminals: S1 and S2 
- 1 power supply input on screw terminal: L 
Outputs
- 1 switch/button signal output on screw terminal: Sx 
- 2 relay outputs on screw terminals: O1 and O2 
Connectivity
- Wi-Fi 
- Bluetooth 
Safety function
- Overheating protection 
Supported load types
- Output 1: - Incandescent lights* 
- LED lights* 
 
*without step-down transformers for lower-voltage lights
- Output 2: - Incandescent lights 
- LED lights 
- Fluorescent lights 
- Fans 
 
User interface
blu Inputs
- One (Control) button - Press and hold for 5 seconds to enable Device access point and Bluetooth connection. 
- Press and hold for 10 seconds to factory reset the Device. 
 
Outputs
- LED (monocolor) indication - AP (Access Point) enabled and Wi-Fi disabled: 
 1 second- ON/ 1 second- OFF
- Wi-Fi enabled, but not connected to a Wi-Fi network: 
 1 second- ON/ 3 seconds- OFF
- Connected to a Wi-Fi network: 
 Constantly- ON
- Cloud is enabled, but not connected: 
 1 second- ON/5 seconds- OFF
- Connected to Shelly Cloud: 
 Constantly- ON
- OTA (Over the Air Update): 
 ½ sec- ON/ ½ second- OFF
- Button pressed and held for 5 seconds: 
 ½ second- ON/ ½ second- OFF
- Button presses and held for 10 seconds: 
 ¼ second- ON/ ¼ second- OFF
 
The list above starts with the initial device status and the lowest priority. Every next state cancels the previous one.
Specifications
| Quantity | Value | 
|---|---|
| Physical | |
| Size (HxWxD): | 37x42x16 ±0.5 mm / 1.46x1.65x0.63 ±0.02 in | 
| Weight: | 28 g / 1 oz | 
| Screw terminals max torque: | 0.4 Nm / 3.5 lbin | 
| Conductor cross section: | 0.2 to 2.5 mm² / 24 to 14 AWG (solid, stranded, and bootlace ferrules) | 
| Conductor stripped length: | 6 to 7 mm / 0.24 to 0.24 in | 
| Mounting: | In-wall | 
| Shell material: | Plastic | 
| Shell color: | Cyan | 
| Terminal color: | Black | 
| Environmental | |
| Ambient working temperature: | -20 °C to 40 °C / -5 °F to 105 °F | 
| Storage temperature: | 10°C to 40 °C | 
| Humidity: | 30 % to 70 % RH | 
| Max. altitude: | 2000 m / 6562 ft | 
| Electrical | |
| Power supply: | 220-240 V~, 50Hz (Shelly Bypass is required for the load at O1) | 
| Shelly Bypass included | Yes | 
| Power consumption: | < 1.2 W | 
| Neutral not needed: | Yes (Shelly Bypass is required for the load at O1) | 
| Min. load without neutral and without a Bypass: | No (Shelly Bypass for 1L/2L is required for the load at O1), for all LED lights. | 
| Output circuits ratings | |
| Max. switching voltage: | 240 V~ | 
| Max. switching power: | 
 | 
| Sensors, meters | |
| Internal-temperature sensor: | Yes | 
| Radio | |
| Wi-Fi | |
| Protocol: | 802.11 b/g/n | 
| RF band: | 2401 - 2495 МHz | 
| Max. RF power: | < 20 dBm | 
| Range: | Up to 30 m / 100 ft indoors and 50 m / 160 ft outdoors | 
| Bluetooth | |
| Protocol: | 4.2 | 
| RF band: | 2400 - 2483.5 MHz | 
| Max. RF power: | < 4 dBm | 
| Range: | Up to 10 m / 33 ft indoors and 30 m / 100 ft outdoors | 
| Microcontroller unit | |
| CPU: | ESP-Shelly-C38F | 
| Clock frequency: | 160 Mhz | 
| RAM: | 512 KB | 
| Flash: | 8 MB | 
| Firmware capabilities | |
| Schedules: | 20 | 
| Webhooks (URL actions): | 20 with 5 URLs per hook | 
| Scripting: | Yes | 
| MQTT: | Yes | 
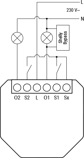
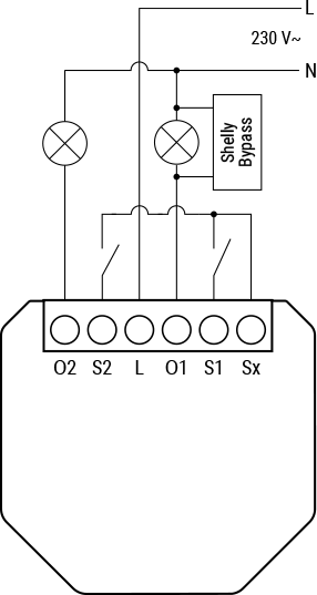
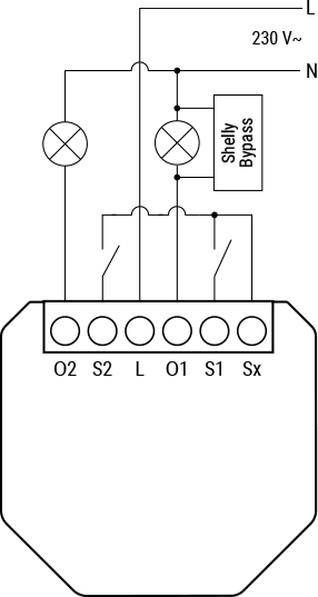
Basic wiring diagram

Legend
| Terminals | Wires | ||
|---|---|---|---|
| S1 | Switch input terminal 1 | L | Live (220-240 V~) wire | 
| S2 | Switch input terminal 2 | N | Neutral wire | 
| Sx | Switch signal output terminal | ||
| L | Live (220-240 V~) terminal | ||
| O1 | Load circuit output terminal 1 | ||
| O2 | Load circuit output terminal 2 | ||
Shelly Smart Control
Troubleshooting
…
Components and APIs
Compliance
Shelly 2L Gen3 multilingual EU declaration of conformity 2025-07-22.pdf
Shelly 2L Gen3 UK PSTI ACT Statement of compliance.pdf
Printed user guide
Shelly 2L Gen3 multilingual printed user and safety guide.pdf
