Ръководство за употреба и безопасност (Shelly 2L Gen3)
Двуканален интелигентен превключвател за управление на осветлението без неутрала
Наричано в този документ „Устройството“
Информация за безопасност
За безопасна и правилна употреба, прочетете това ръководство и всички други документи, придружаващи този продукт. Запазете ги за бъдещи справки. Неспазването на процедурите за монтаж може да доведе до неизправност, опасност за здравето и живота, нарушение на закона и/или отказ от правни и търговски гаранции (ако има такива). Шелли Юръп ЕООД не носи отговорност за загуби или щети в случай на неправилен монтаж или неправилна работа на това Устройство поради неспазване на инструкциите за потребителя и безопасността в това ръководство.
⚠Този знак показва информация за безопасност.
ⓘ Този знак показва важна забележка.
⚠ПРЕДУПРЕЖДЕНИЕ! Риск от токов удар. Монтажът на Устройството към електрическата мрежа трябва да се извърши внимателно от квалифициран електротехник.
⚠ПРЕДУПРЕЖДЕНИЕ! Преди да правите каквито и да е промени по връзките, уверете се, че на клемите на Устройството няма напрежение.
⚠ВНИМАНИЕ! Свързвайте Устройството само по начина, показан в тези инструкции. Всеки друг метод може да причини повреда и/или нараняване.
⚠ВНИМАНИЕ! Свързвайте Устройството само към електрическа мрежа и уреди, които отговарят на всички приложими разпоредби. Късо съединение в електрическата мрежа или на който и да е уред, свързан към Устройството, може да причини пожар, материални щети и токов удар.
⚠ВНИМАНИЕ! Устройството и свързаните към него уреди трябва да бъдат обезопасени с предпазител за кабели в съответствие с EN60898-1 (характеристика на изключване B или C, макс. 16 A номинален ток, мин. 6 kA прекъсваща способност, клас на ограничаване на енергията 3).
⚠ПРЕДУПРЕЖДЕНИЕ! Преди да инсталирате Устройството, изключете предпазителите. Използвайте подходящо тестово устройство, за да се уверите, че няма напрежение върху проводниците, които искате да свържете. Когато сте сигурни, че няма напрежение, продължете с монтажа.
⚠ВНИМАНИЕ! Не използвайте Устройството, ако показва признаци на повреда или дефект.
⚠ВНИМАНИЕ! Устройството може да бъде свързано и да управлява само електрически вериги и уреди, които отговарят на приложимите стандарти и норми за безопасност.
⚠ВНИМАНИЕ! Устройството е предназначено само за употреба на закрито.
⚠ВНИМАНИЕ! Пазете Устройството от замърсявания и влага.
Описание на продукта
Shelly 2L Gen3 е компактен, двуканален интелигентен превключвател. Отличителна черта на това Устройство е, че не изисква нулев проводник, за да работи. Необходим е обаче Shelly Bypass, свързан паралелно с товара на първия канал. Shelly 2L Gen3 позволява на потребителите без усилие да управляват резистивни, индуктивни и капацитивни товари чрез мобилен телефон, таблет, компютър или интегрирана система за домашна автоматизация. Удобно е за управление на осветителни инсталации, електрически нагреватели, трансформатори, вентилатори, генератори и др.
Устройството може да функционира самостоятелно в локална Wi-Fi мрежа или може да бъде интегрирано с облачни услуги за домашна автоматизация. Стига то да остане свързано с Wi-Fi рутер и интернет, потребителите получават гъвкавостта да имат достъп, да контролират и наблюдават своите конфигурации от почти всяко място.
Проектиран с мисъл за адаптивност, Shelly 2L Gen3 пасва плътно в стандартни електрически кутии, дискретно поставен зад ключове за осветление или в други зони, където пространството може да е ограничаващ фактор. Допълнително предимство е вграденият уеб интерфейс, който позволява на потребителите лесно да променят настройките на Устройството.
Това Устройство е готово за Matter, като тази функционалност може да бъде добавена с актуализация на фърмуера.
Инструкции за инсталиране
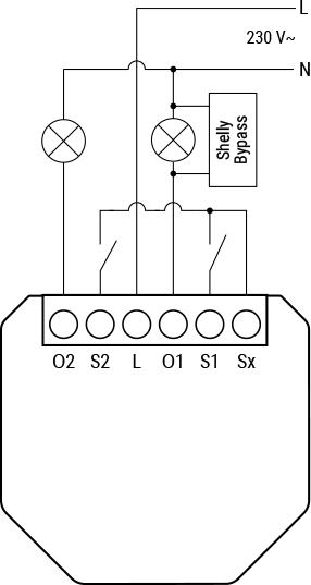
Схема на свързване

Легенда
Клеми на устройството
• O2: Изходна клема 2 на товарната верига
• S2: Входна клема 2 за ключ
• L: Клема за фаза (220-240 V~)
• O1: Изходна клема 1 на товарната верига
• S1: Входна клема 1 за ключ
• Sx: Изходна клема на сигнала на превключвателя
Проводници
• L: Фаза (220-240V~)
• N: Неутрален проводник
ⓘ За да свържете Устройството, препоръчваме да използвате плътни едножилни проводници или многожилни проводници с накрайници. Проводниците трябва да имат изолация с повишена топлоустойчивост, не по-малка от PVC T105°C (221°F).
ⓘ Когато свързвате проводници към клемите на Устройството, вземете предвид посоченото напречно сечение на проводника и дължината на оголване. Не свързвайте няколко проводника в един терминал.
- Свържете първия товар (до 1,2 A) към клема O1 на Устройството и нулевия проводник, както е показано на схемата на свързване. 
- Свържете Shelly Bypass, предоставен в комплекта, паралелно на първия товар (задължително, с изключение на лампи с нажежаема жичка). 
- Свържете втория товар към клемата O2 и нулевия проводник. 
- Свържете първия ключ или бутон към клемите S1 и Sx. 
- Свържете втория ключ или бутон към клемите S2 и Sx. 
- Свържете фазовия проводник към клемата L. 
Спецификации
- Размери (ВxШxД): 37x42x16 ±0.5 мм 
- Тегло: 28 г 
- Максимален въртящ момент на винтовите клеми: 0.4 Nm / 3.5 lbin 
- Напречно сечение на проводника: 0.2 до 2.5 mm² / 24 до 14 AWG (едножилни, многожилни и с накрайници тип „bootlace“) 
- Дължина на оголения проводник: 6 до 7 мм 
- Монтаж: В стената 
- Материал на корпуса: Пластмаса 
- Цвят на корпуса: Син 
- Работна температура на околната среда: -20°C до 40°C 
- Температура на съхранение: 10°C до 40°C 
- Влажност: 30% до 70% относителна влажност 
- Макс. надморска височина: 2000 м 
- Захранване: 220-240 V~ 50 Hz (за товара при O1 е необходим Shelly Bypass) 
- Shelly Bypass е включен в пакета: Да 
- Консумирана мощност: < 1,2 W 
- Не е необходим неутрален проводник: Да, не е необходим (за товара при O1 е необходим Shelly Bypass) 
- Мин. товар без неутрален проводник и без байпас: За товара при O1 е необходим байпас, с изключение на лампи с нажежаема жичка. 
- Макс. комутационно напрежение: 240 V~ 
- Макс. комутационна мощност: 
- 200 W през O1 
- 700 W през O2 
- Сензор за вътрешна температура: Да 
Wi-Fi
- Протокол: 802.11 b/g/n 
- RF честота: 2401 - 2495 MHz 
- Макс. RF мощност: < 20 dBm 
- Обхват: До 30 м / 98 фута на закрито и 50 м / 164 фута на открито (зависи от местните условия) 
Bluetooth
- Протокол: 4.2 
- RF честота: 2400 - 2483.5 MHz 
- Макс. RF мощност: < 4 dBm 
- Обхват: До 10 м / 33 фута на закрито и 30 м / 98 фута на открито (зависи от местните условия) 
- Процесор: ESP-Shelly-C38F 
- Тактова честота: 160 Mhz 
- RAM: 512 KB 
- Flash памет: 8 MB 
- Графици: 20 
- Уеб куки (URL действия): 20 с 5 URL адреса на кука 
- Скриптове: Да 
- MQTT: Да 
Включване в Shelly Cloud
Устройството може да бъде наблюдавано, контролирано и настройвано чрез нашата услуга за домашна автоматизация Shelly Cloud. Можете да използвате услугата чрез нашето мобилно приложение за Android, iOS или Harmony OS или чрез всеки интернет браузър на: https://control.shelly.cloud/
Ако изберете да използвате Устройството с приложението и услугата Shelly Cloud, можете да намерите инструкции как да го свържете към облака и да го управлявате от приложението тук: https://shelly.link/app-guide
Отстраняване на неизправности
В случай че срещнете проблеми с инсталирането или работата на Устройството, проверете страницата му тук: https://shelly.link/2L_Gen3
Декларация за съответствие
С настоящото Шелли Юръп ЕООД декларира, че радиосъоръжението тип Shelly 2L Gen3 е в съответствие с Директива 2014/53/ЕС, 2014/35/ЕС, 2014/30/ЕС, 2011/65/ЕС. Пълният текст на декларацията за съответствие с изискванията на ЕС е достъпен на следния интернет адрес: https://shelly.link/2L_Gen3_DoC
Изхвърляне и рециклиране
Не изхвърляйте продукта в битовия отпадък. Рециклирайте продукта, за да предотвратите замърсяване на околната среда и увреждане на здравето, както и за да насърчите пестенето на ресурси. Изхвърлете продукта в подходящ пункт за събиране на отпадъци на Ваша отговорност.
Дилърите, от които е закупено Устройството, са длъжни да приемат безплатно отпадъчно електрическо и електронно оборудване (WEEE).
Някои електронни продукти могат да съхраняват лични данни. Потребителят е отговорен за изтриването на тези данни преди изхвърляне на Устройството. За изтриване, нулирайте Устройството до фабричните му настройки.
Производител: Шелли Юръп ЕООД
Адрес: бул. „Черни връх“ 51, сграда 3, ет. 2-3, 1407 София, България
Тел.: +359 2 988 7435
Имейл: support@shelly.cloud
Официален уебсайт: https://www.shelly.com
Промените в информацията за контакт се публикуват от производителя на официалния уебсайт.
Всички права върху търговската марка Shelly® и други интелектуални права, свързани с това устройство, принадлежат на Шелли Юръп ЕООД.
