Ръководство за употреба и безопасност (Shelly Dimmer 0/1-10V PM Gen3)
Умен контролер за димиране
Наричан в този документ "Устройството"
За безопасна и правилна употреба следвайте тези инструкции. Запазете ги за бъдеща справка.
Този знак обозначава информация, свързана с безопасност.
Този знак обозначава важна бележка.
Информация за безопасност
За да избегнете възможна вреда, прочетете и следвайте тези инструкции.
ПРЕДУПРЕЖДЕНИЕ!
Риск от токов удар. Монтажът на Устройството към електрическата мрежа трябва да се извърши внимателно от квалифициран електротехник.
Преди да инсталирате Устройството, изключете предпазителите. Използвайте подходящо тестово Устройство, за да се уверите, че няма напрежение върху проводниците, които искате да свържете. Когато сте сигурни, че няма напрежение, продължете с инсталирането.
Преди да правите каквито и да е промени по връзките, уверете се, че на терминалите на Устройството няма напрежение.
ВНИМАНИЕ!
Свързвайте Устройството само към електрическа мрежа и уреди, които отговарят на всички приложими разпоредби. Късо съединение в електрическата мрежа или който и да е уред, свързан към Устройството, може да причини пожар, материални щети и токов удар.
Устройството може да се свързва и да управлява само електрически вериги и уреди, които отговарят на приложимите стандарти и норми за безопасност.
Не свързвайте Устройството към уреди, които превишават посоченото максимално електрическо натоварване.
Свързвайте Устройството само по начина, показан в тези инструкции. Всеки друг метод може да причини повреда и/или нараняване.
Устройството и свързаните към него уреди трябва да бъдат обезопасени с предпазител на кабела в съответствие с EN60898-1 (характеристика на изключване B или C, макс. 16 A номинален ток, мин. 6 kA прекъсваща способност, клас на ограничаване на енергията 3).
Не използвайте Устройството, ако то показва признаци на повреда или дефект.
Не се опитвайте да поправяте Устройството сами.
Устройството е предназначено само за употреба на закрито.
Пазете Устройството от замърсявания и влага.
Описание на устройството
Shelly Dimmer 0/1-10V PM Gen3 (Устройството) е интелигентен контролер за димиране, който позволява дистанционно управление на драйвери за димиране от мобилен телефон, таблет, компютър или система за домашна автоматизация. Той може да работи самостоятелно в локална Wi-Fi мрежа или да се управлява и чрез облачни услуги за домашна автоматизация. Устройството осигурява поддръжка на драйвери от типа 0-10V и 1-10V.
Уеб интерфейс
Устройството има вграден уеб интерфейс за наблюдение, управление и настройка. Уеб интерфейсът е достъпен на адрес http://192.168.33.1 при директна връзка към точката за достъп на устройството или на неговия IP адрес при достъп от същата мрежа. За повече информация посетете https://shelly-link/webui-guide.
Фърмуер
Устройството се предлага с фабрично инсталиран фърмуер. Винаги използвайте най-новата версия на фърмуера. Редовно проверявайте за актуализации чрез уеб интерфейса или приложението Shelly Smart Control
API
Устройството може да има достъп и да взаимодейства с други интелигентни устройства или системи за автоматизация, ако те са в една и съща мрежова инфраструктура. Шелли Юръп ЕООД предоставя API за устройствата, тяхната интеграция и облачен контрол. За повече информация посетете https://shelly-api-docs.shelly.cloud .
Инструкции за монтаж
ЗАБЕЛЕЖКА
Препоръчваме използването на масивни едножилни проводници или усукани проводници с накрайници. Изолацията на проводниците трябва да бъде устойчива на висока температура – не по-малко от PVC T105°C (221°F).
При свързване на проводници към клемите на устройството, спазвайте изискванията за напречно сечение и дължина на оголената част. Не свързвайте няколко проводника към една и съща клема.
От съображения за сигурност, след като успешно свържете устройството към локалната Wi-Fi мрежа, препоръчваме да изключите или защитите с парола неговата Wi-Fi точка за достъп (AP).
За фабрично нулиране натиснете и задръжте бутона Reset/Control за 10 секунди.
За активиране на точката за достъп и Bluetooth задръжте бутона Reset/Control за 5 секунди.

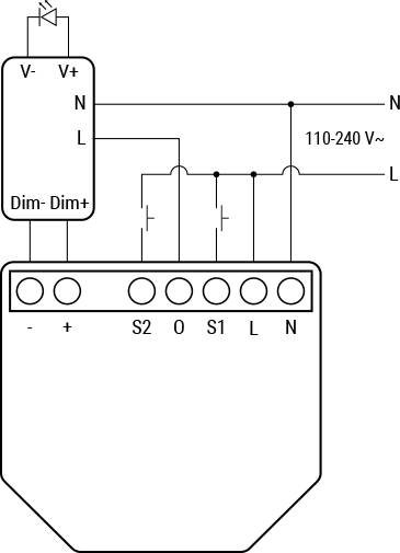
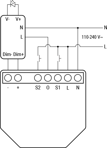
Фиг. 1:
Свържете положителния изход на устройството (+) към положителния вход на LED драйвера (Dim+), а отрицателния изход на устройството (-) към отрицателния вход на LED драйвера (Dim -), както е показано на фиг. 1.
Свържете фазата към клемата L на устройството, а нулата - към клемата N и към клемата N на светодиодния драйвер.
Свържете изхода на релето O на устройството към клемата L на LED драйвера.
Свържете ключовете или бутоните към клемите S1 и S2 на устройството и към фазата.
Устройството може да работи в режим с един или два бутона или в режим с един ключ. В режим на единичен вход S2 винаги е изключен.
Свържете светодиодния драйвер към светодиодните лампи в съответствие с инструкциите за монтаж, предоставени от производителя на светодиодния драйвер.
Легенда:
Клеми на устройството
+: 0-10 VDC плюс
-: 0-10 VDC минус
O: Изход на реле
S1: Входни клеми за ключ/бутон за управление на светлината
S2: Входни клеми за ключ/бутон за управление на светлината
L: Фаза (110-240 V)
N: Нула
Dim+ / Dim-: Плюс и минус на LED драйвера
V+ / V-: Плюс и минус изход на LED драйвера
S1, S2: Клема за вход на ключ/бутон за управление на осветлението
Проводници
L: фаза (110-240 V~)
N: нула
Използване на устройството в Shelly Cloud
Устройството може да бъде наблюдавано, управлявано и настройвано чрез нашата услуга за домашна автоматизация Shelly Cloud. Можете да използвате услугата чрез нашето мобилно приложение за Android, iOS или Harmony OS или чрез всеки интернет браузър на адрес https://control.shelly.cloud/ . Ако решите да използвате устройството с приложението и услугата Shelly Cloud, можете да намерите инструкции за свързване на устройството с облака и управлението му от приложението Shelly в ръководството за приложението: https://shelly.link/app-guide . Мобилното приложение Shelly и услугата Shelly Cloud не са предпоставки за правилното функциониране на Устройството. Това Устройство може да се използва самостоятелно или с различни други платформи за домашна автоматизация.
Спецификации
Размер (HxWxD): 38,5х43,5х17 мм / 1,52х1,71х0,67 инча
Тегло: 28,5 g / 0,99 oz
Максимален въртящ момент на винтовите клеми: 0,4 Nm / 3,5 lbin
Сечение на проводника: 0,2 до 2,5 mm² / 24 до 14 AWG (плътни, многожични и с накрайници)
Дължина на оголения проводник: 5 до 6 mm / 0,20 до 0,24 инча
Монтаж: конзолна кутия/зад стена/таванна конструкция
Материал на корпуса: Пластмаса
Работна температура на околната среда: -20°C до 40°C / -5°F до 105°F
Влажност на въздуха: 30% до 70% RH
Максимална надморска височина: 2000 m / 6562 ft
Захранване: 110-240 V~ 50/60 Hz
Консумация на енергия: < 1,5 W
Външна защита: 16A, характеристика на изключване B или C, 6 kA прекъсване, клас на ограничаване на енергията 3
Максимално напрежение на превключване: 240 V~
Максимален ток на превключване: 13 A
Максимален ток на управление: 35 mA
Волтметър (AC): 110 - 240 V
Амперметър (AC): 50 mA - 16 A
Точност на измервателните уреди: ±10%
Уреди за измерване на мощност и енергия:
Активна и привидна мощност
Активна и привидна енергия
Фактор на мощността
Съхраняване на данните от измерванията: Не
Вътрешен температурен сензор: Да
Wi-Fi
Протокол: 802.11 b/g/n
Радиочестотна лента: 2401-2495 MHz
Макс. Радиочестотна мощност: < 20 dBm
Обхват: До 30 м на закрито и до 50 м на открито (в зависимост от местните условия)
Bluetooth
Протокол: 4.2
Радиочестотна лента: 2400-2483,5 MHz
Макс. RF мощност: < 4 dBm
Обхват: До 30 м на открито, до 10 м на закрито (в зависимост от местните условия)
Отстраняване на неизправности
В случай че срещнете проблеми с инсталирането или работата на Устройството, проверете неговата база за знания страница: https://shelly.link/dimmer_0-1-10V_PM_Gen3 .
Декларация за съответствие
С настоящото Шелли Юръп ЕООД декларира, че радиооборудването тип Shelly Dimmer 0/1-10V PM Gen3 е в съответствие с Директива 2014/53/ЕС, 2014/35/ЕС, 2014/30/ЕС, 2011/65/ЕС. Пълният текст на ЕС декларацията за съответствие е достъпен на следния интернет адрес: https://shelly.link/dimmer_0-1-10V_PM_Gen3_DoC.
Изхвърляне и рециклиране
Не изхвърляйте продукта в битови отпадъци. Рециклирайте продукта, за да предотвратите щети на околната среда и здравето и за насърчаване на опазването на ресурсите. Изхвърлете продукта на подходящо място за събиране на отпадъци на ваша отговорност.
Препродавачите, от които е закупено Устройството, са длъжни да приемат отпадъци от електрическо и електронно оборудване (ОЕЕО) безплатно за правилното обезвреждане.
Някои електронни продукти могат да съхраняват лични данни. Потребителят носи отговорност за изтриването на тези данни преди изхвърлянето на Устройството. За изтриване нулирайте устройството до фабричните настройки.
Производител
Шелли Юръп ЕООД
Адрес: бул. Черни връх 51, бул. 3, ет. 2-3, 1407 София, България, Тел. +359 2 988 7435, Електронна поща: support@shelly.cloud, Официален сайт: https://www.shelly.com
Промените в информацията за контакт се публикуват от производителя на официалния уебсайт.
Всички права върху търговската марка Shelly® и други интелектуални права, свързани с това устройство, принадлежат на Shelly Europe Ltd.