Ръководство за употреба и безопасност (Shelly Bypass for 1L/2L Gen3)
Описание на продукта
Shelly Bypass за 1L/2L (Устройството) е електронен модул, необходим за устройства Shelly 1L Gen3 и 2L Gen3, които не се нуждаят от нулев проводник за работа.
Информация за безопасност
За безопасна и правилна употреба прочетете това ръководство и всички други документи, придружаващи този продукт. Запазете ги за бъдещи справки. Неспазването на процедурите за монтаж може да доведе до неизправност, опасност за здравето и живота, нарушение на закона и/или отказ от правни и търговски гаранции (ако има такива). Шелли Юръп ЕООД не носи отговорност за загуби или щети в случай на неправилен монтаж или неправилна експлоатация на това устройство поради неспазване на инструкциите за потребителя и безопасността в това ръководство.
⚠Този знак показва информация за безопасност.
ⓘТози знак показва важна забележка.
⚠ПРЕДУПРЕЖДЕНИЕ! Риск от токов удар. Монтажът на устройството към електрическата мрежа трябва да се извърши внимателно от квалифициран електротехник.
⚠ПРЕДУПРЕЖДЕНИЕ! Преди да инсталирате устройството, изключете прекъсвачите. Използвайте подходящо тестово устройство, за да се уверите, че няма напрежение на проводниците, които искате да свържете. Когато сте сигурни, че няма напрежение, продължете с инсталирането.
⚠ПРЕДУПРЕЖДЕНИЕ! Преди да правите каквито и да е промени по връзките, уверете се, че няма напрежение на клемите на устройството.
⚠ВНИМАНИЕ! Свързвайте устройството само към електрическа мрежа и уреди, които отговарят на всички приложими разпоредби. Късо съединение в електрическата мрежа или към който и да е уред, свързан към устройството, може да причини пожар, материални щети и токов удар.
⚠ВНИМАНИЕ! Свързвайте устройството само по начина, показан в тези инструкции. Всеки друг метод може да причини повреда и/или нараняване.
⚠ВНИМАНИЕ! Устройството е предназначено само за употреба на закрито.
⚠ВНИМАНИЕ! Пазете устройството от замърсявания и влага.
Инструкции за монтаж
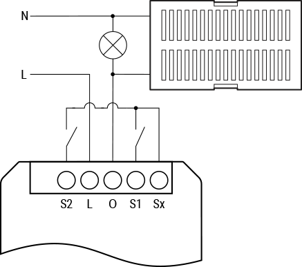
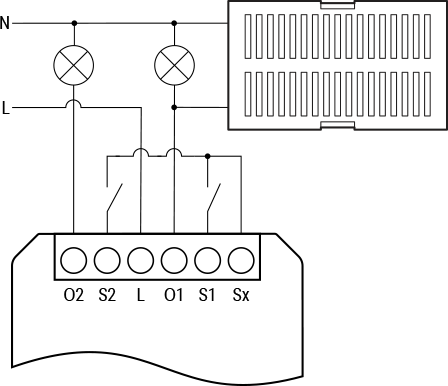
Свържете Shelly Bypass паралелно с товара, както е показано на Фиг. 1 и Фиг. 2.

Фиг. 1: Схема на свързване с 1L Gen3

Фиг. 2: Схема на свързване с 2L Gen3
Легенда
Клеми
•L: Фазова клема (240 V~)
•O, O1, O2: Изходни клеми на товарната верига
•S1, S2: Входни клеми на превключвателя
•Sx: Изходна клема на сигнала на превключвателя
Проводници
•L: Фазов проводник(240 V~)
•O: Изходен проводник
•N: Нулев проводник
ⓘПродуктът е вграден и разчита на корпуса на осветителното тяло за защита от случаен контакт с части под напрежение и е монтиран само в осветителното тяло.
Спецификации
Физически характеристики
•Размер (ВxШxД): 37x28x20 мм (без проводници)
•Тегло: 8 г
•Напречно сечение на проводника: 0,2 мм2 / 24 AWG многожилен
•Дължина на оголения проводник: 0,5 мм
•Дължина на кабелите: 65±5 мм
•Монтиране: Вътре в осветително тяло
•Материал на корпуса: Пластмаса
•Цвят на корпуса: Син
•Цвят на кабела: Черен
Условия на околна среда
•Работна температура на околната среда: от -20° C до 40° C
•Влажност: от 30% до 70% относителна влажност
•Макс. надморска височина: 2000 м
Електрически
•Захранване: 240 V~ 50 Hz
•Консумирана мощност: < 4 W
Отстраняване на неизправности
В случай че срещнете проблеми с инсталирането или работата на устройството, проверете страницата му в базата знания: https://shelly.link/bypass_1L_2L
Декларация за съответствие
С настоящото Шелли Юръп ЕООД декларира, че радиооборудването тип Shelly Bypass за 1L/2L е в съответствие с Директива 2014/35/ЕС, 2014/30/ЕС, 2011/65/ЕС. Пълният текст на декларацията за съответствие на ЕС е достъпен на следния интернет адрес: https://shelly.link/bypass_1L_2L_DoC
Изхвърляне и рециклиране
Не изхвърляйте продукта в битовия отпадък. Рециклирайте продукта, за да предотвратите замърсяване на околната среда и увреждане на здравето, както и за да насърчите пестенето на ресурси. Изхвърлете продукта в подходящ пункт за събиране на отпадъци на Ваша отговорност.
Дилърите, от които е закупено Устройството, са длъжни да приемат безплатно отпадъчно електрическо и електронно оборудване (WEEE).
Някои електронни продукти могат да съхраняват лични данни. Потребителят е отговорен за изтриването на тези данни преди изхвърляне на Устройството. За изтриване, нулирайте Устройството до фабричните му настройки.
Производител: Шелли Юръп ЕООД
Адрес: бул. „Черни връх“ 51, сграда 3, ет. 2-3, 1407 София, България
Тел.: +359 2 988 7435
Имейл: support@shelly.cloud
Официален уебсайт: https://www.shelly.com
Промените в информацията за контакт се публикуват от производителя на официалния уебсайт.
Всички права върху търговската марка Shelly® и други интелектуални права, свързани с това устройство, принадлежат на Шелли Юръп ЕООД.