Ръководство за употреба и безопасност (Shelly 1L Gen3)
Едноканален интелигентен превключвател за управление на осветлението без неутрала
Наричано в този документ “Устройството“
Информация за безопасност
За безопасна и правилна употреба прочетете това ръководство и всички други документи, придружаващи този продукт. Запазете ги за бъдещи справки. Неспазването на процедурите за монтаж може да доведе до неизправност, опасност за здравето и живота, нарушение на закона и/или отказ от правни и търговски гаранции (ако има такива). Шелли Юръп ЕООД не носи отговорност за загуби или щети в случай на неправилен монтаж или неправилна работа на това Устройство поради неспазване на инструкциите за потребителя и безопасността в това ръководство.
⚠Този знак показва информация за безопасност.
ⓘ Този знак показва важна забележка.
⚠ ПРЕДУПРЕЖДЕНИЕ! Риск от токов удар. Монтажът на устройството към електрическата мрежа трябва да се извърши внимателно от квалифициран електротехник.
⚠ ПРЕДУПРЕЖДЕНИЕ! Преди да правите каквито и да е промени по връзките, уверете се, че няма напрежение на клемите на Устройството.
⚠ ВНИМАНИЕ! Свързвайте Устройството само по начина, показан в тези инструкции. Всеки друг метод може да причини повреда и/или нараняване.
⚠ ВНИМАНИЕ! Свързвайте Устройството само към електрическа мрежа и уреди, които отговарят на всички приложими разпоредби. Късо съединение в електрическата мрежа или на който и да е уред, свързан към Устройството, може да причини пожар, материални щети и токов удар.
⚠ ВНИМАНИЕ! Устройството и уредите, свързани към него, трябва да бъдат обезопасени с предпазител за кабели в съответствие с EN60898-1 (характеристика на изключване B или C, макс. 10A номинален ток, мин. 6 kA прекъсваща способност, клас на ограничаване на енергията 3).
⚠ ПРЕДУПРЕЖДЕНИЕ! Преди да инсталирате Устройството, изключете предпазителите. Използвайте подходящо тестово устройство, за да се уверите, че няма напрежение върху проводниците, които искате да свържете. Когато сте сигурни, че няма напрежение, продължете с монтажа.
⚠ ВНИМАНИЕ! Не използвайте Устройството, ако показва признаци на повреда или дефект.
⚠ ВНИМАНИЕ! Устройството може да бъде свързано и да управлява само електрически вериги и уреди, които отговарят на приложимите стандарти и норми за безопасност.
⚠ ВНИМАНИЕ! Устройството е предназначено само за употреба на закрито.
⚠ ВНИМАНИЕ! Пазете Устройството от замърсявания и влага.
Описание на продукта
Shelly 1L Gen3 е компактен едноканален интелигентен превключвател. Отличителна черта на това Устройство е, че не изисква нулев проводник, за да работи. Необходим е обаче Shelly Bypass, свързан паралелно с товара. Shelly 1L Gen3 позволява на потребителите без усилие да управляват резистивни, индуктивни и капацитивни товари чрез мобилен телефон, таблет, компютър или интегрирана система за домашна автоматизация. Удобно е за управление на осветителни системи, електрически нагреватели, трансформатори, вентилатори, генератори и др.
Устройството може да функционира самостоятелно в локална Wi-Fi мрежа или да бъде интегрирано с облачни услуги за домашна автоматизация. Стига Shelly 1L Gen3 да е свързано към Wi-Fi рутер и интернет, потребителите могат да имат достъп до него, да го контролират и наблюдават отвсякъде.
Проектирано с мисъл за адаптивност, Shelly 1L Gen3 е проектирано да пасва плътно в стандартни електрически кутии за стена, да бъде дискретно поставено зад ключове за осветление или в други зони, където пространството може да е ограничаващ фактор. Допълнително предимство е вграденият уеб интерфейс, който позволява на потребителите лесно да настройват фино настройките на Устройството.
Това Устройство е готово за Matter, тази функционалност може да бъде добавена с актуализация на фърмуера.
Инструкции за инсталиране
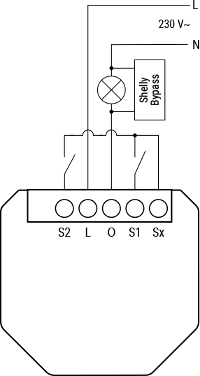
Схема на свързване

Легенда
Клеми на устройството
• L: Фазова клема (220-240 V~)
• O: Изходна клема на товарната верига
• S1, S2: Входни клеми за ключ
• Sx: Изходна клема на сигнала на превключвателя
Проводници
• L: Фаза (220-240 V~)
• N: Нутрален проводник
ⓘ За да свържете Устройството, препоръчваме да използвате плътни едножилни проводници или многожилни проводници с накрайници. Проводниците трябва да имат изолация с повишена топлоустойчивост, не по-малка от PVC T105°C (221°F).
ⓘ Когато свързвате проводници към клемите на Устройството, вземете предвид посоченото напречно сечение на проводника и дължината на оголване. Не свързвайте няколко проводници в една клема.
Свържете товара към клемата O на Устройството и нулевия проводник, както е показано на схемата на свързване.
Свържете Shelly Bypass, предоставен в комплекта, паралелно на товара (задължително, с изключение на лампи с нажежаема жичка).
Свържете фазовия проводник към клемата L.
Свържете първия превключвател или бутон към клемите S1 и Sx.
Свържете втория превключвател или бутон към клемите S2 и Sx.
Спецификации
Размери (ВxШxД): 37x42x16 ±0.5 мм
Тегло: 24 г
Максимален въртящ момент на винтовите клеми: 0.4 Nm / 3.5 lbin
Напречно сечение на проводника: 0.2 до 2.5 mm² / 24 до 14 AWG (едножилни, многожилни и с накрайници тип „bootlace“)
Дължина на оголения проводник: 6 до 7 мм
Монтаж: В стена
Материал на корпуса: Пластмаса
Цвят на корпуса: Син
Работна температура на околната среда: -20°C до 40°C
Температура на съхранение: 10°C до 40°C
Влажност: 30% до 70% относителна влажност
Макс. надморска височина: 2000 м / 6562 фута
Електрически
Захранване: 220-240 V~ 50 Hz (необходим е Shelly Bypass)
Включен Shelly Bypass в пакета: Да
Консумирана мощност: < 1,2 W
Не е необходима нула: Да (за товара при O е необходим Shelly Bypass)
Мин. товар без нула и без байпас: · За товара при O е необходим байпас, с изключение на лампи с нажежаема жичка.
Външна защита: 10 A, характеристика на изключване B или C, 6 kA прекъсваща способност, клас на ограничаване на енергията 3
Номинални стойности на изходните вериги
Максимално комутационно напрежение: 240 V~
Максимална комутационна мощност: 200 W
Вътрешен температурен сензор: Да
Радио
Wi-Fi
Протокол: 802.11 b/g/n
RF лента: 2401 - 2495 MHz
Максимална RF мощност: < 20 dBm
Обхват: До 30 м / 98 фута на закрито и 50 м / 164 фута на открито (в зависимост от местните условия)
Bluetooth
Протокол: 4.2
RF лента: 2400 - 2483.5 MH
Макс. RF мощност: < 4 dBm
Обхват: До 10 м / 33 фута на закрито и 30 м / 98 фута на открито (зависи от местните условия)
Микроконтролер
Процесор: ESP-Shelly-C38F
Тактова честота: 160 Mhz
RAM: 512 KB
Flash: 8 MB
Възможности на фърмуера
Графици: 20
Уеб куки (URL действия): 20 с 5 URL адреса на кука
Скриптове: Да
MQTT: Да
Включване в Shelly Cloud
Устройството може да се наблюдава, контролира и настройва чрез нашата услуга за домашна автоматизация Shelly Cloud. Можете да използвате услугата чрез нашето мобилно приложение за Android, iOS или Harmony OS или чрез всеки интернет браузър на https://control.shelly.cloud/ . Ако изберете да използвате Устройството с приложението и услугата Shelly Cloud, можете да намерите инструкции как да свържете Устройството към облака и да го управлявате от приложението тук: https://shelly.link/app-guide
Отстраняване на неизправности
В случай че срещнете проблеми с инсталирането или работата на Устройството, проверете страницата му тук: https://shelly.link/1L_Gen3
Декларация за съответствие
С настоящотоШелли Юръп ЕООД декларира, че радиосъоръжението тип Shelly 1L Gen3 е в съответствие с Директива 2014/35/ЕС, 2014/30/ЕС, 2011/65/ЕС, 2014/53/ЕС. Пълният текст на декларацията за съответствие на ЕС е достъпен на следния интернет адрес: https://shelly.link/1L_Gen3_DoC
Изхвърляне и рециклиране
Не изхвърляйте продукта в битовия отпадък. Рециклирайте продукта, за да предотвратите замърсяване на околната среда и увреждане на здравето, както и за да насърчите пестенето на ресурси. Изхвърлете продукта в подходящ пункт за събиране на отпадъци на Ваша отговорност.
Дилърите, от които е закупено Устройството, са длъжни да приемат безплатно отпадъчно електрическо и електронно оборудване (WEEE).
Някои електронни продукти могат да съхраняват лични данни. Потребителят е отговорен за изтриването на тези данни преди изхвърляне на Устройството. За изтриване, нулирайте Устройството до фабричните му настройки.
Производител: Шелли Юръп ЕООД
Адрес: бул. „Черни връх“ 51, сграда 3, ет. 2-3, София 1407, България
Тел.: +359 2 988 7435
Имейл: support@shelly.cloud
Официален уебсайт: https://www.shelly.com
Промените в информацията за контакт се публикуват от производителя на официалния уебсайт. Всички права върху търговската марка Shelly® и други интелектуални права, свързани с това Устройство, принадлежат на Шелли Юръп ЕООД.