Shelly Plug US Gen4

Device identification
Device name: Shelly Plug US Gen4
Device model: S4PL-00116US
Device SSID: ShellyPlugUSG4-XXXXXXXXXXXX
BLE ID: 0x1852
Short description
Shelly Plug US Gen4 is a compact smart plug with multi-protocol connectivity, power metering and LED indication. It enables you to transform your home and office into an efficient space by automating your plugged-in appliances effortlessly. You can control and monitor lighting, heating, or any other plugged-in electrical appliance up to 1800 W, wherever you are and create personalized schedules to power device on or off based on time of day, day of week, day of year, even sunrise and sunset. Say goodbye to waster energy and hello to lower energy bills!
Shelly Plug US Gen4 offers multi-protocol support, enabling Wi-Fi, Zigbee, and Bluetooth connectivity and comes with a built-in Web Interface for monitoring, controlling, and adjusting its settings. It is also equipped with power measurement capabilities and safeguards against overheating, overvoltage, overcurrent, and overpower.
Main features
Supports up to 15 A (1800 W) with protection against overheating, overvoltage, overcurrent, and overpower
Provides power metering for energy monitoring
Features a multicolor LED indicator for status feedback
Reports three light levels – bright, twilight, and dark
Matter-certified for broad ecosystem compatibility
Works with Apple HomeKit for control via the Apple Home app or Siri
Compatible with third-party platforms and the Shelly Smart Control app
Acts as Wi-Fi extender, BLE gateway, and Zigbee router
Supports schedules, scenes, and local actions
Enables scripting for local automation and custom logic
Use cases
Never forget about your appliances again!
Easily monitor and control all your plugged-in appliances with just a few clicks on your phone. The Shelly Plug US Gen4 is equipped with an integrated countdown timer and locally stored schedules, allowing it to automatically switch off any forgotten device after an hour to help you save energy.
For instance, you can manage appliances like irons, smaller ovens, and electric radiators effortlessly.Avoid unnecessary energy waste by automating your electrical appliances:
Take a step towards efficiency by automating the appliances in your office that remain idle at night or during the weekend. Simply incorporate the Shelly Plug US Gen4 to enable smart schedules that automatically power off unused electrical devices between 7:00 PM and 7:00 AM on weekdays, as well as between 7:00 PM on Friday and 7:00 AM on Monday. This thoughtful approach will halve the energy consumption of these appliances, leading to a significant reduction in your monthly energy costs.
For instance, you can use these schedules to automate smaller ovens, heating electrical radiators, and IR heaters.Air purifier that follows the air conditions:
Living in a bustling city exposes you to high levels of air pollution, particularly in the fall and winter months. With Shelly Plug US Gen4 scripting capabilities, you have the power to retrieve data directly from air pollution control systems. This allows you to program your existing air purifier to activate automatically when outdoor pollution levels rise.
For instance, through scripting, you can seamlessly automate your air purifier device, regulating its operation based on real-time data from third-party sources.Enhance your nighttime experience:
Experience a soothing color night light feature with customizable settings.
By activating the Night mode, you can enjoy a dimmed LED indication on your Shelly Plug US Gen4 during the night hours. This gentle glow ensures you have a peaceful and uninterrupted night's sleep.Mildly dimmed night light for children's comfort:
Now, you have the option to customize both the color and the intensity of the glow for your Shelly Plug US Gen4 LED indicator. This feature allows you to create a gentle and soothing light source in the kids' room during the night, ensuring their comfort and peace of mind.
Main applications
Residential
MDU (Multi Dwelling Units - apartments, condominiums, hotels, etc.)
Light commercial (small office buildings, small retail/restaurant/gas station, etc.)
Government/municipal
University/college
Integrations
Amazon Alexa supported capabilities
Power Controller
Google Smart Home supported traits
On Off
Samsung SmartThings supported capabilities
Switch
Power Meter
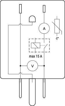
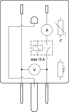
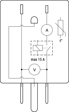
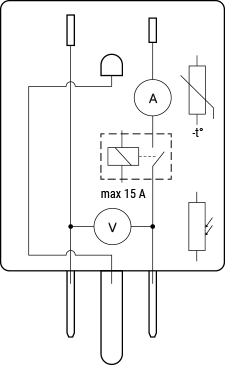
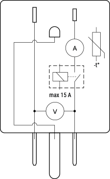
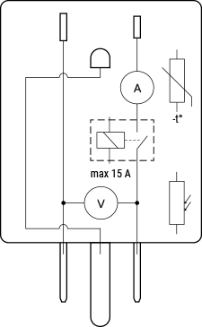
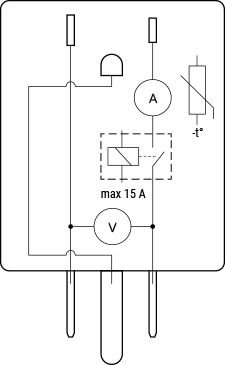
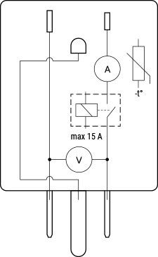
Simplified internal schematics

Device electrical interfaces
Input
1 NEMA 5-15 (Type-B) plug
Output
1 NEMA 5-15 (Type-B) socket
Connectivity
Wi-Fi
Bluetooth
Zigbee
Safety function
Overheating protection
Overvoltage protection
Overcurrent protection
Overpower protection
Supported load types
Resistive (incandescent bulbs, heating devices)
Capacitive (capacitor banks, electronic equipment, motor start capacitors)
Inductive (LED light drivers, transformers, fans, refrigerators, air-conditioners)
User interface
Inputs
One push button
Press to turn the output On/Off.
Press and hold for 3 sec to check status (Possible only when the output is Off).
Press and hold for 5 sec to reboot (Possible up to 60 sec after plugging in the Device).
Press and hold for 10 sec to factory reset (Possible up to 60 sec after plugging in the Device).
Three rapid consecutive pushes to activate Zigbee commissioning mode. This enables the Device to connect to a Zigbee network (pairing mode).
Five rapid consecutive pushes to switch the Device from Matter firmware (default) to Zigbee firmware.
Outputs
LED indication
When plugged for the first time:
Blue light flashing, indicating AP mode.
When plugged/powered again after being successfully connected to a Wi-Fi network:
Red light flashing slowly, indicating the the Device is reconnecting to the Wi-Fi network.
Constant red light, indicating that the Device cannot reconnect to the Wi-Fi network.
When output is On:
Power consumption represented by a smooth color change (Default):
Green light at 0% of power limit set
Yellow light at 50% of power limit set
Red light at 100% of power limit set
User can select the brightness (Default brightness - 100%).
Custom color (Default color - Green, Default brightness - 100%)
Off
When output is Off:
Off (Default):
Custom color (Default color - Red, Default brightness - 100%)
When OTA update is in progress:
Red light flashing
When in Zigbee commissioning mode:
Purple light flashing slowly
When in Zigbee device identification mode:
Yellow light flashing slowly
Specifications
Quantity | Value |
|---|---|
Physical | |
Size (HxWxD): | 38x64x51 mm / 1.50x2.52x2.01 inch |
Weight: | 64 g / 2.25 oz |
Compatible plugs: | NEMA 5-15 (Type-B) |
Compatible sockets: | NEMA 1-15 (Type-A) and NEMA 5-15 (Type-B) |
Shell material: | Plastic |
Shell color: |
|
Environmental | |
Ambient working temperature: | -20 °C to 40 °C / -5 °F to 105 °F |
Humidity: | 30 % to 70 % RH |
Max. altitude: | 2000 m / 6562 ft |
Glow-wire temperature: | 750 °C |
Pollution degree: | 2 |
Required forced cooling: | No |
Electrical | |
Power supply: | 120 V~ 60 Hz |
Power consumption: | < 1.5 W |
Rated impulse-withstand voltage: | 1500 V |
Output circuits ratings | |
Max. switching voltage: | 120 V~ |
Max. switching current: | 15 A |
Max. output power: | 1800 W (resistive load only) |
Number of switching cycles: | 10000 |
Overvoltage category: | II |
Duty-type: | S1 |
Switch type: | One-way |
Switch configuration: | SPNO (single-pole, normally-open) |
Type of circuit disconnection: | Micro |
Sensors, meters | |
Voltmeter (AC): | Yes |
Ammeter (AC): | Yes |
Power and energy meters: | Yes |
Internal-temperature sensor: | Yes |
Light sensor: | Yes |
Radio | |
Wi-Fi | |
Protocol: | 802.11 b/g/n/ax |
RF band: | 2401 - 2473 МHz |
Max. RF power: | < 20 dBm |
Range: | Up to 30 m / 100 ft indoors and 50 m / 160 ft outdoors |
Bluetooth | |
Protocol: | 5 (LE) |
RF band: | 2402 - 2480 MHz |
Max. RF power: | < 20 dBm |
Range: | Up to 10 m / 33 ft indoors and 30 m / 100 ft outdoors |
Zigbee | |
Protocol: | 802.15.4 |
RF bands: | 2405 to 2480 MHz |
Max. RF power: | < 20 dBm |
Range: | Up to 100 m / 328 ft indoors and 300 meters / 984 ft outdoors |
Microcontroller unit | |
CPU: | ESP-Shelly-C68F |
Flash: | 8 MB |
Firmware capabilities | |
Schedules: | 20 |
Advanced schedules: | Yes |
Webhooks (URL actions): | 20 with 5 URLs per hook |
Scripting: | Yes |
MQTT: | Yes |
UDP: | Yes |
Encryption: | Yes |
KVS (Key-Value Store): | Yes |
Shelly Smart Control
Components and APIs
Printed user guide
Shelly Plug US Gen4 printed user and safety guide.pdf