Ръководство за употреба и безопасност (Shelly Pro 4PM)
Четириканален умен Wi-Fi ключ за монтаж на DIN шина с функция за измерване на мощност
Наричан в този документ "Устройството"
За безопасна и правилна употреба следвайте тези инструкции. Запазете ги за бъдеща справка.
Този знак обозначава информация, свързана с безопасност.
Този знак обозначава важна бележка.
Информация за безопасност
За да избегнете възможна вреда, прочетете и следвайте тези инструкции.
ПРЕДУПРЕЖДЕНИЕ!
Риск от токов удар. Монтажът на Устройството към електрическата мрежа трябва да се извърши внимателно от квалифициран електротехник.
Преди да инсталирате Устройството, изключете прекъсвачите. Използвайте подходящо тестово Устройство, за да се уверите, че няма напрежение върху проводниците, които искате да свържете. Когато сте сигурни, че няма напрежение, продължете с инсталирането.
Преди да правите каквито и да е промени по връзките, уверете се, че на терминалите на Устройството няма напрежение.
ВНИМАНИЕ!
Включвайте или изключвайте LAN кабела само когато Устройството е изключено. Частите на LAN кабела, които могат да бъдат докоснати при включването или изключването му, не трябва да са метални.
Свързвайте Устройството само към електрическа мрежа и уреди, които отговарят на всички приложими разпоредби. Късо съединение в електрическата мрежа или който и да е уред, свързан към Устройството, може да причини пожар, материални щети и токов удар.
Устройството може да се свързва и да управлява само електрически вериги и уреди, които отговарят на приложимите стандарти и норми за безопасност.
Не свързвайте Устройството към уреди, които превишават посоченото максимално електрическо натоварване.
Свързвайте Устройството само по начина, показан в тези инструкции. Всеки друг метод може да причини повреда и/или нараняване.
Устройството и свързаните към него уреди трябва да бъдат обезопасени с предпазител на кабела в съответствие с EN60898-1 (характеристика на изключване B или C, макс. 16 A номинален ток, мин. 6 kA прекъсваща способност, клас на ограничаване на енергията 3).
Не използвайте Устройството, ако то показва признаци на повреда или дефект.
Не се опитвайте да поправяте Устройството сами.
Устройството е предназначено само за употреба на закрито.
Пазете Устройството от замърсявания и влага.
Не позволявайте на деца да си играят с бутоните/превключвателите, свързани към Устройството. Дръжте устройствата (мобилни телефони, таблети, компютри) за дистанционно управление на Shelly далеч от деца.
Описание на устройството
Shelly Pro 4PM е 4-канален еднофазен интелигентен ключ с функция за измерване на мощността за всеки отделен канал. Той е предназначен за монтаж в разпределителни табла на DIN шина. Усъвършенствано с гъвкавост на фърмуера от второ поколение и LAN свързаност, устройството предоставя на професионалните интегратори много повече възможности за решения за крайни клиенти.
Уеб интерфейс
Устройството има вграден уеб интерфейс за наблюдение, управление и настройка. Уеб интерфейсът е достъпен на адрес http://192.168.33.1 при директна връзка към точката за достъп на устройството или на неговия IP адрес при достъп от същата мрежа. За повече информация посетете https://shelly-link/webui-guide.
Фърмуер
Устройството се предлага с фабрично инсталиран фърмуер. Винаги използвайте най-новата версия на фърмуера. Редовно проверявайте за актуализации чрез уеб интерфейса или приложението Shelly Smart Control
API
Устройството може да има достъп и да взаимодейства с други интелигентни устройства или системи за автоматизация, ако те са в една и съща мрежова инфраструктура. Шелли Юръп ЕООД предоставя API за устройствата, тяхната интеграция и облачен контрол. За повече информация посетете https://shelly-api-docs.shelly.cloud .
Инструкции за монтаж
ЗАБЕЛЕЖКА
Препоръчваме използването на масивни едножилни проводници или усукани проводници с накрайници. Изолацията на проводниците трябва да бъде устойчива на висока температура – не по-малко от PVC T105°C (221°F).
Не използвайте бутони или ключове с вградени LED или неонови лампи.
При свързване на проводници към клемите на устройството, спазвайте изискванията за напречно сечение и дължина на оголената част. Не свързвайте няколко проводника към една и съща клема.
От съображения за сигурност, след като успешно свържете устройството към локалната Wi-Fi мрежа, препоръчваме да изключите или защитите с парола неговата Wi-Fi точка за достъп (AP).
За фабрично нулиране натиснете и задръжте бутона Reset/Control за 10 секунди.
За активиране на точката за достъп и Bluetooth задръжте бутона Reset/Control за 5 секунди.

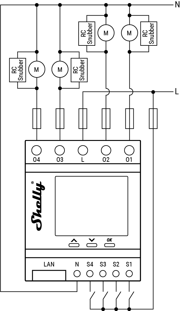
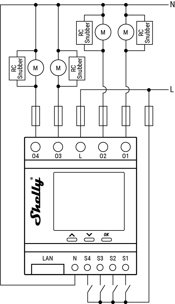
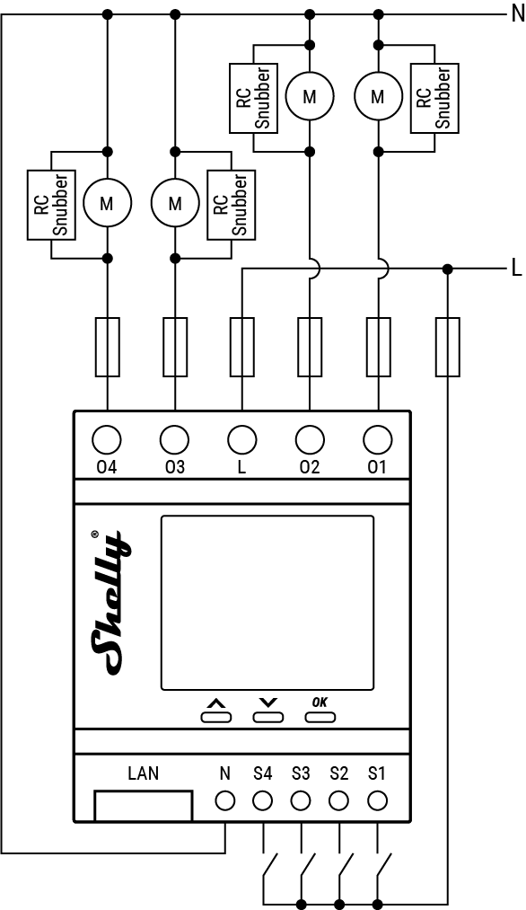
Фиг. 1
Свържете четирите вериги на товарите към клемите O1, O2, O3, O4 и нулата, както е показано на Фиг. 1.
Свържете клемата L на устройството към предпазител с мощност 40 A (максимален ток).
Свържете клемата N към нулата.
Накрая свържете четирите вериги на ключовете към входните клеми S1, S2, S3, S4 и предпазител 40 A.
За индуктивни товари свържете RC Snubber паралелно на товара (Фиг. 2).

Фиг. 2
Индикации на дисплея
На LCD дисплея се показва горна лента с кратка информация за състоянието:
Време
Състояние на Bluetooth връзката:
Деактивирана - няма икона
Включена - синя икона ()
Състояние на LAN:
Изключена - няма икона
Разрешен, но не е свързан - червена икона ()
Свързана - зелена икона ()
Състояние на Wi-Fi STA:
Деактивиран - няма икона
Разрешен, но не е свързан - червена икона ()
Свързан - зелена икона ()
Wi-Fi AP satus:
Деактивиран - няма икона
Активиран - зелена икона ()
Състояние на облака:
Деактивиран - няма икона
Разрешен, но не е свързан - червена икона ()
Свързан - зелена икона ()
В основната част на LCD дисплея се показват екраните на менюто на устройството:
Основен екран (по подразбиране):
Изход 1 Изключен или показва мощността във ватове, когато е включен
Изход 2 ИЗКЛЮЧЕН или показва мощност във ватове, когато е включен
Изход 3 ИЗКЛЮЧЕН или показва мощност във ватове, когато е включен
Изход 4 ИЗКЛЮЧЕН или показва мощност във ватове, когато е включен
Мрежа:
Включване/изключване на Wi-Fi AP
Разрешаване/изключване на Wi-Fi STA
Разрешаване/изключване на Ethernet
Разрешаване/изключване на Bluetooth
Състояние - Показва пълна информация за състоянието
Поддръжка
Нулиране на Wi-Fi
Възстановяване на фабричните настройки
Рестартиране
Бутони за управление
Натиснете бутона нагоре (▲ ) или надолу (▼), за да превъртите текущо показаното меню.
Натиснете бутона OK, за да събудите дисплея на устройството или за да изберете елемент от менюто
Натиснете и задръжте бутона OK, за да влезете в екрана на менюто
Натиснете и задръжте бутона OK, докато сте в подменю, за да преминете към главното меню
Спецификации
Физически
Размер (HxWxD): 96x53x59 мм (3,78x2,01x2,32 инча)
Тегло: 150 g / 5,29 oz
Максимален въртящ момент на винтовите клеми: 0,4 Nm / 3,5 lbin
Сечение на проводника: от 0,5 до 2,5 mm² / от 20 до 14 AWG
Дължина на оголения проводник: 6 до 7 mm / 0,24 до 0,28 инча
Монтаж: DIN шина
Материал на корпуса: Пластмаса
Цвят на корпуса: черен
Околна среда
Работна температура на околната среда: -20°C до 40°C / -5°F до 105°F
Влажност на въздуха: от 30% до 70% RH
Максимална надморска височина: 2000 m / 6562 ft
Електрически
Захранване: 110-240 V~ 50/60 Hz
Консумация на енергия: < 4 W
Оценки на изходните вериги
Максимално напрежение на превключване: 250 V~
Максимален ток на превключване:
16 A на канал
Общо 40 A
Сензори, измервателни уреди
Волтметър (AC): Да
Амперметър (AC): Да
Вътрешен температурен сензор: Да
Радио
Wi-Fi
Радиочестотна лента: 2400-2495 МHz
Макс. RF мощност: < 20 dBm
Протокол: 802.11 b/g/n
Обхват: До 50 м / 164 фута на открито, до 30 м / 98 фута на закрито (в зависимост от местните условия)
Bluetooth
Протокол: 4.2
Обхват: До 30 м на открито, до 10 м на закрито (в зависимост от местните условия)
Микроконтролер
Процесор: ESP32
Флаш-памет: 8 MB
Възможности на фърмуера
Графици: 20
Уебхукове (действия на URL): 20 с по 5 URL адреса на уебхук
Скриптиране: Да
MQTT: Да
Отстраняване на неизправности
В случай че срещнете проблеми с инсталирането или работата на Устройството, проверете неговата база за знания страница: https://shelly.link/Pro4PM_V3
Декларация за съответствие
С настоящото Шелли Юръп ЕООД декларира, че радиооборудването тип Shelly Pro 4PM е в съответствие с Директива 2014/53/ЕС, 2014/35/ЕС, 2014/30/ЕС, 2011/65/ЕС. Пълният текст на ЕС декларацията за съответствие е достъпен на следния интернет адрес: https://shelly.link/Pro4PM_V3_DoC.
Изхвърляне и рециклиране
Не изхвърляйте продукта в битови отпадъци. Рециклирайте продукта, за да предотвратите щети на околната среда и здравето и за насърчаване на опазването на ресурсите. Изхвърлете продукта на подходящо място за събиране на отпадъци на ваша отговорност.
Препродавачите, от които е закупено Устройството, са длъжни да приемат отпадъци от електрическо и електронно оборудване (ОЕЕО) безплатно за правилното обезвреждане.
Някои електронни продукти могат да съхраняват лични данни. Потребителят носи отговорност за изтриването на тези данни преди изхвърлянето на Устройството. За изтриване нулирайте устройството до фабричните настройки.
Производител
Шелли Юръп ЕООД
Адрес: бул. Черни връх 51, бул. 3, ет. 2-3, 1407 София, България, Тел. +359 2 988 7435, Електронна поща: support@shelly.cloud, Официален сайт: https://www.shelly.com
Промените в информацията за контакт се публикуват от производителя на официалния уебсайт.
Всички права върху търговската марка Shelly® и други интелектуални права, свързани с това устройство, принадлежат на Shelly Europe Ltd.