Ръководство за употреба и безопасност (Shelly Pro 3EM-3CT63)
Еднофазен или трифазен електромер за монтаж на DIN шина
Наричан в този документ "Устройството"
За безопасна и правилна употреба следвайте тези инструкции. Запазете ги за бъдеща справка.
Този знак обозначава информация, свързана с безопасност.
Този знак обозначава важна бележка.
Информация за безопасност
За да избегнете възможна вреда, прочетете и следвайте тези инструкции.
ПРЕДУПРЕЖДЕНИЕ!
Риск от токов удар. Монтажът на Устройството към електрическата мрежа трябва да се извърши внимателно от квалифициран електротехник.
Преди да инсталирате Устройството, изключете прекъсвачите. Използвайте подходящо тестово Устройство, за да се уверите, че няма напрежение върху проводниците, които искате да свържете. Когато сте сигурни, че няма напрежение, продължете с инсталирането.
Преди да правите каквито и да е промени по връзките, уверете се, че на терминалите на Устройството няма напрежение.
ВНИМАНИЕ!
Включвайте или изключвайте LAN кабела само когато Устройството е изключено. Частите на LAN кабела, които могат да бъдат докоснати при включването или изключването му, не трябва да са метални.
Свързвайте Устройството само към електрическа мрежа и уреди, които отговарят на всички приложими разпоредби. Късо съединение в електрическата мрежа или който и да е уред, свързан към Устройството, може да причини пожар, материални щети и токов удар.
Устройството може да се свързва и да управлява само електрически вериги и уреди, които отговарят на приложимите стандарти и норми за безопасност.
Не свързвайте Устройството към уреди, които превишават посоченото максимално електрическо натоварване.
Свързвайте Устройството само по начина, показан в тези инструкции. Всеки друг метод може да причини повреда и/или нараняване.
Устройството и свързаните към него уреди трябва да бъдат обезопасени с предпазител на кабела в съответствие с EN60898-1 (характеристика на изключване B или C, макс. 16 A номинален ток, мин. 6 kA прекъсваща способност, клас на ограничаване на енергията 3).
Не използвайте Устройството, ако то показва признаци на повреда или дефект.
Не се опитвайте да поправяте Устройството сами.
Устройството е предназначено само за употреба на закрито.
Пазете Устройството от замърсявания и влага.
Не позволявайте на деца да си играят с бутоните/превключвателите, свързани към Устройството. Дръжте устройствата (мобилни телефони, таблети, компютри) за дистанционно управление на Shelly далеч от деца.
Описание на устройството
Shelly Pro 3EM-3CT63 е еднофазен или трифазен електромер, който може да се монтира на DIN шина. Той отчита натрупаната енергия, както и моментното напрежение, ток, активна и привидна мощност за фаза/канал в реално време. То съхранява данни в енергонезависима памет, които могат да се извличат за период до 60 дни на интервали от 1 минута.
Уеб интерфейс
Устройството има вграден уеб интерфейс за наблюдение, управление и настройка. Уеб интерфейсът е достъпен на адрес http://192.168.33.1 при директна връзка към точката за достъп на устройството или на неговия IP адрес при достъп от същата мрежа. За повече информация посетете https://shelly-link/webui-guide.
Фърмуер
Устройството се предлага с фабрично инсталиран фърмуер. Винаги използвайте най-новата версия на фърмуера. Редовно проверявайте за актуализации чрез уеб интерфейса или приложението Shelly Smart Control
API
Устройството може да има достъп и да взаимодейства с други интелигентни устройства или системи за автоматизация, ако те са в една и съща мрежова инфраструктура. Шелли Юръп ЕООД предоставя API за устройствата, тяхната интеграция и облачен контрол. За повече информация посетете https://shelly-api-docs.shelly.cloud .
Инструкции за монтаж
ЗАБЕЛЕЖКА
Препоръчваме използването на масивни едножилни проводници или усукани проводници с накрайници. Изолацията на проводниците трябва да бъде устойчива на висока температура – не по-малко от PVC T105°C (221°F).
Не използвайте бутони или ключове с вградени LED или неонови лампи.
При свързване на проводници към клемите на устройството, спазвайте изискванията за напречно сечение и дължина на оголената част. Не свързвайте няколко проводника към една и съща клема.
От съображения за сигурност, след като успешно свържете устройството към локалната Wi-Fi мрежа, препоръчваме да изключите или защитите с парола неговата Wi-Fi точка за достъп (AP).
За фабрично нулиране натиснете и задръжте бутона Reset/Control за 10 секунди.
За активиране на точката за достъп и Bluetooth задръжте бутона Reset/Control за 5 секунди.

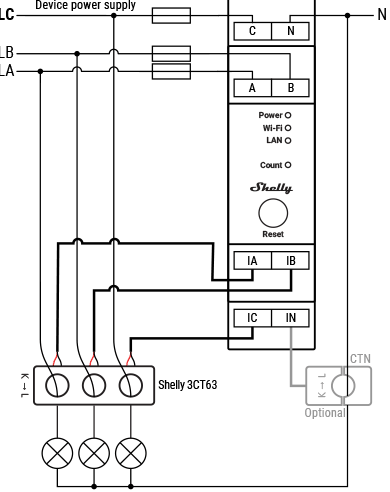
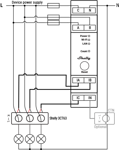
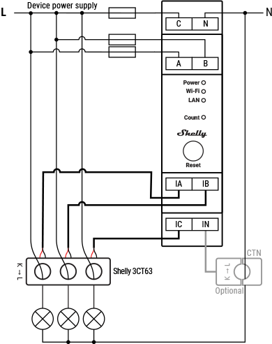
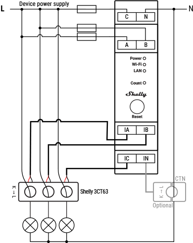
Фиг. 1

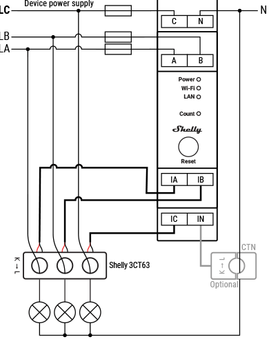
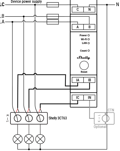
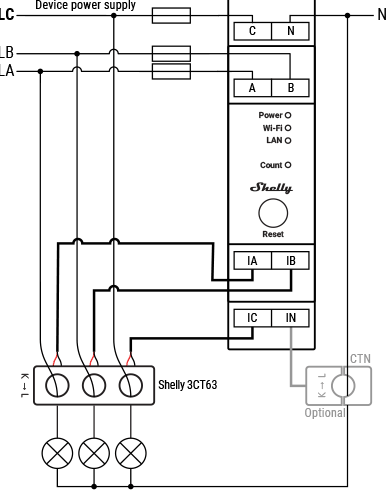
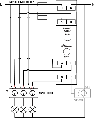
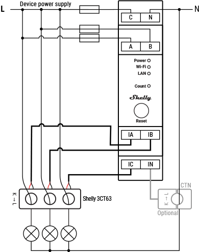
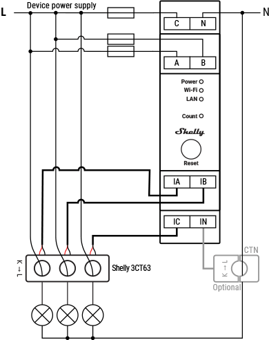
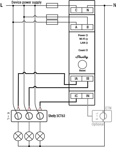
Фиг. 2
Легенда:
Клеми
А: Клема за фаза А
B: Клема за фаза B
C: Клема за фаза C
N: Клема за нула
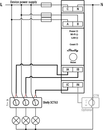
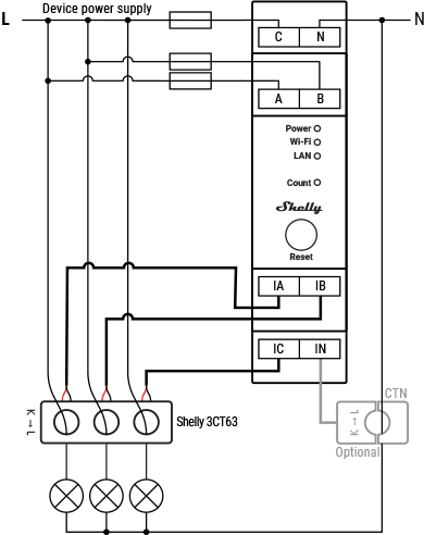
IA: Вход на токов трансформатор за фаза А
IB: Вход на токов трансформатор за фаза В
IC: Вход на токов трансформатор за фаза C
IN: Вход на токов трансформатор за нула
Проводници
LA: Фаза А (110-240 V~)
LB: Фаза В (110-240 V~)
LC: Фаза C (110-240 V~)
N: Нула
Токови трансформатори
3CT63: 3-фазен токов трансформатор/63A
CTN: Токов трансформатор за нула (не е включен в комплекта)
K->L: посока на измервания енергиен поток
Свържете фазовите проводници LA, LB и LC към съответните фазови входни клеми на Устройството A, B и C, както е показано на Фиг. 1.
При еднофазово свързване, свържете проводника на фазата (L) към всички входни фазови клеми (A, B и C), както е показано на Фиг. 2.
Устройството се захранва през клемата C.
Свържете нулата към входната клема N.

Фиг. 3 Преглед на инсталацията на Shelly 3CT63
Инсталиране на токовия трансформатор Shelly 3CT63
Свържете оголените краища на 3-те сигнални кабела към съответните клеми Shelly 3CT63, като следвате цветовата маркировка BK-RD (Black-Red), както е показано на Фиг. 3.
Включете конекторите на сигналните кабели към клемите на токовия вход Shelly Pro 3EM-3CT63 (IA, IB и IC).
Прокарайте фазовите проводници LA, LB и LC, които пренасят токовете, които искате да измервате, през отворите на проводниците на Shelly 3CT63. За еднофазна настройка прокарайте жичните проводници (L) през отворите на проводника (Фиг. 3).
Уверете се, че всеки фазов проводник преминава през правилния отвор, като следвате стриктно схемата на свързване (Фиг. 1). Например фазовият проводник LA трябва да премине през бобината, свързана към входната клема на устройството IA.
Следвайте маркировката K->L върху токовия трансформатор за правилно измерване на енергийния поток.
Потребителски интерфейси
LED индикация
Захранване: Червена светлина, ако е включено захранване.
Wi-Fi (варира):
Синя светлина, ако е в режим AP.
Червена светлина, ако сте в режим STA и не сте свързани към Wi-Fi мрежа.
Жълта светлина, ако сте в режим STA и сте свързани към Wi-Fi мрежа. Не е свързан към Shelly Cloud или Shelly Cloud е изключен.
Зелена светлина, ако сте в режим STA и сте свързани към Wi-Fi мрежа и Shelly Cloud.
Светодиодът мига в червено/синьо, ако е в ход OTA актуализация.
LAN: Зелена светлина, ако е свързана локална мрежа.
Брояч: Червената светлина ще мига, когато устройството измерва енергия според настройките с честота, зависеща от енергията, преминаваща през измерваната верига.
Бутон:
Натиснете и задръжте за 5 секунди, за да активирате устройството AP.
Натиснете и задръжте за 10 секунди, за да възстановите фабричните настройки.
Спецификации
Физически
Размер (HxWxD):
Shelly Pro 3EM-3CT63: 94x19x69 mm / 3,70x0,75x2,71 in
Shelly 3CT63: 14x54x26 mm / 0,55x2,12x1,02 in
Тегло:
Shelly Pro 3EM-3CT63: 62 g / 2,19 oz
Shelly 3CT63: 32 g / 1,12 oz
Отвор на CT: Ø9 mm / Ø0,35 in
Диаметър на проводника: 6 mm / 10 AWG
Максимален въртящ момент на винтовите клеми: 0,4 Nm / 3,5 lbin
Сечение на проводника:
Shelly Pro 3EM-3CT63: 0,5 до 2,5 mm² / 20 до 14 AWG (плътни, многожични и с накрайници)
Shelly Pro 3CT63: 0,2 до 2,5 mm² / 24 до 14 AWG (плътни, многожични и бутафорни накрайници)
Дължина на оголения проводник: 6 до 7 mm / 0,24 до 0,28 инча
Монтаж:
Shelly Pro 3EM-3CT63: DIN шина
Shelly Pro 3CT63: Свободно стоящ върху фазови проводници
Материал на корпуса: Пластмаса
Цвят на корпуса: бял
Околна среда
Работна температура на околната среда: -20°C до 40°C / -5°F до 105°F
Влажност на въздуха: 30% до 70% RH
Максимална надморска височина: 2000 m / 6562 ft
Електрически
Захранване: 100 - 260 V~ 50/60 Hz
Консумация на енергия: < 3 W
Електрическа устойчивост на Shelly 3CT63: 1000 V~, 60 сек.
Сензори, измервателни уреди
Сензор за вътрешна температура: Да
Волтметри (RMS за всяка фаза): 100 - 260 V
Точност на волтметъра: ±1 %.
Амперметри (средноквадратична стойност чрез CT за всяка фаза и неутралата): 0 - 63 A
Съвместим CT: 3CT63
Точност на амперметрите:
±1 % (2 - 63 A),
±2 % (1 - 2 A),
±5 % (0 - 1 A)
Измерватели на мощност и енергия:
Активна и привидна мощност
Активна и привидна енергия
Фактор на мощността
Фундаментална активна и фундаментална реактивна енергия
Минимално натоварване при калибриране между каналите: 500 W на канал
Праг на липса на натоварване: 30 VA на канал
Съхраняване на данните от измерването: Най-малко 60 дни с разделителна способност на данните от 1 мин.
Експорт на данни:
CSV за записаните стойности на PQ
Експорт във формат JSON чрез RPC
Радио
Wi-Fi
Радиочестотна лента: 2400 - 2495 MHz
Макс. RF мощност: < 20 dBm
Протокол: 802.11 b/g/n
Обхват: До 50 м на открито, до 30 м на закрито (в зависимост от местните условия)
Bluetooth
Протокол: 4.2
Радиочестотна лента: 2400-2483,5 MHz
Макс. RF мощност: <4 dBm
Обхват: До 30 м на открито, до 10 м на закрито (в зависимост от местните условия)
Микроконтролер
Процесор: ESP32-D0WDQ6
Flash: 16 MB
Възможности за фърмуер
Уебхукове (действия с URL): 20 с по 5 URL адреса на уебхук
Удължител на обхвата на Wi-Fi: Да
BLE гейтуей: Да
Скриптиране: Да
MQTT: Да
Криптиране: Да
Отстраняване на неизправности
В случай че срещнете проблеми с инсталирането или работата на Устройството, страница в базата знания https://shelly.link/pro_3EM-3CT63 .
Декларация за съответствие
С настоящото Шелли Юръп ЕООД декларира, че радиооборудването тип Shelly Pro 3EM-3CT63 е в съответствие с Директива 2014/53/ЕС, 2014/35/ЕС, 2014/30/ЕС, 2011/65/ЕС. Пълният текст на ЕС декларацията за съответствие е достъпен на следния интернет адрес: https://shelly.link/pro_3EM-3CT63_DoC.
Изхвърляне и рециклиране
Не изхвърляйте продукта в битови отпадъци. Рециклирайте продукта, за да предотвратите щети на околната среда и здравето и за насърчаване на опазването на ресурсите. Изхвърлете продукта на подходящо място за събиране на отпадъци на ваша отговорност.
Препродавачите, от които е закупено Устройството, са длъжни да приемат отпадъци от електрическо и електронно оборудване (ОЕЕО) безплатно за правилното обезвреждане.
Някои електронни продукти могат да съхраняват лични данни. Потребителят носи отговорност за изтриването на тези данни преди изхвърлянето на Устройството. За изтриване нулирайте устройството до фабричните настройки.
Производител
Шелли Юръп ЕООД
Адрес: бул. Черни връх 51, бул. 3, ет. 2-3, 1407 София, България, Тел. +359 2 988 7435, Електронна поща: support@shelly.cloud, Официален сайт: https://www.shelly.com
Промените в информацията за контакт се публикуват от производителя на официалния уебсайт.
Всички права върху търговската марка Shelly® и други интелектуални права, свързани с това устройство, принадлежат на Shelly Europe Ltd.