Ръководство за употреба и безопасност (Shelly Pro 3EM)
Трифазен електромер
Наричан в този документ "Устройството"
За безопасна и правилна употреба следвайте тези инструкции. Запазете ги за бъдеща справка.
Този знак обозначава информация, свързана с безопасност.
Този знак обозначава важна бележка.
Информация за безопасност
За да избегнете възможна вреда, прочетете и следвайте тези инструкции.
ПРЕДУПРЕЖДЕНИЕ!
Риск от токов удар. Монтажът на Устройството към електрическата мрежа трябва да се извърши внимателно от квалифициран електротехник.
Преди да инсталирате Устройството, изключете прекъсвачите. Използвайте подходящо тестово Устройство, за да се уверите, че няма напрежение върху проводниците, които искате да свържете. Когато сте сигурни, че няма напрежение, продължете с инсталирането.
Преди да правите каквито и да е промени по връзките, уверете се, че на терминалите на Устройството няма напрежение.
ВНИМАНИЕ!
Включвайте или изключвайте LAN кабела само когато Устройството е изключено. Частите на LAN кабела, които могат да бъдат докоснати при включването или изключването му, не трябва да са метални.
Свързвайте Устройството само към електрическа мрежа и уреди, които отговарят на всички приложими разпоредби. Късо съединение в електрическата мрежа или който и да е уред, свързан към Устройството, може да причини пожар, материални щети и токов удар.
Устройството може да се свързва и да управлява само електрически вериги и уреди, които отговарят на приложимите стандарти и норми за безопасност.
Не свързвайте Устройството към уреди, които превишават посоченото максимално електрическо натоварване.
Свързвайте Устройството само по начина, показан в тези инструкции. Всеки друг метод може да причини повреда и/или нараняване.
Устройството и свързаните към него уреди трябва да бъдат обезопасени с предпазител на кабела в съответствие с EN60898-1 (характеристика на изключване B или C, макс. 16 A номинален ток, мин. 6 kA прекъсваща способност, клас на ограничаване на енергията 3).
Не използвайте Устройството, ако то показва признаци на повреда или дефект.
Не се опитвайте да поправяте Устройството сами.
Устройството е предназначено само за употреба на закрито.
Пазете Устройството от замърсявания и влага.
Не позволявайте на деца да си играят с бутоните/превключвателите, свързани към Устройството. Дръжте устройствата (мобилни телефони, таблети, компютри) за дистанционно управление на Shelly далеч от деца.
Описание на устройството
Shelly Pro 3EM е трифазен електромер, който може да се монтира на DIN шина. Устройството отчита натрупаната енергия, както и данни за напрежението, тока и фактора на мощността в реално време. То съхранява данните в енергонезависима памет за последващо извличане най-малко 60 дни с разделителна способност на данните 1 мин.
Уеб интерфейс
Устройството има вграден уеб интерфейс за наблюдение, управление и настройка. Уеб интерфейсът е достъпен на адрес http://192.168.33.1 при директна връзка към точката за достъп на устройството или на неговия IP адрес при достъп от същата мрежа. За повече информация посетете https://shelly-link/webui-guide.
Фърмуер
Устройството се предлага с фабрично инсталиран фърмуер. Винаги използвайте най-новата версия на фърмуера. Редовно проверявайте за актуализации чрез уеб интерфейса или приложението Shelly Smart Control
API
Устройството може да има достъп и да взаимодейства с други интелигентни устройства или системи за автоматизация, ако те са в една и съща мрежова инфраструктура. Шелли Юръп ЕООД предоставя API за устройствата, тяхната интеграция и облачен контрол. За повече информация посетете https://shelly-api-docs.shelly.cloud .
Инструкции за монтаж
ЗАБЕЛЕЖКА
Препоръчваме използването на масивни едножилни проводници или усукани проводници с накрайници. Изолацията на проводниците трябва да бъде устойчива на висока температура – не по-малко от PVC T105°C (221°F).
Не използвайте бутони или ключове с вградени LED или неонови лампи.
При свързване на проводници към клемите на устройството, спазвайте изискванията за напречно сечение и дължина на оголената част. Не свързвайте няколко проводника към една и съща клема.
От съображения за сигурност, след като успешно свържете устройството към локалната Wi-Fi мрежа, препоръчваме да изключите или защитите с парола неговата Wi-Fi точка за достъп (AP).
За фабрично нулиране натиснете и задръжте бутона Reset/Control за 10 секунди.
За активиране на точката за достъп и Bluetooth задръжте бутона Reset/Control за 5 секунди.

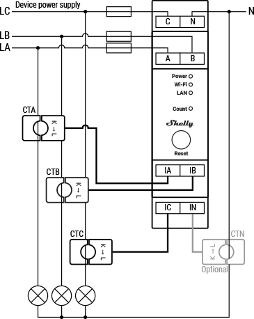
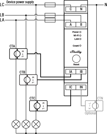
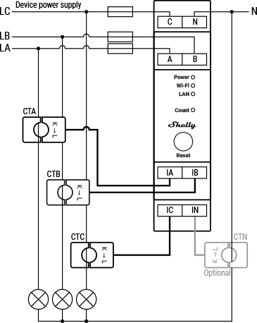
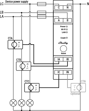
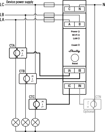
Фиг. 1
Легенда:
Клеми
А: Вход фаза А
B: Вход фаза B
C: Вход за фаза C и захранване на устройството
N: Вход за нула
IA: Вход за токов трансформатор фаза А (CTA)
IB: вход на токов трансформатор фаза В (CTB)
IC: Вход за токов трансформатор фаза С (CTC)
IN: Вход за токов трансформатор нула (CTN)
Проводници
LA: Фаза А (100-260 VAC)
LB: Фаза В (100-260 VAC)
LC: Фаза C (100-260 VAC)
N: нула
Преди да започнете монтирането/инсталирането на Устройството, проверете дали прекъсвачите са изключени и дали няма напрежение на клемите им. Това може да се направи с фазов тестер или мултиметър. Когато сте сигурни, че няма напрежение, можете да пристъпите към свързване на кабелите.
Следвайки схемата на Фиг. 1, монтирайте токовия трансформатор CTA около кабела на фаза А към товара(ите), CTB около кабела на фаза В към товара(ите) и CTC около кабела на фаза С към товара(ите). Инсталирайте CTN около проводника на нулата от товара(ите).
Монтирайте устройството върху DIN шината.
Включете кабелите на CTA, CTB и CTC съответно към входните конектори IA, IB и IC на устройството. Включете кабела CTN към IN.
Монтирайте предпазители в съответствие с местните разпоредби и свържете кабелите на фаза А, фаза В и фаза С през тях съответно към входовете на устройството A, B и C. Свържете проводника на нулата към входа N.
Устройството се захранва през входа C.
Уверете се, че сте направили правилно всички връзки, и след това включете прекъсвачите.
Използване на устройството в Shelly Cloud
Устройството може да бъде наблюдавано, управлявано и настройвано чрез нашата услуга за домашна автоматизация Shelly Cloud. Можете да използвате услугата чрез нашето мобилно приложение за Android, iOS или Harmony OS или чрез всеки интернет браузър на адрес https://control.shelly.cloud/ . Ако решите да използвате устройството с приложението и услугата Shelly Cloud, можете да намерите инструкции за свързване на устройството с облака и управлението му от приложението Shelly в ръководството за приложението: https://shelly.link/app-guide . Мобилното приложение Shelly и услугата Shelly Cloud не са предпоставки за правилното функциониране на Устройството. Това Устройство може да се използва самостоятелно или с различни други платформи за домашна автоматизация.
Потребителски интерфейси
LED индикация
Захранване: Червена светлина, ако е включено захранване.
Wi-Fi (варира):
Синя светлина, ако е в режим AP
Червена светлина, ако сте в режим STA и не сте свързани към Wi-Fi мрежа.
Жълта светлина, ако сте в режим STA и сте свързани към Wi-Fi мрежа. Не е свързан към Shelly Cloud или Shelly Cloud е изключен.
Зелена светлина, ако сте в режим STA и сте свързани към Wi-Fi мрежа и Shelly Cloud.
Светодиодът мига в червено/синьо, ако е в ход OTA актуализация.
LAN: Зелена светлина, ако е свързана локална мрежа.
Брояч: Червената светлина ще мига, когато устройството измерва енергия според настройките с честота, зависеща от енергията, преминаваща през измерваната верига.
Бутон:
Натиснете и задръжте за 5 секунди, за да активирате устройството AP
Натиснете и задръжте за 10 секунди, за да възстановите фабричните настройки
Спецификации
Размери (HxWxD): 94x19x69 mm / 3,70x0,75x2,71 in
Монтаж: DIN шина
Температура на околната среда: от -20 °C до 40 °C / от -5 °F до 105 °F
Влажност на въздуха: от 30 % до 70 % RH
Максимална надморска височина: 2000 m / 6562 ft
Захранване: 100 - 260 VAC, 50/60Hz
Консумация на електроенергия: < 3 W
Вътрешен температурен сензор: Да
Волтметри (RMS за всяка фаза): 100 - 260 V
Точност на волтметрите: ±1 %
Амперметри (средноквадратична стойност чрез CT за всяка фаза и неутралата): 0 - 120 A
Точност на амперметрите:
±1 % (2 - 120 A)
±2 % (1 - 2 A)
±5 % (0 - 1 A)
Откриване на грешки в последователността на фазите: Да (опция)
Измерватели за мощност и енергия:
Активна и привидна мощност
Активна и видима енергия
Фактор на мощността
Фундаментална активна и фундаментална реактивна енергия
Съхраняване на данните от измерванията: Най-малко 60 дни с разделителна способност на данните 1 min
Експорт на данни:
CSV за записаните стойности на PQ
Експорт във формат JSON чрез RPC
Радиочестотна лента: 2400 - 2495 MHz
Макс. RF мощност: < 20 dBm
Wi-Fi протокол: 802.11 b/g/n
Работен обхват на Wi-Fi (в зависимост от местните условия):
до 50 м на открито
до 30 м на закрито
Bluetooth протокол: 4.2
Работен обхват на Bluetooth (в зависимост от местните условия):
до 30 м на открито
до 10 м на закрито
Процесор: ESP32
Флаш-памет: 16 MB
Уебхукове (действия с URL): 20 с по 5 URL адреса на уебхук
Скриптове: mJS
MQTT: Да
Отстраняване на неизправности
В случай че срещнете проблеми с инсталирането или работата на Устройството, страница в базата знания https://kb.shelly.cloud/knowledge-base/shelly-pro-3em.
Декларация за съответствие
С настоящото Шелли Юръп ЕООД декларира, че радиооборудването тип Shelly Pro 3ЕМ е в съответствие с Директива 2014/53/ЕС, 2014/35/ЕС, 2014/30/ЕС, 2011/65/ЕС. Пълният текст на ЕС декларацията за съответствие е достъпен на следния интернет адрес: https://shelly.link/Pro3EM_DoC .
Изхвърляне и рециклиране
Не изхвърляйте продукта в битови отпадъци. Рециклирайте продукта, за да предотвратите щети на околната среда и здравето и за насърчаване на опазването на ресурсите. Изхвърлете продукта на подходящо място за събиране на отпадъци на ваша отговорност.
Препродавачите, от които е закупено Устройството, са длъжни да приемат отпадъци от електрическо и електронно оборудване (ОЕЕО) безплатно за правилното обезвреждане.
Някои електронни продукти могат да съхраняват лични данни. Потребителят носи отговорност за изтриването на тези данни преди изхвърлянето на Устройството. За изтриване нулирайте устройството до фабричните настройки.
Производител
Шелли Юръп ЕООД
Адрес: бул. Черни връх 51, бул. 3, ет. 2-3, 1407 София, България, Тел. +359 2 988 7435, Електронна поща: support@shelly.cloud, Официален сайт: https://www.shelly.com
Промените в информацията за контакт се публикуват от производителя на официалния уебсайт.
Всички права върху търговската марка Shelly® и други интелектуални права, свързани с това устройство, принадлежат на Shelly Europe Ltd.