Ръководство за употреба и безопасност (Shelly Pro 2PM)
Двуканален умен ключ за монтаж на DIN шина с функция за измерване на мощност и управление на щори
Наричан в този документ "Устройството"
За безопасна и правилна употреба следвайте тези инструкции. Запазете ги за бъдеща справка.
Този знак обозначава информация, свързана с безопасност.
Този знак обозначава важна бележка.
Информация за безопасност
За да избегнете възможна вреда, прочетете и следвайте тези инструкции.
ПРЕДУПРЕЖДЕНИЕ!
Риск от токов удар. Монтажът на Устройството към електрическата мрежа трябва да се извърши внимателно от квалифициран електротехник.
Преди да инсталирате Устройството, изключете прекъсвачите. Използвайте подходящо тестово Устройство, за да се уверите, че няма напрежение върху проводниците, които искате да свържете. Когато сте сигурни, че няма напрежение, продължете с инсталирането.
Преди да правите каквито и да е промени по връзките, уверете се, че на терминалите на Устройството няма напрежение.
ВНИМАНИЕ!
Включвайте или изключвайте LAN кабела само когато Устройството е изключено. Частите на LAN кабела, които могат да бъдат докоснати при включването или изключването му, не трябва да са метални.
Свързвайте Устройството само към електрическа мрежа и уреди, които отговарят на всички приложими разпоредби. Късо съединение в електрическата мрежа или който и да е уред, свързан към Устройството, може да причини пожар, материални щети и токов удар.
Устройството може да се свързва и да управлява само електрически вериги и уреди, които отговарят на приложимите стандарти и норми за безопасност.
Не свързвайте Устройството към уреди, които превишават посоченото максимално електрическо натоварване.
Свързвайте Устройството само по начина, показан в тези инструкции. Всеки друг метод може да причини повреда и/или нараняване.
Устройството и свързаните към него уреди трябва да бъдат обезопасени с предпазител на кабела в съответствие с EN60898-1 (характеристика на изключване B или C, макс. 16 A номинален ток, мин. 6 kA прекъсваща способност, клас на ограничаване на енергията 3).
Не използвайте Устройството, ако то показва признаци на повреда или дефект.
Не се опитвайте да поправяте Устройството сами.
Устройството е предназначено само за употреба на закрито.
Пазете Устройството от замърсявания и влага.
Не позволявайте на деца да си играят с бутоните/превключвателите, свързани към Устройството. Дръжте устройствата (мобилни телефони, таблети, компютри) за дистанционно управление на Shelly далеч от деца.
Описание на устройството
Shelly Pro 2PM е двуканален умен ключ за монтаж на DIN шина с функция за измерване на мощност и управление на щори. Усъвършенствано с гъвкавост на фърмуера от второ поколение и LAN свързаност, устройството предоставя на професионалните интегратори много повече възможности за решения за крайни клиенти.
Уеб интерфейс
Устройството има вграден уеб интерфейс за наблюдение, управление и настройка. Уеб интерфейсът е достъпен на адрес http://192.168.33.1 при директна връзка към точката за достъп на устройството или на неговия IP адрес при достъп от същата мрежа. За повече информация посетете https://shelly-link/webui-guide.
Фърмуер
Устройството се предлага с фабрично инсталиран фърмуер. Винаги използвайте най-новата версия на фърмуера. Редовно проверявайте за актуализации чрез уеб интерфейса или приложението Shelly Smart Control
API
Устройството може да има достъп и да взаимодейства с други интелигентни устройства или системи за автоматизация, ако те са в една и съща мрежова инфраструктура. Шелли Юръп ЕООД предоставя API за устройствата, тяхната интеграция и облачен контрол. За повече информация посетете https://shelly-api-docs.shelly.cloud .
Инструкции за монтаж
ЗАБЕЛЕЖКА
Препоръчваме използването на масивни едножилни проводници или усукани проводници с накрайници. Изолацията на проводниците трябва да бъде устойчива на висока температура – не по-малко от PVC T105°C (221°F).
Не използвайте бутони или ключове с вградени LED или неонови лампи.
При свързване на проводници към клемите на устройството, спазвайте изискванията за напречно сечение и дължина на оголената част. Не свързвайте няколко проводника към една и съща клема.
От съображения за сигурност, след като успешно свържете устройството към локалната Wi-Fi мрежа, препоръчваме да изключите или защитите с парола неговата Wi-Fi точка за достъп (AP).
За фабрично нулиране натиснете и задръжте бутона Reset/Control за 10 секунди.
За активиране на точката за достъп и Bluetooth задръжте бутона Reset/Control за 5 секунди.
Устройството има два режима на работа:
Режим за управление на ключ
Режим за управление на щори
Режим за управление на ключ:
Ако желаете да използвате устройството като ключ за управление на 2 електрически вериги, свържете го, както е описано по-долу.

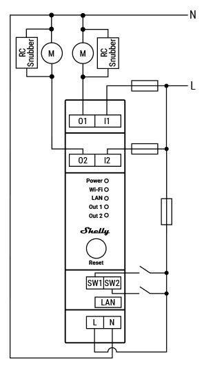
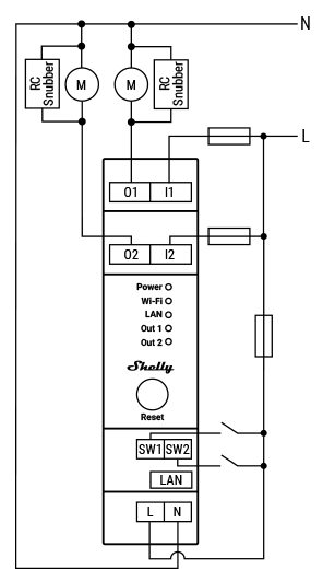
Фиг. 1: Двуканален ключ, захранване 110-240 V~
Легенда:
Клеми
O1, O2: Изходни клеми на веригата на товара
I1, I2: Входни клеми на веригите за товар
S1, S2: Входни клеми на ключа, управляващ O1 и O2
L: клема на фазата (110-240 V~)
N: Клема на нулата
LAN: конектор RJ 45 за локална мрежа
Проводници
L: проводник-фаза (110-240 V~)
N: проводник - нула
Свържете клемата N към нулата и клемата L към предпазителя на Устройството, както е показано на Фиг. 1.
Свържете веригата на първия товар към клемата O1 и нулата.
Свържете клема I1 към предпазителя на веригата на първия товар.
Свържете веригата на втория товар към клема О2 и нулата.
Свържете клемата I2 към предпазителя на веригата на втория товар.
Свържете двата ключа/бутона към клемите SW1 и SW2 и предпазителя на захранващата верига на устройството.
За индуктивни товари свържете RC Snubber паралелно на товара.

Фиг. 2 Свързване на RC Snubber
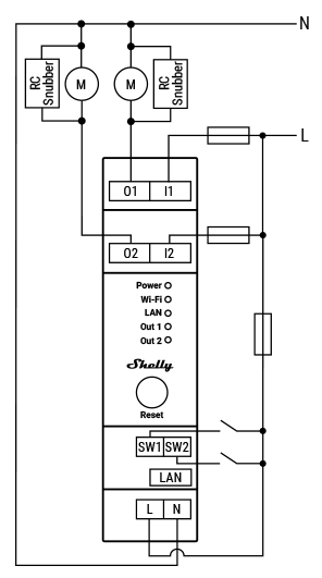
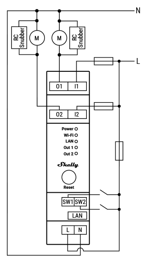
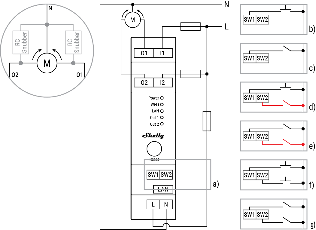
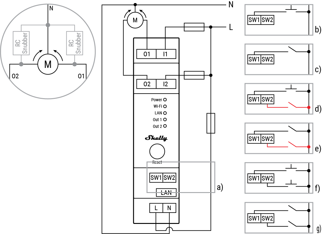
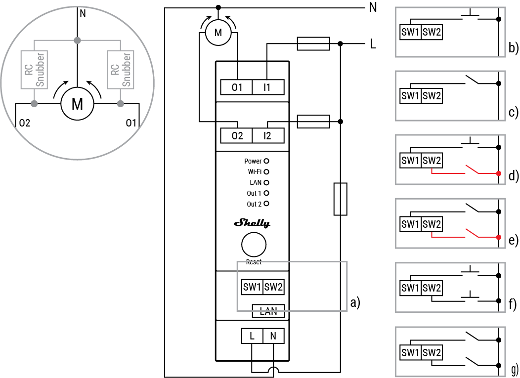
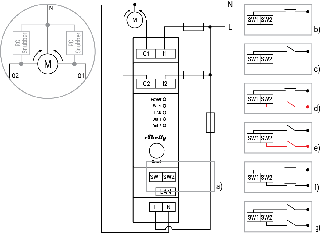
Режим за управление на щори

Фиг. 2 Режим за управление на щори
Като контролер за щори, Shelly Pro 2PM има следните режими на бутоните за управление:
Единичен
Двоен
Изключен
За да използвате устройството в режим на единичен вход, свържете го, както е показано на фиг. 3 b) за вход с бутон или фиг. 3 c) за вход с ключ:
Свържете клемата N към неутралния проводник и клемата L към предпазителя на захранването на устройството.
Свържете общата клема/проводник на мотора с нулата.
Свържете клемите/проводниците за посока на мотора към клемите O1 и O2*.
Свържете клемата I1 към единия от предпазителите, а клемата I2 към другия предпазител.
Свържете бутона или ключа към клемата SW1 и предпазителя на захранването на устройството.
Ако входът е конфигуриран като Бутон в настройките на устройството, всяко натискане на бутона преминава през циклите Отваряне, Спиране, Затваряне, Спиране и т.н.
Ако входът е конфигуриран като Ключ, всяко превключване на превключвателя преминава през циклите Отваряне, Спиране, Затваряне, Спиране и т.н.
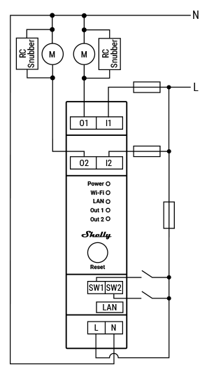
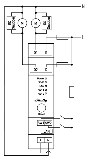
В режим на единичен вход Shelly Pro 2PM разполага с функцията предпазен ключ. За да я използвате, свържете устройството, както е показано на фиг. 3 d) за вход с бутон или фиг. 3 e) за вход с превключвател:
Свържете клемата N към нулата и клемата L към предпазителя на захранването на устройството.
Свържете общата клема/проводник на мотора към нулата.
Свържете клемите/проводниците за посоката на движение на мотора към клемите O1 и O2*.
Свържете клемата I1 към единия от предпазителите, а клемата I2 към другия предпазител.
Свържете бутона за управление или превключвателя към клемата SW1 и прекъсвача на захранването на устройството.
Свържете бутона или ключа към клемата SW2 и предпазителя на захранването на устройството.
Предпазният ключ може да бъде конфигуриран за:
Спиране на движението, докато предпазният ключ не изключи, или докато не се изпрати команда**. Ако е конфигуриран в настройките на устройството, движението може да се възобнови в обратна посока до достигане на крайно положение.
Спиране и незабавно обръщане на движението в обратна посока до достигане на крайно положение. Тази опция изисква обратното движение да бъде конфигурирано в настройките на устройството.
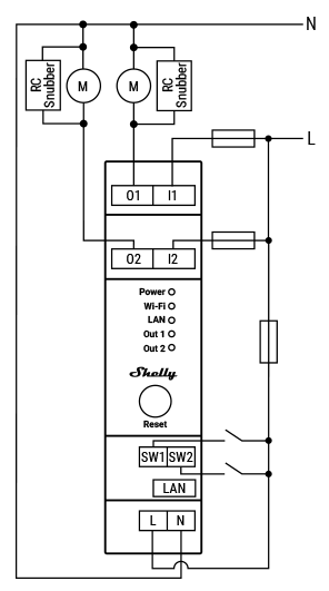
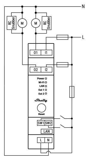
За да използвате устройството в режим на двоен вход, свържете го, както е показано на фиг. 3 f) за вход с бутон или фиг. 3 g) за вход с превключвател:
Свържете клемата N към нулата, а клемата L към предпазителя на захранването на устройството.
Свържете общата клема/проводник на мотора към нулата.
Свържете клемите/проводниците за посоката на движение на мотора към клемите O1 и O2*.
Свържете клемата I1 към единия от предпазителите, а клемата I2 към другия предпазител.
Свържете първия бутон или ключ към клемата SW1 и бушона на захранването на устройството.
Свържете втория бутон или ключ към клемата SW2 и бушона на захранването на устройството.
Конфигурация на входа за бутони:
Натискане на бутон, когато щората е статична: Премества щората в съответната посока о достигане на крайна точка.
Натискане на бутон за същата посока, докато щората се движи: Спиране на щората.
Натискане на бутон за противоположната посока, докато щората се движи: Движението на щората в обратна посока се извършва до достигане на крайна точка.
Конфигурация на входа за ключове:
Премества щората в съответната посока до достигане на крайна точка.
Изключване на ключа: Спира движението на щората.
Включени са и двата ключа: Устройството се съобразява с последния включен ключ. Изключването на последния включен ключ спира движението на щората, дори ако другият ключ е все още включен. За да придвижите капака в обратна посока, изключете и включете отново другия ключ.
В режим на двоен вход устройството поддържа Slat control (управление на ламели), което позволява прецизно регулиране на ламелите при венецианските щори. Тази функция има следните настройки:
Време за отваряне - продължителността в секунди за преминаване на ламелите от напълно отворено в напълно затворено положение.
Време за затваряне - продължителността в секунди за преминаване на ламелите от напълно затворено в напълно отворено положение:
По подразбиране: 1,5 секунди
Приемлив диапазон: 0,5-10 секунди
Стъпка - управлява постепенното движение на ламелите в проценти между двете крайни точки:
Напълно затворено положение (0%)
Напълно отворено положение (100%)
Конфигурация на входа за бутони:
Натискане на бутон, когато щората е статична: Премества ламелите в съответната посока с предварително зададената стъпка.
Натискане на бутон за същата посока, докато щората се движи: Спиране на капака.
Натискане на бутон за противоположната посока, докато щората се движи: Обръща движението на щората в обратна посока, докато се достигне крайна точка.
Натискането и задържането на бутона придвижва ламелите и щората в съответната посока до достигане на крайната точка.
Конфигурация на входа за ключове:
Премества ламелите и щората в съответната посока до достигане на крайната точка.
Изключване на ключа: Спира движението на щората.
Включени са и двата ключа: Устройството се съобразява с последния включен ключ. Изключването на последния включен ключ спира движението на капака, дори ако другият ключ е все още включен. За да придвижите капака в обратна посока, изключете и включете отново другия ключ.
В режим Detached (Изключен) устройството може да се управлява само чрез уеб интерфейса и приложението. Бутоните или ключовете, свързани към Устройството, няма да управляват работата на мотора.
За да използвате устройството в режим Detached (Изключен), свържете го, както е показано на фиг. 2 a):
Свържете клемата N към неутралния проводник, а клемата L към прекъсвача на захранването на Устройството.
Свържете общата клема/проводник на мотора към нулата.
Свържете клемите/проводниците за посоката на движение на мотора към клемите O1 и O2*.
Свържете клемата I1 към единия от прекъсвачите, а клемата I2 към другия прекъсвач.
Откриване на препятствия
Shelly Pro 2PM може да открива препятствия. Ако е налице препятствие, движението на капака спира. Ако е конфигурирано в настройките на устройството, движението променя посоката си, докато се достигне крайната точка. Откриването на препятствия може да бъде включено или изключено за едната или двете посоки.
* Изходите могат да се пренастроят според желаната посока на въртене.
** След задействане на предпазния ключ, командата трябва да е в обратна посока.
Използване на устройството в Shelly Cloud
Устройството може да бъде наблюдавано, управлявано и настройвано чрез нашата услуга за домашна автоматизация Shelly Cloud. Можете да използвате услугата чрез нашето мобилно приложение за Android, iOS или Harmony OS или чрез всеки интернет браузър на адрес https://control.shelly.cloud/ . Ако решите да използвате устройството с приложението и услугата Shelly Cloud, можете да намерите инструкции за свързване на устройството с облака и управлението му от приложението Shelly в ръководството за приложението: https://shelly.link/app-guide . Мобилното приложение Shelly и услугата Shelly Cloud не са предпоставки за правилното функциониране на Устройството. Това Устройство може да се използва самостоятелно или с различни други платформи за домашна автоматизация.
Спецификации
Физически
Размер (HxWxD): 94x19x69 mm / 3,70x0,75x2,71 in
Тегло: 42 g / 1,48 oz
Максимален въртящ момент на винтовите клеми: 0,4 Nm / 3,5 lbin
Сечение на проводника: 0,5 до 2,5 mm² / 20 до 14 AWG (зелени конектори)
0,5 до 1,5 mm² / 20 до 16 AWG (сини конектори)
Дължина на оголения проводник: 6 до 7 мм (зелени конектори) 5 до 6 мм (сини конектори) 0,20 до 0,24 инча
Монтаж: DIN шина
Материал на корпуса: Пластмаса
Цвят на корпуса: черен
Околна среда
Работна температура на околната среда: -20°C до 40°C / -5°F до 105°F
Влажност на въздуха: 30% до 70% RH
Максимална надморска височина: 2000 m / 6562 ft
Електрически
Захранване: 110-240 V~ 50/60 Hz
Консумация на енергия: < 3 W
Оценки на изходните вериги
Максимално напрежение на превключване: 240 V~
Максимален ток на превключване: 16 A на канал, общо 25 A
Сензори, измервателни уреди
Сензор за вътрешна температура: Да
Радио
Wi-Fi
Протокол: 802.11 b/g/n
Радиочестотна лента: 2400 - 2495 MHz
Макс. RF мощност: < 20 dBm
Обхват: До 50 м на открито, до 30 м на закрито (в зависимост от местните условия)
Bluetooth
Протокол: 4.2
Радиочестотна лента: 2402 - 2480 MHz
Макс. RF мощност: <4 dBm
Обхват: До 30 м на открито, до 10 м на закрито (в зависимост от местните условия)
Микроконтролер
Процесор: ESP32-D0WDQ6
Flash: 8 MB
Възможности за фърмуер
Графици: 20
Уебхукове (действия на URL): 20 с по 5 URL адреса на уебхук
Удължител на обхвата на Wi-Fi: Да
BLE гейтуей: Да
Скриптиране: Да
MQTT: Да
Криптиране: Да
Отстраняване на неизправности
В случай че срещнете проблеми с инсталирането или работата на Устройството, проверете неговата база за знания страница: https://shelly.link/pro2PM
Декларация за съответствие
С настоящото Шелли Юръп ЕООД декларира, че радиооборудването тип Shelly Pro 2PM е в съответствие с Директива 2014/53/ЕС, 2014/35/ЕС, 2014/30/ЕС, 2011/65/ЕС. Пълният текст на ЕС декларацията за съответствие е достъпен на следния интернет адрес: https://shelly.link/pro2pm_DoC.
Изхвърляне и рециклиране
Не изхвърляйте продукта в битови отпадъци. Рециклирайте продукта, за да предотвратите щети на околната среда и здравето и за насърчаване на опазването на ресурсите. Изхвърлете продукта на подходящо място за събиране на отпадъци на ваша отговорност.
Препродавачите, от които е закупено Устройството, са длъжни да приемат отпадъци от електрическо и електронно оборудване (ОЕЕО) безплатно за правилното обезвреждане.
Някои електронни продукти могат да съхраняват лични данни. Потребителят носи отговорност за изтриването на тези данни преди изхвърлянето на Устройството. За изтриване нулирайте устройството до фабричните настройки.
Производител
Шелли Юръп ЕООД
Адрес: бул. Черни връх 51, бул. 3, ет. 2-3, 1407 София, България, Тел. +359 2 988 7435, Електронна поща: support@shelly.cloud, Официален сайт: https://www.shelly.com
Промените в информацията за контакт се публикуват от производителя на официалния уебсайт.
Всички права върху търговската марка Shelly® и други интелектуални права, свързани с това устройство, принадлежат на Shelly Europe Ltd.