Skip to main content
Skip table of contents

Shelly Wave Outdoor Plug S EU LR

image-20250616-065546.png

Device identification

Device: Shelly Wave Outdoor Plug S
EU Part number/Ordering Code: QLPL-2A112EU
Z-Wave Product type ID: 0x0002
Z-Wave Product ID: 0x0092
Z-Wave Manufacturer: Shelly Europe
Z-Wave Manufacturer ID: 0x0460

This device supports both Z-Wave® (mesh) and Z-Wave® Long Range (star) network topologies. During the device inclusion process, you must select one type of network topology.

Bellow sections marked with * are valid only for Z-Wave® mesh network inclusion and are not applicable for Z-Wave® Long Range star network inclusion.

Terminology

Click to unhide/hide
  • OTA - Over-The-Air firmware update.

  • FW - Firmware

  • ZAF - Z-Wave® protocol

  • NIF - Node Information Frame; the frame that is sent at every adding (inclusion) to present/advertise the Device’s capability to the gateway, so that it may adjust its operating ability.

  • CC - Command Class (ZAF centerpiece of interoperability). The files/processes that determine how data is sent and handled/received. Command Classes include their signatures while sending data to allow recognition of which process is sending data for the destination device.

  • Switch - A toggle switch or a bi-stable switch.

  • Push-button - A momentary switch or a monostable switch.

  • Switch/push-button - It can be a switch or a push-button.

  • Double press - If the delay between the first and the second press on the switch/push-button is less than 500 ms, this is interpreted as a double press.

  • Gateway (GW) - A Z-Wave® gateway, also referred to as a Z-Wave® controller, Z-Wave® main controller, Z-Wave® primary controller, or Z-Wave® hub, etc., is a device that serves as a central hub for a Z-Wave® smart home network. The term “gateway” is used in this document.

  • Mesh network - devices can communicate with each other in addition to the gateway. Devices (only mains powered) can act as repeaters to extend network.

  • Long range network - devices can communicate only with gateway (no repeater function).

  • S button - The Z-Wave® Service button, located on Z-Wave® devices and is used for various functions such as adding (inclusion), removing (exclusion), resetting the device to its factory default settings and to switch power output on/off (valid only for Wave Plugs). The term "S button" is used in this document.

  • Device - In this document, the term “Device” is used to refer to the Shelly Wave device that is a subject of this guide.

  • End device - Z-Wave end devices are nodes in a Z-Wave network that are not gateways, such as switches, door locks, sensors, etc.

  • Node ID - The Z-Wave Node ID is a unique identifier assigned at the adding (inclusion) to each device in a Z-Wave network, allowing the network to identify and communicate with this device.

  • HOME ID - The Z-Wave Home ID is a unique identifier assigned to each Z-Wave network and each device in that network. It distinguishes your Z-Wave network from other networks and ensures that your Z-Wave devices only communicate with devices in your own network.

  • Adding/Inclusion - The process of adding Z-Wave device to a Z-Wave network - gateway. The words included, added, etc. are used in this regard.

  • Removing/Exclusion - The process of removing Z-Wave device from a Z-Wave network - gateway. The words excluded, removed, etc. are used in this regard.

  • Factory reset - After Factory reset, all custom parameters and stored values (kWh, associations, routings, etc.) will return to their default state. The HOME ID and NODE ID assigned to the Device will be deleted. Use this reset procedure only when the gateway is missing or otherwise inoperable.

  • Normal mode - Is the state of the device which refers to the operational state of a device when it is functioning under regular conditions (switching on/off, dimming, etc.) either during active usage or while in standby mode but still powered.

  • SmartStart - SmartStart enabled devices can be added (included) to a Z-Wave network by scanning the Z-Wave QR code on the device with a Gateway that supports SmartStart inclusion. The SmartStart enabled device will be automatically added within 10 minutes of being switched on in the vicinity of the Z-Wave network.

  • MUST - MUST be implemented

  • OPTIONAL - implement it if time/budget allows

  • Associations - Associations are used for direct communication between the Device and other devices within your Z-Wave network without the need of the Z-Wave gateway.

  • Power cycle - Reboot the Device/power supply On/Off of the Device

  • Blind - Refers to any kind of window treatment, such as venetian blinds, roller blinds (screens), roller shutters, vertical window blinds, curtains, integral venetian blinds, pleated blinds, awnings, etc. Additionally, Wave Shutter can also control window motors, projector screens, or any type of bi-directional AC motor.

  • Power consumption (W) - refers to the rate at which energy is consumed or used by an electrical device or system. It is measured in watts (W).

  • Energy consumption (kWh) - refers to the total amount of electrical energy consumed by a device or system over a specific period of time. It is measured in kilowatt-hours (kWh).

  • Ordering code - The ordering code is the same as the Part number (PN). Where there is not enough space to write the Ordering code, abbreviation PN is used. The PN is written on the DSK label on each device.

Short description

The Device is a Z-Wave® smart plug/outlet designed for outdoor use, with power measurement and overheating protection, which allows remote control of electric appliances through a mobile phone, tablet, PC, or home automation system.

Use Cases

Click to unhide/hide
  • Garden Automation:
    Automate garden light strips, electric grills, electric stoves or other appliances in the garden to manage their work and consumption to be sure no energy goes to waste.

  • Use it as color night light:
    Night mode with custom settings
    When switched on, the Night mode reduces the brightness of the LED indication of your Device during the night hours so that you can have undisturbed night sleep.

  • No more forgotten appliances on:
    Monitor and control all plugged-in appliances easily with just a few clicks on your phone. If Device is connected to the Gateway, it can automatically switch off any forgotten device after an hour to save energy.
    Example: Iron, smaller ovens, heating electrical radiators

  • Avoid energy waste by automating your electrical appliances:
    Automate appliances in the office that are not used at night or over the weekend by simply adding Device to the Gateway. Now, you can set smart schedules that will turn off the power to all unused electrical appliances between 7:00 PM and 7:00 AM during the weekdays and between 7:00 PM on Friday and 7:00 AM on Monday. That way, you will cut the energy consumption of these devices in half, which will result in significant optimization of the monthly energy cost.
    Example: Using schedules, automate smaller ovens, heating electrical radiators, IR heaters

  • Mildly dimmed night light for children's comfort:
    You can now set the color and the level of glow for your Device LED indication and use it as subtle light for the kids' room at night.

Basic Functions:

  • SmartStart

  • Assocciations

  • Working as Z-Wave repeater

  • Switching On/Off connected load

  • Automatically switching On/Off connected load

  • Measuring Power consumption (W) and Energy consumption (kWh) of all connected loads.

  • OTA - Over-The-Air firmware update

Operational Instructions:

Click to unhide/hide

Switching On/Off connected load

Connected load is possible to switch On/Off by:

  • by Z-Wave command

  • pressing the S button: Change the state of the connected load to the opposite one

Restore after power failure

Restore after power supply failure it takes at least 15 seconds.In case of the power supply failure, the Device will return output O (O1) to the state defined by value of the Parameter No. 17 after power is restored. 

Remote Device reboot


Remote Device reboot can be done by Parameter No. 117

Power consumption measurement


It measures Power consumption (W) of the all connected loads. The measured values are sent to Gateway according to Parameters No. 36 and 39 settings.

Energy consumption measurement


Energy consumption (kWh) the Device calculate based on measured Power (W) during the time. Energy consumption measurement value is sent to the Gateway when the value increase for 0,1 kWh as unsolicited report.

Storing and resetting kWh


Store kWh in flash memory immediately after recognizing lost power supply.

kWh can be reset by:

  • Factory reset

  • Z-wave command class

KWh is not possible to reset with S button. OTA has no influence on kWh stored value, the kWh stored value remains after OTA firmware update.

Z-Wave Security communication protocols supported


Unsecure, S0 Security, S2 Unauthenticated Security, S2 Authenticated Security

Working as Z-Wave repeaterZ-Wave repeater re-transmits Z-Wave Radio signal by routing the signal around obstacles and radio dead spots to ensure that the signal is received at its intended destinations.

OTA - Over-The-Air firmware updateOTA stands for Over-The-Air, and it refers to the wireless firmware update to end devices

FW version


FW version is stored in the Device, also if it is updated by OTA. Firm version is possible to read by the Gateway.

Device serial number


Device serial number is stored in the Device after testing in production. Device serial number is possible to read by the Gateway.

Device PART number (PN)


Device Part number is stored in the Device after testing in production. Device Part number is possible to read by the Gateway.

Main applications

  • Residential

  • MDU (Multi Dwelling Units - apartments, condominiums, hotels, etc.)

  • Light commercial (small office buildings, small retail/restaurant/gas station, etc.)

  • Government/municipal

  • University college

Integrations

Shelly Wave devices are developed on the world's leading technology for smart homes – Z-Wave.

This means Shelly Wave works with all certified gateways supporting Z-Wave communication protocol.

To make sure the functions of Shelly Wave products are supported on your gateway, we are regularly executing compatibility tests of our devices with different Z-Wave gateways.

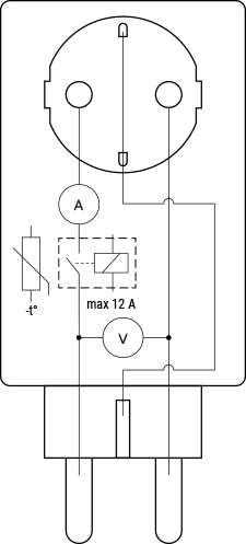
Simplified Internal Schematics

Untitled-20241025-065850.png

Device electrical interfaces

Inputs

  • 1 CEE 7/7 plug

Outputs

  • 1 CEE 7/3 (Type-F / Schuko) socket

Connectivity

Z-Wave: Unsecure, S0 Security, S2 Unauthenticated Security, S2 Authenticated Security

Safety features

Click to unhide/hide

Protection

Overheat Protection

Device has internal Overheat protection. If the temperature exceeds predefined values 95°C for more than 5s, the Device will:

  • switch off its own output

  • send the Notification Report to the gateway (Overheat detected)

  • the LED lights react as specified above (check LED blinking mode for Overheat detected)

NOTE: The Overheat protection is always active and cannot be disabled.

Additional description above under chapter Notification for Overheat detected.

Overcurrent Protection

Device has internal Overcurrent protection. If the current exceeds 12A+15% (Max switching current +15%) for more than 5s, the Device will:

  • switch off its own output

  • sends the Notification Report to the gateway (Overcurrent detected)

  • the LED lights react as specified above (check LED blinking mode for Overcurrent detected)

NOTE: The Over-current protection is always active and cannot be disabled.

Additional description above under chapter Notification for Over-current detected.

Overvoltage Protection

Device has internal Overvoltage protection. This is valid for standard power supply voltage 230 V AC. If the voltage exceeds 240 V AC+15% (278 V AC) for more than 5s, the Device will:

  • switch off its own output

  • sends the Notification Report to the Gateway (Overvoltage detected)

  • the LED lights react as specified above (check LED blinking mode for Overvoltage detected)

NOTE: The Over-voltage protection is always active and cannot be disabled.

Additional description above under chapter Notification for Over-voltage detected.

Supported load types

  • Resistive (incandescent bulbs, heating devices)

  • Capacitive (capacitor banks, electronic equipment, motor start capacitors)

  • Inductive (LED light drivers, transformers, fans, refrigerators, air-conditioners)

User interface

S button and operating modes

  • Settings mode:

Is required to start the desired procedure, for example: adding (inclusion (*not available for Long Range devices)), removing (exclusion), factory reset, etc. It has a limited operating time. After completing the procedure in Setting mode, the Device automatically switches to Normal mode.

  • Entering Setting mode:

    • Press and hold the S button on the Device until the LED turns solid blue.

    • An additional quick press on the S button changes the menu in an infinite loop.

    • The Menu LED status has a timeout of 10s before entering again into Normal mode.


S button’s functions

  • Manually adding the Device to a Z-Wave network (*not available for Long Range inclusion)

  • Manually removing the Device from a Z-Wave network

  • Factory Reset the Device


  • Switch the load On/Off

LED Signalisation

Click to see LED signalisation

General rules

  • Switching between Normal and Settings mode is done by Single press on the S button.

  • Ones in settings mode, LED automatically turns off after 10s.

  • Press on the S button or device power cycle wake up LED for 10s.

  • During module boot up LED will blink in mode 5 (0,2s On blue/0,2s On red) for 4-5 s.

Normal mode LED status: Normal mode is defined by stable device function that can remain for an infinite time.


LED type: RGB dimmable

Normal mode

Removed/Excluded

The LED will be blinking blue in Mode 1 for 10sec after every power cycle.


Added/Included

The LED will be blinking green in Mode 1 for 10sec after every power cycle.


Relay is switched ON and power consumption is 0W (no power consumption)

The LED will be green solid on all the time starting 11sec after every power cycle.


Relay is switched ON and power consumption is between >0W and 85% of max. load

The LED will be yellow solid on all the time starting 11sec after every power cycle.


Relay is switched ON and power consumption is >85% of max. load

The LED will be red solid on all the time starting 11sec after every power cycle.


Settings in progress
Factory reset and reboot

During factory reset, the LED will turn solid green for approx. 1sec, then the blue and red LED will be blinking 0,1s On / 0,1s Off for about 2sec. 

Adding / Removing

During adding or removing, the LED will be blinking blue in Mode 2.


OTA firmware updating

During the OTA update, the LED will be blinking blue and red in Mode 2.

Settings mode with S button

Adding / Removing menu selected (*adding not available for Long Range inclusion)

When the menu is selected the LED will be on blue, for maximum of 10 seconds.


Adding / Removing menu - while pressing S- button - Add/Remove process selected (*adding not available for Long Range inclusion)

When the menu is executing the LED will be blinking blue in Mode 3.


Factory reset menu selected

When the menu is selected the LED will be on red, for maximum of 10 seconds.


Factory reset  - while pressing S - button - Factory reset process selected

When the menu is executing the LED will be blinking red in Mode 3.

Alarm Mode

Overcurrent detected O

The LED will be blinking red in Mode 4

Mode 4 / 1x LED 0,2s On / 0,2s Off + 2s Off repeating sequence 


Overheat detected 

The LED will be blinking red in Mode 4

Mode 4 / 2x (LED 0,2s On / 0,2s Off) + 2s Off repeating sequence


Overvoltage detected

The LED will be blinking red in Mode 4

Mode 4 / 7x (LED 0,2s On / 0,2s Off) + 2s Off repeating sequence

LED blinking modes

Click to see the LED blinking modes

LED blinking modes

Mode 1

0,5s On/2s Off

Mode 2

0,5s On/0,5s Off

Mode 3

0,1s On/0,1s Off

Mode 4

(1x to 6x - 0,2s On/0,2s Off) + 2s Off

Mode 5

0,2s On blue/0,2s On red

Technical Specifications

Power supply

230 V ̴ 50 Hz

Power consumption

< 0.7 W

Rated impulse-withstand voltage

2500 V

Power measurement [W]

Yes

Max switching voltage AC

230 V

Max switching current AC

12 A

Max. output power

2500 W (resistive load only)

Number of switching cycles:

10000

Overheating protection

Yes

Overcurrent protection

Yes

Overvoltage protection

Yes

Overvoltage category

II

Degree of protection

IP 44

Long range network

Distance (depends on local condition)

Up to 80 m indoors (262 ft.) or up to 1000 m outdoors (3281 ft.)

Z-Wave® repeater

No

Z-Wave® frequency bands

864 MHz

Mesh network

Distance (depends on local condition)

Up to 40 m indoors (131 ft.)

Z-Wave® repeater

Yes

Z-Wave® frequency bands

868.4 MHz

CPU

Z-Wave® S800

Maximum radio frequency power transmitted in frequency band(s)

< 25 mW

Size (H x W x D)

56x56x103 ±0.5 mm / 2.21x2.21x4.55 ±0.02 in

Weight

85 ±1 g / 3 ±0.04 oz

Compatible sockets

CEE 7/1, CEE 7/3 (Type F / Schuko) or CEE 7/5 (Type E)

Compatible plugs

CEE 7/2, CEE 7/4 (Type F / Schuko), CEE 7/7, CEE 7/16 (Type C) or CEE 7/17

Shell material

Plastic with Silicone Rubber Protective Cover for the Outlet

Color

Mocha

Ambient temperature

-25°C to 51°C / -13°F to 125°F

Humidity

15% to 85% RH

Max. altitude

2000 m / 6562 ft.

Outdoor Plug US description

image-20250616-064701.png

Legend

A: LED indication

B: Socket

C: S button

D: Plug

E: Pin protector

F: Protective cap

Insert the Device into a power socket without an appliance/load connected to it. Then you can now plug an appliance into the Device socket. To power the appliance on press briefly the S button. The LED will turn green if load is 0W, yellow if load is between >0W and 85% of the max. load and red if load is >85% of the max. load.

About Z-Wave®

Click here to expand...

image-20241220-074038.png

The Z-Wave® protocol is an interoperable, wireless, RF-based communications technology designed specifically for control, monitoring, and status reading applications in residential and light commercial environments. Mature, proven, and broadly deployed, Z-Wave® is by far the world market leader in wireless control, bringing affordable, reliable, and easy-to-use 'smart' products to millions of people in every aspect of daily life.

Interoperability has always been at the core of the Z-Wave® protocol, alongside the features like backward compatibility, security, and reliability. All Z-Wave® devices can be operated in any Z-Wave® network with other Z-Wave® certified devices, regardless of brand or manufacturer. All mains operated nodes within the network will act as repeaters regardless of vendor to increase the reliability of the network. There are 4000+ Z-Wave® certified products that are backwards- and forwards-compatible in the Z-Wave® ecosystem and well over 100 million devices currently in the market.

With over 20 years in the marketplace, Z-Wave® technology has best-in-class security measures to keep your home network smarter and safer.

Source: www.z-wavealliance.org, http://www.z-wave.com

Adding and removing the Device to a Z-Wave® network 

Click to see how to add, remove and reset the Device

Adding the Device to a Z-Wave® network (inclusion)


Note! In case of Security 2 (S2) adding (inclusion), a dialog will appear asking you to enter the corresponding PIN Code (5 underlined digits) that are written on the Z-Wave® DSK label on the side of the Device and on the Z-Wave® DSK label inserted in the packaging.
IMPORTANT: The PIN Code must not be lost.


SmartStart adding (inclusion)

SmartStart enabled products can be added into a Z-Wave® network by scanning the Z-Wave® QR Code present on the Device with a gateway providing SmartStart inclusion. No further action is required, and the SmartStart device will be added automatically within 10 minutes of being switched on in the network vicinity.

  1. With the gateway application scan the QR code on the Device label and add the Security 2 (S2) Device Specific Key (DSK) to the provisioning list in the gateway.

  2. Connect the Device to a power supply.

  3. Check if the blue LED is blinking in Mode 1. If so, the Device is not added to a Z-Wave® network.

  4. Adding will be initiated automatically within a few seconds after connecting the Device to a power supply, and the Device will be added to a Z-Wave® network automatically.

  5. The blue LED will be blinking in Mode 2 during the adding process.

  6. The green LED will be blinking in Mode 1 if the Device is successfully added to a Z-Wave® network.

Adding (inclusion) with the S button (*not available for Long Range inclusion)
  1. Connect the Device to a power supply.

  2. Check if the blue LED is blinking in Mode 1. If so, the Device is not added to a Z-Wave® network.

  3. Enable add/remove mode on the gateway.

  4. To enter the Setting mode, press and hold the S button on the Device until the LED turns solid blue.

  5. Release and then press and hold (> 2s) the S button on the Device until the blue LED starts blinking in Mode 3. Releasing the S button will start the Learn mode.

  6. The blue LED will be blinking in Mode 2 during the adding process.

  7. The green LED will be blinking in Mode 1 if the Device is successfully added to a Z-Wave® network.

Note! In Setting mode, the Device has a timeout of 10s before entering again into Normal mode.

Removing the Device from a Z-Wave® network (exclusion)

Note! The Device will be removed from your Z-Wave® network, but any custom configuration parameters will not be erased.


Removing (exclusion) with the S button
  1. Connect the Device to a power supply.

  2. Check if the green LED is blinking in Mode 1. If so, the Device is added to a Z-Wave® network.

  3. Enable add/remove mode on the gateway.

  4. To enter the Setting mode, press and hold the S button on the Device until the LED turns solid blue.

  5. Release and then press and hold (> 2s) the S button on the Device until the blue LED starts blinking in Mode 3. Releasing the S button will start the Learn mode.

  6. The blue LED will be blinking in Mode 2 during the removing process.

  7. The blue LED will be blinking in Mode 1 if the Device is successfully removed from a Z-Wave® network.

Note! In Setting mode, the Device has a timeout of 10s before entering again into Normal mode.

Factory reset

Factory reset general

After Factory reset, all custom parameters and stored values (kWh, associations, routings, etc.) will return to their default state. HOME ID and NODE ID assigned to the Device will be deleted. Use this reset procedure only when the gateway is missing or otherwise inoperable.


Factory reset with the S button

Note! Factory reset with the S button is possible anytime.

  1. To enter the Setting mode, press and hold the S button on the Device until the LED turns solid blue.

  2. Press the S button multiple times until the LED turns solid red.

  3. Press and hold (> 2s) S button on the Device until the red LED starts blinking in Mode 3. Releasing the S button will start the factory reset.

  4. During factory reset, the LED will turn solid green for about 1s, then the blue and red LED will start blinking in Mode 3 for approx. 2s.

  5. The blue LED will be blinking in Mode 1 if the Factory reset is successful.


Remote factory reset with parameter with a gateway

Factory reset can be done remotely with the settings in Parameter No. 120.

Z-Wave® Security and Device Specific Key (DSK)

Click to see about the Security and the DSK

The Device supports the latest Security 2 (S2) feature. S2 is handled by the strong AES 128 Encryption protocol, which means that the S2 makes Z-Wave® the most secure IoT (Internet of Things) security platform out there. To fully utilize the product and its Security 2 feature, a Security 2-enabled Z-Wave® gateway must be used.

Authenticated Control

  • Out-Of-Band DSK for adding (inclusion)

  • May be used by most implementations

The Device also supports Security 2 Authenticated, Unauthenticated, and Unsecure adding (inclusion).

 

Note! When adding the Device to a Z-Wave® network with a gateway supporting Security 2 (S2), the PIN Code of the Z-Wave® Device Specific Key (DSK) is required. You can find it on the label on the side of the Device and a copy is inserted in the packaging, which must not be lost. Do not remove the Z-Wave® DSK label from the Device. As a backup measure, use the label in the packaging.

The first five digits of the key are highlighted or underlined to help the user identify the PIN Code part of the DSK text. The DSK is additionally represented with a QR Code as shown on the image.

 

Z-Wave® DSK label and QR code (example)

A joining node requesting to join the S2 Access Control Class or the S2 Authenticated Class will obfuscate its Public Key by setting the bytes 1..2 to zeros (0x00) before transferring its key via RF.

The DSK may be used for out-of-band (OOB) authentication.

  • The including gateway may use a QR code scanning device to read the entire DSK of the joining device and match it with the obfuscated public key received via RF from the joining device.

Setting Parameters

Click to see some details

Parameter No. 17 - Restore the O (O1) state after a power failure

This parameter determines if the on/off status is saved and restored for the load connected to O (O1) after a power failure.

Values size: 1 Byte

Default value: 0

Values & descriptions:

  • 0 - Device saves last on/off status and restores it after a power failure

  • 1 - Device does not save on/off status and does not restore it after a power failure, it remains off

NOTE: This functionality does not apply when Parameter 1 is configured with the value "1 - toggle switch (contact closed - ON / contact opened - OFF)"

Parameter No. 19 - O (O1) Auto OFF with timer

If the load O (O1) is ON, you can schedule it to turn OFF automatically after the period of time defined in this parameter. The timer resets to zero each time the Device receives an ON command, either remotely (from the gateway or associated device) or locally from the switch.

Values size: 2 Byte

Default value: 0

Values & their descriptions:

  • 0 - Auto OFF Disabled

  • 1 - 32535 = 1 - 32535 seconds or milliseconds – see Parameter no. 25. Set timer units to s or ms for O (O1) resolution 100ms

Parameter No. 20 - O (O1) Auto ON with timer

If the load O (O1) is OFF, you can schedule it to turn ON automatically after the period of time defined in this parameter. The timer resets to zero each time the Device receives an OFF command, either remotely (from the gateway or associated device) or locally from the switch.

Values size: 2 Byte

Default value: 0

Values & their descriptions:

  • 0 - Auto ON Disabled

  • 1 - 32535 = 1 - 32535 seconds or milliseconds – see Parameter no. 25. Set timer units to s or ms for O (O1) resolution 100ms

Parameter No. 23 - O (O1) contact type - NO/NC

The set value determines the relay contact type for output O (O1). The relay contact type can be normally open (NO) or normally closed (NC).

Values size: 1 Byte

Default value: 0

Values & descriptions:

  • 0 - NO

  • 1 - NC

Relay logic:

Par-NO/NC

Command (switch, Z-Wave…)

Device output state

NO (0)

OFF

OFF (0 V)

NO (0)

ON

ON (230 V)

NC (1)

OFF

ON (230 V)

NC (1)

ON

OFF (0 V)

Parameter No. 25 - Set timer units to s or ms for O (O1)

Set the timer units to seconds or milliseconds. Choose if you want to set the timer in seconds or milliseconds in Parameters No. 19, 20.

Values size: 1 Byte

Default value: 0

Values & descriptions:

  • 0 – timer set in seconds

  • 1 – timer set in milliseconds

Parameter No. 36 - O (O1) Power report on change - percentage

This parameter determines the minimum change in consumed power that will result in sending a new report to the gateway.

Values size: 1 Byte

Default value: 50

Values & descriptions:

  • 0 - reports are disabled

  • 1-100 (1-100%) - change in power

NOTE: Regardless of the power consumption change in percentage, the report will not be sent more frequently than defined by Parameter No. 39.

Parameter No. 39 - Minimum time between reports (O) O1

This parameter determines the minimum time that must elapse before a new power report on O (O1) is sent to the gateway.

Values size: 1 Byte

Default value: 30

Values & descriptions:

  • 0 - reports are disabled

  • 1-120 (1-120s) - report interval

NOTE: This Parameter is in relation to Parameter No. 36.

NOTE: Setting the value to less than 30s can cause the Z-Wave network congestion state (slow Device response and decreased network stability).

Parameter No. 105 - LED Signalisation intensity

In Wave 1, Wave 1PM and Wave 2PM, Plug US, Plug UK, this parameter will be implemented in 2024. This parameter determines the intensity of the LED on the Device. Some Devices have RGB LEDs and some have Blue/Red LEDs, but all are dimmable.

Values size: 1 Byte

Default value: 100

Values & descriptions: 0-100 (0-100%, every 1%)

Parameter No. 117 - Remote Device reboot

This parameter enable restarting or rebooting the Device without physical intervention. Use this parameter only for troubleshooting scope. After device reboot the parameter value will be set to default.

Values size: 1 Byte

Default value: 0

Values & descriptions:

  • 0 - function inactive

  • 1 - Remote device reboot

Parameter No. 120 - Factory Reset

Reset to factory default settings and removed from the Z-Wave network.

The parameter is Advanced and may be hidden under the Advanced tag.

Values size: 1 Byte

Default value: 0

Values & descriptions:

  • 0 - No action

  • 1 - Factory reset

NOTE: After factory reset is performed, the parameter value is automatically set to 0.

Parameter No. 201 - Serial Number 1

This parameter contains a part of device’s serial number.

The parameter is Read-Only and cannot be changed.
The parameter is Advanced and may be hidden under the Advanced tag.

Values size: 4 Byte

Default value: Device specific

Values & descriptions:

·         0x00000000 - 0x7FFFFFFF


Parameter No. 202 - Serial Number 2

This parameter contains a part of device’s serial number.

The parameter is Read-Only and cannot be changed.
The parameter is Advanced and may be hidden under the Advanced tag.

Values size: 4 Byte

Default value: Device specific

Values & descriptions:

·         0x00000000 - 0x7FFFFFFF


Parameter No. 203 - Serial Number 3

This parameter contains a part of device’s serial number.

The parameter is Read-Only and cannot be changed.
The parameter is Advanced and may be hidden under the Advanced tag.

Values size: 4 Byte

Default value: Device specific

Values & descriptions:

·         0x00000000 - 0x7FFFFFFF

Command Classes

Click to see the Z-Wave Command Classes

Z-Wave Command Class

  1. ASSOCIATION_V2 [S0, S2]*

  2. ASSOCIATION_GRP_INFO_V3 [S0, S2]*

  3. BASIC_V2 [S0, S2]*

  4. SWITCH_BINARY_V2 [S0, S2]*

  5. CONFIGURATION_V4 [S0, S2]*

  6. DEVICE_RESET_LOCALLY_V1 [S0, S2]*

  7. FIRMWARE_UPDATE_MD_V5 [S0, S2]*

  8. INDICATOR_V3 [S0, S2]*

  9. MANUFACTURER_SPECIFIC_V2 [S0, S2]*

  10. METER_V6 [S0, S2]*

  11. MULTI_CHANNEL_ASSOCIATION_V3 [S0, S2]*

  12. NOTIFICATION_V8 [S0, S2]*

  13. POWERLEVEL_V1 [S0, S2]*

  14. SECURITY_V1

  15. SECURITY_2_V1

  16. SUPERVISION_V1

  17. TRANSPORT_SERVICE_V2

  18. VERSION_V3 [S0, S2]*

  19. ZWAVEPLUS_INFO_V2

[S2]* Security S2 Command Class

NOTE: MAPPING OF COMMAND_CLASS_BASIC

Supporting Command Class Basic

COMMAND_CLASS_BASIC is mapped into COMMAND_CLASS_SWITCH_BINARY, for enabling Switch (O) control:

Switch (O) will be turned ON or OFF, after receiving the BASIC_SET command:

Basic Command received

Mapped Command (binary Switch)

Basic Set (0xFF)

Switch Binary Switch (0xFF)

Basic Set (0x00)

Switch Binary Switch (0x00)

Basic GET

Basic Report (Current Value, Target Value) 

Supporting Command Class Indicator

The Device supports the Command Class Indicator V3 (ID 0x50). When the Device receives an indicator set, the LED blinks according to the received indicator set.

Refer to LED Signalization chapter.

Supporting Meter Command Class

The product supports the meter command class and KWh is the default scale report send when the scale type is not present in the received Get.

Supported Scale Name

Scale Value

Watt

2

KWh

0

Notifications Command Class

Click to see the Z-Wave Notification Command Class

Overheat detected

Comment

Overheat detected

Z-Wave Notification Type Name

Heat Alarm

Z-Wave Notification type - Value

0x04

Z-Wave Notification type - Event

State

Z-Wave Notification Name

Overheat detected

Z-Wave Notification Name - Value

0x02

Z-Wave Notification Name - Version

V2

LED signalization

Check LED signalization table

Device reaction - Switch OFF all outputs and send notification

Yes

Action to restore - power cycle

Yes

Action to restore - short press on S button

Yes

Over-current detected O

Comment

Over-current detected O

Z-Wave Notification Type Name

Power management

Z-Wave Notification type - Value

0x08

Z-Wave Notification type - Event

State

Z-Wave Notification Name

Over-current detected

Z-Wave Notification Name - Value

0x06

Z-Wave Notification Name - Version

V3

LED signalization

Check LED signalization table

Device reaction - Switch OFF the output O and send a notification

Yes

Action to restore - power cycle

Yes

Action to restore - short press on S button

Yes

Over-voltage detected

Comment

Over-voltage detected

Z-Wave Notification Type Name

Power management

Z-Wave Notification type - Value

0x08

Z-Wave Notification type - Event

State

Z-Wave Notification Name

Over-voltage detected

Z-Wave Notification Name - Value

0x07

Z-Wave Notification Name - Version

V3

LED signalization

Check LED signalization table

Device reaction - Switch OFF all outputs and send notification

Yes

Action to restore - power cycle

Yes

Action to restore - Remotely Device reboot (by Parameter No. 117)

Yes

Action to restore - short press on S button

Yes


Associations

Click to see the Z-Wave Associations

Associations are used for direct communication between the Device and other devices within your Z-Wave network without the need of the Z-Wave gateway.
Max. number of associated devices per group is 9. This value is fixed and cannot be configured.
Each association group supports the association of up to 9 devices (nodes). To avoid network delays, we recommend limiting the number of associated devices to no more than 5 per group. "Lifeline group" is reserved for controlling devices, such as Gateways and remote controllers, or devices who can interpret the reports sent.Association group 1 – "Lifeline group" sends to the controlling device it's command class notifications and or command class reports when said command classes are triggered. Max. 9 nodes are allowed:

Root device


Root device - Association Group 1 - Lifeline

  1. INDICATOR_REPORT : LED status

  2. DEVICE_RESET_LOCALLY_NOTIFICATION : triggered upon request

  3. SWITCH_BINARY_REPORT : status change report for output O (O1)

  4. NOTIFICATION_REPORT : triggered on Overheat

  5. NOTIFICATION_REPORT : triggered on Overcurrent detected O (O1)

  6. NOTIFICATION_REPORT : triggered on Overvoltage detected

  7. METER_REPORT : triggered by load power consumption (according to the settings of Parameters from No. 36 to 39)

Root device - Association Group 2 (*not available for Long Range inclusion)

Association Group 2
Allowed nodes: 9
It is assigned to output O (O1) (uses Basic command class).
Triggered by O (O1). Supports the following command classes:

  • BASIC_SET : set On / Off state at the associated device

Disclaimers and Warnings

READ BEFORE USE

This document contains important technical and safety information about the Device, its safe use and installation.

Click to unhide/hide

⚠CAUTION! Connect the Device only to a power grid and appliances that comply with all applicable regulations. A short circuit in the power grid or any appliance connected to the Device can cause fire, property damage, and electric shock. ⚠CAUTION! The Device may be connected to and control only electric circuits and appliances that comply with the applicable standards and safety norms. ⚠CAUTION! Do not connect the Device to appliances that exceed the specified maximum electric load.

⚠CAUTION! Immediately unplug the Device from the power outlet if it emits smoke, makes noise or has an unusual smell. ⚠CAUTION! Connect the Device only in the way shown in these instructions. Any other method could cause damage and/or injury. ⚠CAUTION! The load current circuit has to be secured by a cable protection switch in accordance with EN60898-1 (tripping characteristic B or C, max. 16 A rated current, min. 6 kA interrupting rating, energy limiting class 3).⚠CAUTION! Do not use the Device if it shows any sign of damage or defect. ⚠CAUTION! Do not attempt to service or repair the Device yourself!

⚠CAUTION! Do not allow children to play with the device, especially with the S button. Keep the devices for remote control of Shelly Wave (mobile phones, tablets, PCs) away from children. ⚠CAUTION! Do not use the Device in a damp environment. Do not allow the device to get wet. ⚠CAUTION! Keep the Device away from dirt and moisture.

⚠CAUTION! Do not plug Devices into each other.

⚠CAUTION! Do not plug in any direct plug-in equipment in the Device. Examples of direct plug-in equipment include plug-in transformers, battery rechargers, etc.

⚠CAUTION! Do not operate covered.

⚠WARNING! Do not use the Device to power or control the on/off status of life support equipment.

⚠WARNING! Do not use the Device to operate equipment when inaccurate timing or accidental on/off commands could be dangerous. Examples of such equipment are saunas, sunlamps, electric blankets, etc.

⚠CAUTION! Before cleaning the Device power off the connected appliance by pressing the S button, unplug it and then unplug the Device itself. Never clean the Device, if it is connected to the mains!

⚠CAUTION! Use a wet soft cloth to clean the Device.

⚠CAUTION! Do not use aggressive detergents!

⚠CAUTION! Do not immerse the Device or wash it under running water!

Z-Wave® Important disclaimer

Z-wave® wireless communication may not always be 100% reliable. This Device should not be used in situations in which life and/or valuables are solely dependent on its functioning. If the Device is not recognized by your gateway or appears incorrectly, you may need to change the Device type manually and ensure that your gateway supports Z-wave Plus® multi-channel devices and Z-wave® Long Range capability in case of Long Range devices.

Compatibility

Wave Plug S

functions - reports

Gateway

On/Off

W

kWh

Notes

Home Assistant

(tick)

(tick)

(tick)

Fibaro HC 3 / Z-Wave engine 3

(tick)

(tick)

(tick)

Homey

(tick)

(tick)

(tick)

Homee Cube Gen 7

(tick)

(tick)

(tick)

Homee Cube Gen 5

(tick)

(tick)

(tick)

Smart Things

(tick)

(tick)

(tick)

Cozify

TBD

TBD

TBD

Notes

Function

Meaning / tested

On/Off

if device respond to the app UI On/Off command

SW On/Off

if device reports On/Off changes by SW input

Dimming

if device respond to app UI dimming command

SW Dimming

if device report dimming state change by SW input

Watts

if Watts are reported (unsolicited)

kWh

if kWh are reported (unsolicited)

Up/Down

if device respond to the app UI Up/Down command

SW Up/Down

if device reports Up/Down changes by SW input

Slats

if the slats respond to the app UI command

SW Slats

if the slats report the changes done by SW

D control

detached mode if device reports scene commands single press, double press,…

D Binary

detached mode if the device reports binary On/Off by SW input

Sensor #

Is the sensor report visualized in the gateway, type of sensor in the notes.

 Legend

Symbol

 State

(tick)

Working / Possible

Not Working / Not Possible

P

Partially

N/T

Not Tested

TBD

To be done

Compliance

Shelly Outdoor Plug S Gen3 multilingual EU declaration of conformity 244 2025-12-05.pdf

Declaration of Conformity

Hereby, Shelly Europe Ltd. declares that the radio equipment type Shelly Wave Outdoor Plug S is in compliance with Directive 2014/53/ EU, 2014/35/EU, 2014/30/EU, 2011/65/EU. The full text of the EU declaration of Conformity is available at the following internet address: https://shelly.link/ShellyWaveOutdoorPlugS_LR-DoC

Disposal & Recycling

Do not dispose of the product in household waste. Recycle the product to prevent environmental and health damage and to promote resource conservation. Dispose of the product at an appropriate waste collection point at your own responsibility.

Resellers, from which the Device was purchased are required to accept Waste Electrical and Electronic Equipment (WEEE) free of charge for proper disposal.

Some electronic products may store personal data. The user is responsible for deleting this data before disposing of the Device. For deletion reset the Device to its factory settings.

Troubleshooting

Troubleshooting Guides

Gateway guides

You may find useful guides on gateways in the Z-Wave Z-Wave Gateways

Firmware

Latest firmware updates:

Stay Updated with the Firmware Releases for Shelly Wave Devices

all firmware updates:

GitHub - Shelly Wave FW OTA files

Integration

All shelly devices:

Discover Compatible Gateways for our Devices

Webpages

Product page

https://www.shelly.com/collections/all-products?sort_by=manual&filter.p.m.custom.filter_technology=Z-Wave&filter.v.price.gte=&filter.v.price.lte=

Printed User Guide

Shelly_Wave_Outdoor_Plug_S_EU_LR-16lang-eview.pdf

Shelly_Wave_Outdoor_Plug_S_EU_LR_8lang_V1-print.pdf

Manufacturer

Shelly Europe Ltd.

Address: Shelly Europe ltd, 51 Cherni Vrah Blvd., building 3, floor 2 and 3, Lozenetz Region, Sofia 1407, Republic of Bulgaria
Tel.: +359 2 988 7435
E-mail: zwave-shelly@shelly.cloud

Support: https://support.shelly.cloud/

Web: https://www.shelly.com

Changes in the contact data are published by the Manufacturer at the official website: https://www.shelly.com

Legal Notice

This User Guide is subject to change and improvement without notice. Shelly Wave reserves all rights to revise and update all documentation without any obligation to notify any individual or entity.

JavaScript errors detected

Please note, these errors can depend on your browser setup.

If this problem persists, please contact our support.