Shelly AZ Plug

Device identification
Device name: Shelly AZ Plug
Device model: S3PL-10112EU
Device SSID: ShellyAZPlug-XXXXXXXXXXXX
Device Bluetooth ID: 0x1850
Short description
Shelly AZ Plug (The Device) is a smart plug/outlet with power measurement and overheating protection, which allows remote control of electric appliances through a mobile phone, tablet, PC, or home automation system. It can work standalone in a local Wi-Fi network or it can also be operated through cloud home automation services and Amazon Alexa.
Shelly AZ Plug can be accessed, set up and monitored remotely from any place where the User has internet connectivity, as long as the device is connected to a Wi-Fi router and the Internet.
The Device has an embedded Web Interface which can be used to monitor and control the device, as well as adjust its settings.
Main features
Easy setup with Amazon Alexa
Next-generation Wi-Fi smart plug with multicolor LED indication
BLE gateway
Power metering
Schedules
Wide compatibility with home automation systems
TLS 1.2 security for MQTT and webhooks
Local actions
Shelly Cloud/Shelly Smart Control app support (optional)
Use cases
Use it as color night light:
Night mode with custom settings
When switched on, the Night mode will reduce the brightness of the LED indication of your Shelly Plug during the night hours so that you can have undisturbed night sleep.No more forgotten appliances on:
Monitor and control all plugged-in appliances easily with just a few clicks on your phone. Thanks to its integrated countdown timer and locally stored schedules, Shelly Plug can automatically switch off any forgotten device after an hour to save energy.
Example: Iron, smaller ovens, heating electrical radiatorsAvoid energy waste by automating your electrical appliances:
Automate appliances in the office that are not used at night or over the weekend by simply adding Shelly Plug. Now, you can set smart schedules that will turn off the power to all unused electrical appliances between 7:00 PM and 7:00 AM during the weekdays and between 7:00 PM on Friday and 7:00 AM on Monday. That way, you will cut the energy consumption of these devices in half, which will result in significant optimization of the monthly energy cost.
Example: Using Alexa routines or device schedules, automate water chillers or heaters, small ovens, electrical radiators, IR heatersAir purifier that follows the air conditions:
If you are living in a big city, the air can get pretty polluted, especially during the fall and winter seasons. You can use local data information using Alexa and activate your air purifier at home to turn on.
Mildly dimmed night light for children's comfort:
You can now set the color and the level of glow for your Shelly Plug LED indication and use it as subtle light for the kids' room at night.
Main applications
Residential
MDU (Multi Dwelling Units - apartments, condominiums, hotels, etc.)
Light commercial (small office buildings, small retail/restaurant/gas station, etc.)
Government/municipal
University/college
Integrations
Amazon Alexa supported capabilities
Yes
FFS technology for easy device provisioning
Samsung SmartThings supported capabilities
Yes
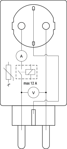
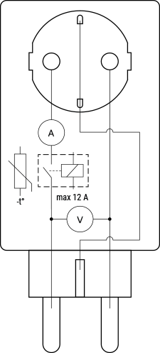
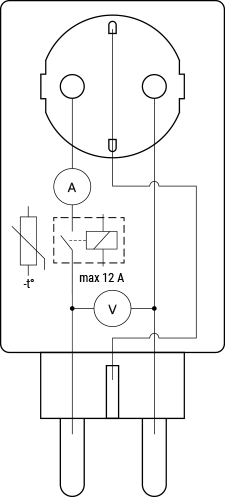
Simplified internal schematics

Device electrical interfaces
Input
1 CEE 7/7 plug
Output
1 CEE 7/3 (Type-F / Schuko) socket
Connectivity
Wi-Fi
Bluetooth
Safety functions
Overheating protection
Overvoltage protection
Overcurrent protection
Overpower protection
Supported load types
Resistive (incandescent bulbs, heating devices)
Capacitive (capacitor banks, electronic equipment, motor start capacitors)
Inductive (LED light drivers, transformers, fans, refrigerators, air-conditioners)
User interface
Inputs
One push button
Press to turn the output On/Off.
Press and hold for 3 sec to check status (Possible only when the output in Off).
Press and hold for 5 sec to reboot (Possible up to 60 sec after plugging in in the Device).
Press and hold for 10 sec to factory reset (Possible up to 60 sec after plugging in in the Device).
Outputs
LED indication
When plugged for the first time:
Blue light flashing, indicating AP mode.
When plugged/powered again after being successfully connected to a Wi-Fi network:
Red light flashing slowly, indicating the the Device is reconnecting to the Wi-Fi network.
Constant red light, indicating that the Device cannot reconnect to the Wi-Fi network.
When output is On:
Power consumption represented by a smooth color change (Default):
Green light at 0% of power limit set
Yellow light at 50% of power limit set
Red light at 100% of power limit set
User can select the brightness (Default brightness - 100%).
Custom color (Default color - Green, Default brightness - 100%)
Off
When output is Off:
Off (Default):
Custom color (Default color - Red, Default brightness - 100%)
When OTA update is in progress:
Red light flashing
Specifications
Quantity | Value |
|---|---|
Physical | |
Size (HxWxD): | 44x44x70 ±0.5 mm / 1.73x1.73x2.75 ±0.02 in |
Weight: | 60 ±1 g / 2.08 ±0.04 oz |
Compatible sockets: | CEE 7/1, CEE 7/3 (Type F / Schuko) or CEE 7/5 (Type E) |
Compatible plugs: | CEE 7/2, CEE 7/4 (Type F / Schuko), CEE 7/7, CEE 7/16 (Type C) or CEE 7/17 |
Shell material: | Plastic |
Shell color: |
|
Environmental | |
Ambient working temperature: | -20 °C to 40 °C / -5 °F to 105 °F |
Humidity: | 30% to 70% RH |
Max. altitude: | 2000 m / 6562 ft |
Glow-wire temperature: | 750 °C |
Pollution degree: | 2 |
Required forced cooling: | No |
Degree of protection | IP 20 |
Electrical | |
Power supply: | 220-230 V~ 50/60 Hz |
Power consumption: | < 1 W |
Rated impulse-withstand voltage: | 2500 V |
Output circuits ratings | |
Max. switching voltage: | 230 V~ |
Max. switching current: | 12 A |
Max. output power: | 2500 W (resistive load only) |
Number of switching cycles: | 10 000 |
Overvoltage category: | II |
Duty-type: | S1 |
Switch type: | One-way |
Switch configuration: | SPNO (Single-Pole, Normally-Open) |
Type of circuit disconnection: | Micro |
Sensors, meters | |
Internal-temperature sensor: | Yes |
Voltmeter (AC): | Yes |
Ammeter (AC): | Yes |
Power and energy meters: | Yes |
Radio | |
Wi-Fi | |
Protocol: | 802.11 b/g/n |
RF band: | 2401-2473 MHz |
Max. RF power: | <10 dBm |
Range: | Up to 50 m / 164 ft outdoors, up to 30 m / 98 ft indoors (depending on local conditions) |
Bluetooth | |
Protocol: | 4.2 |
Bluetooth Range: | Up to 10 m / 33 ft indoors and 30 m / 100 ft outdoors |
RF band: | 2402 - 2480 MHz |
Max. RF power: | < 4 dBm |
Range: | Up to 30 m / 98 ft outdoors, up to 10 m / 33 ft indoors (depending on local conditions) |
Microcontroller unit | |
CPU: | ESP-Shelly-C38F |
Flash: | 8 MB |
Firmware capabilities | |
Webhooks (URL actions): | 20 with 5 URLs per hook |
Scripting: | No |
MQTT: | No |
Components and APIs
Compliance
Shelly AZ Plug multilingual EU declaration of conformity 2025-07-25.pdf
Printed user guide
Shelly AZ Plug multilingual printed user and safety guide.pdf
AZ Plug multilingual printed quick start guide.pdf