Shelly Wave Plug S EU

Device identification
Device: Shelly Wave Plug S
EU Part number/Ordering Code: QNPL-0A112EU
Z-Wave Product type ID: 0x0002
Z-Wave Product ID: 0x0087
Z-Wave Manufacturer: Shelly Europe
Z-Wave Manufacturer ID: 0x0460
Terminology
Short description
The Device is a smart plug/outlet with power measurement and overheating protection, which allows remote control of electrical appliances through a mobile phone, tablet, PC, or home automation system.
Basic functions
Main applications
Residential
MDU (Multi Dwelling Units - apartments, condominiums, hotels, etc.)
Light commercial (small office buildings, small retail/restaurant/gas station, etc.)
Government/municipal
University college
Integrations
Shelly Wave devices are developed on the world's leading technology for smart homes – Z-Wave.
This means Shelly Wave works with all certified gateways supporting Z-Wave communication protocol.
To make sure the functions of Shelly Wave products are supported on your gateway, we are regularly executing compatibility tests of our devices with different Z-Wave gateways.
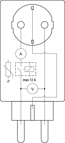
Simplified internal schematics

Device electrical interfaces
Inputs
1 CEE 7/7 plug
Outputs
1 CEE 7/3 (Type-F / Schuko) socket
Connectivity
Z-Wave: Unsecure, S0 Security, S2 Unauthenticated Security, S2 Authenticated Security
Safety features
Supported load types
Resistive (incandescent bulbs, heating devices)
Capacitive (capacitor banks, electronic equipment, motor start capacitors)
Inductive (LED light drivers, transformers, fans, refrigerators, air-conditioners)
User interface
S button and operating modes
Settings mode:
Is required to start the desired procedure, for example: adding (inclusion (*not available for Long Range devices)), removing (exclusion), factory reset, etc. It has a limited operating time. After completing the procedure in Setting mode, the Device automatically switches to Normal mode.
Entering Setting mode:
Press and hold the S button on the Device until the LED turns solid blue.
An additional quick press on the S button changes the menu in an infinite loop.
The Menu LED status has a timeout of 10s before entering again into Normal mode.
S button’s functions
Manually adding the Device to a Z-Wave network (*not available for Long Range inclusion)
Manually removing the Device from a Z-Wave network
Factory Reset the Device
Switch the load On/Off
LED Signalisation
LED blinking modes
Technical Specifications
Power supply | 230 V AC, 50 Hz |
Power consumption | < 0.7 W |
Rated impulse-withstand voltage | 2500 V |
Power measurement [W] | Yes |
Max switching voltage AC | 230 V |
Max switching current AC | 12 A |
Max. output power | 2500 W (resistive load only) |
Number of switching cycles: | 10000 |
Overheating protection | Yes |
Overcurrent protection | Yes |
Overvoltage protection | Yes |
Overvoltage category | II |
Degree of protection | IP 20 |
Distance | up to 40 m indoors (131 ft.) (depends on local condition) |
Z-Wave® repeater: | Yes |
CPU | Z-Wave® S800 |
Z-Wave® frequency band | 868.4 MHz |
Maximum radio frequency power transmitted in frequency band(s) | < 25 mW |
Size (H x W x D) | 44x44x70 ±0.5 mm / 1.73x1.73x2.75 ±0.02 in |
Weight | 60 ±1 g / 2.08 ±0.04 oz |
Compatible sockets | CEE 7/1, CEE 7/3 (Type F / Schuko) or CEE 7/5 (Type E) |
Compatible plugs | CEE 7/2, CEE 7/4 (Type F / Schuko), CEE 7/7, CEE 7/16 (Type C) or CEE 7/17 |
Shell material | Plastic |
Color |
|
Ambient temperature | -20°C to 40°C / -5°F to 105°F |
Humidity | 30% to 70% RH |
Max. altitude | 2000 m / 6562 ft. |
Plug S description

Legend
A: Socket
B: S button
C: Plug
D: LED indication ring
Insert the Device into a power socket without an appliance/load connected to it. Then you can now plug an appliance into the Device socket. To power the appliance on press briefly the S button. The LED will turn green if load is 0W, yellow if load is between >0W and 85% of the max. load and red if load is >85% of the max. load.
About Z-Wave®
Adding and removing the Device to a Z-Wave® network
Security and Device Specific Key (DSK)
Setting Parameters
Command Classes
Notifications Command Class
Associations
Z-Wave® Important disclaimer
Z-Wave® wireless communication may not always be 100% reliable. This Device should not be used in situations in which life and/or valuables are solely dependent on its functioning. If the Device is not recognized by your gateway or appears incorrectly, you may need to change the Device type manually and ensure that your gateway supports Z-Wave Plus® multi-channel devices.
Troubleshooting
For troubleshooting please visit our support portal: Support
Compatibility
Wave Plug S | functions - reports | |||
Gateway | On/Off | W | kWh | Notes |
Home Assistant |
|
|
| |
Fibaro HC 3 / Z-Wave engine 3 |
|
|
| |
Homey |
|
|
| |
Homee Cube Gen 7 |
|
|
| |
Homee Cube Gen 5 |
|
|
| |
Smart Things |
|
|
| |
Cozify | TBD | TBD | TBD | |
Notes | ||||
Function | Meaning / tested |
|---|---|
On/Off | if device respond to the app UI On/Off command |
SW On/Off | if device reports On/Off changes by SW input |
Dimming | if device respond to app UI dimming command |
SW Dimming | if device report dimming state change by SW input |
Watts | if Watts are reported (unsolicited) |
kWh | if kWh are reported (unsolicited) |
Up/Down | if device respond to the app UI Up/Down command |
SW Up/Down | if device reports Up/Down changes by SW input |
Slats | if the slats respond to the app UI command |
SW Slats | if the slats report the changes done by SW |
D control | detached mode if device reports scene commands single press, double press,… |
D Binary | detached mode if the device reports binary On/Off by SW input |
Sensor # | Is the sensor report visualized in the gateway, type of sensor in the notes. |
Legend | ||||
Symbol | State | |||
| Working / Possible | |||
❌ | Not Working / Not Possible | |||
P | Partially | |||
N/T | Not Tested | |||
TBD | To be done | |||
Gateway guides
You may find useful guides on gateways in the Z-Wave Shelly Knowledge base.
Declaration of Conformity
Shelly Wave Plug S multilingual EU declaration of conformity 2025-07-22.pdf
.png?inst-v=06b5d10b-4c62-440c-b00e-d8435d55cc3f)
Disposal & Recycling

This refers to the waste of electrical and electronic equipment. It is applicable in the EU, US and other countries to collect waste separately. This symbol on the product or in the accompanying literature indicates that the product should not be disposed of in the daily waste. Wave Plug S must be recycled to avoid possible damage to the environment or human health from uncontrolled waste disposal and to promote the reuse of materials and resources. It is your responsibility to dispose of the device separately from general household waste when it is already unusable.
Printed User Guide
Shelly_Wave_Plug_S_EU_V2_B2453_Print.pdf
Shelly Wave Plug S Ръководство за употреба и безопасност.pdf
Manufacturer
Shelly Europe Ltd.
Address: Shelly Europe ltd, 51 Cherni Vrah Blvd., building 3, floor 2 and 3, Lozenetz Region, Sofia 1407, Republic of Bulgaria
Tel.: +359 2 988 7435
E-mail: zwave-shelly@shelly.cloud
Support: https://support.shelly.cloud/
Changes in the contact data are published by the Manufacturer at the official website: https://www.shelly.com
Legal Notice
This User Guide is subject to change and improvement without notice. Shelly Wave reserves all rights to revise and update all documentation without any obligation to notify any individual or entity.










