Ogemray 25A relay
Device image(s)

Device identification
Device name: Ogemray 25A Relay
Device model: S3PB-000001
Device SSID: Ogemray25ARelayPbS-XXXXXXXXXXXX
Device Bluetooth ID: 0x1110
Short description
Ogemray 25A Relay is a smart switch with power measurement which allows remote control of high load electric appliances through a mobile phone, tablet, PC, or home automation system. It can work standalone in a local Wi-Fi network or it can also be operated through cloud home automation services.
Ogemray 25A Relay can be accessed, controlled and monitored remotely from any place where the User has internet connectivity, as long as the device is connected to a Wi-Fi router and the Internet.
It can be installed in any old electrical switch wall boxes, on the wall or in electrical fuse box. No rewiring required.
Ogemray 25A Relay has embedded Web Interface which can be used to monitor and control the device, as well as adjust its settings.
Main features
Wi-Fi Connectivity: The device can connect to your home Wi-Fi network, allowing you to remotely monitor humidity and temperature data through a smartphone app or other compatible devices.
Bluetooth Connectivity: Bluetooth and BLE gateway are available for inclusion purposes, which may be useful during the setup process.
Integration with Smart Home Platforms: You can integrate the Ogemray 25A Relay with popular smart home platforms, including Google, Alexa, and Samsung SmartThings. This enables voice control and automation capabilities through these platforms.
Smart Switch with Power Measurement: Acts as a smart switch with the added capability of measuring power consumption, allowing you to monitor the energy usage of connected appliances.
Compact Design: Designed as a small form factor switch, making it suitable for retrofitting into standard electrical wall boxes, behind power sockets, light switches, or other confined spaces.
Remote Control: Enables remote control of electric appliances via a mobile phone, tablet, PC, or home automation system.
Local and Cloud Control: Can function independently in a local Wi-Fi network and can also be operated through cloud home automation services.
Improved Processor: Upgraded with an improved processor and support for Zigbee connectivity.
Remote Access: Allows remote access, control, and monitoring from any location with internet connectivity, provided the device is connected to a Wi-Fi router and the internet.
Embedded Web Interface: Features an embedded web interface for monitoring, control, and adjustment of settings.
Wireless Connectivity: The device supports Wi-Fi (802.11 b/g/n) and Bluetooth 4.2 protocols with specified indoor and outdoor range capabilities.
BLE Gateway: Bridge between your Shelly BLU devices and the wider Shelly ecosystem. It receives Bluetooth signals and sends them to the cloud or locally to another non-bluetooth device.
Wi-Fi Range extender for IoT devices: A Wi-Fi extender is employed to expand the reach of your Wi-Fi network by receiving your current Wi-Fi signal, enhancing its strength, and then transmitting the enhanced signal over a wider area.
Scripting: https://shelly-api-docs.shelly.cloud/gen2/Scripts/ShellyScriptLanguageFeatures/
Wide range of integrations: The device can be integrated with 3rd party home systems, documented HTTP API, MQTT(s), Web Hooks over HTTP and HTTPS, UDP
Schedules: Allows scheduling of complex operations to be executed in predefined time window. Users can specify time windows based on date, time of day, weekdays, hours, minutes and seconds.
Virtual Components: https://shelly-api-docs.shelly.cloud/gen2/DynamicComponents/Virtual/
KNX net/IP support: https://shelly-api-docs.shelly.cloud/gen2/Integrations/KNX/
Wi-Fi Connectivity: The device can connect to your home Wi-Fi network, allowing you to remotely monitor humidity and temperature data through a smartphone app or other compatible devices.
Bluetooth Connectivity: Bluetooth and BLE gateway are available for inclusion purposes, which may be useful during the setup process.
Integration with Smart Home Platforms: You can integrate the Ogemray 25A Relay with popular smart home platforms, including Google, Alexa, and Samsung SmartThings. This enables voice control and automation capabilities through these platforms.
Smart Switch with Power Measurement: Acts as a smart switch with the added capability of measuring power consumption, allowing you to monitor the energy usage of connected appliances.
Compact Design: Designed as a small form factor switch, making it suitable for retrofitting into standard electrical wall boxes, behind power sockets, light switches, or other confined spaces.
Remote Control: Enables remote control of electric appliances via a mobile phone, tablet, PC, or home automation system.
Local and Cloud Control: Can function independently in a local Wi-Fi network and can also be operated through cloud home automation services.
Improved Processor: Upgraded with an improved processor and support for Zigbee connectivity.
Remote Access: Allows remote access, control, and monitoring from any location with internet connectivity, provided the device is connected to a Wi-Fi router and the internet.
Embedded Web Interface: Features an embedded web interface for monitoring, control, and adjustment of settings.
Wireless Connectivity: The device supports Wi-Fi (802.11 b/g/n) and Bluetooth 4.2 protocols with specified indoor and outdoor range capabilities.
BLE Gateway: Bridge between your Shelly BLU devices and the wider Shelly ecosystem. It receives Bluetooth signals and sends them to the cloud or locally to another non-bluetooth device.
Wi-Fi Range extender for IoT devices: A Wi-Fi extender is employed to expand the reach of your Wi-Fi network by receiving your current Wi-Fi signal, enhancing its strength, and then transmitting the enhanced signal over a wider area.
Scripting: https://shelly-api-docs.shelly.cloud/gen2/Scripts/ShellyScriptLanguageFeatures/
Wide range of integrations: The device can be integrated with 3rd party home systems, documented HTTP API, MQTT(s), Web Hooks over HTTP and HTTPS, UDP
Schedules: Allows scheduling of complex operations to be executed in predefined time window. Users can specify time windows based on date, time of day, weekdays, hours, minutes and seconds.
Virtual Components: https://shelly-api-docs.shelly.cloud/gen2/DynamicComponents/Virtual/
KNX net/IP support: https://shelly-api-docs.shelly.cloud/gen2/Integrations/KNX/
Use cases
Appliance Control: Use it to remotely control and automate the operation of various electric appliances such as water heaters, water pumps, lights, fans, or other high load power devices.
Power Monitoring: Monitor the power consumption of connected appliances in real-time. This is useful for understanding energy usage patterns and promoting energy efficiency.
Home Automation: Integrate the Ogemray 25A Relay into your home automation system to create custom scenes and schedules for your devices.
Energy Efficiency: Leverage the power measurement feature to identify energy-hungry appliances and make informed decisions to improve overall energy efficiency in your home.
Remote Monitoring: Keep an eye on your devices even when you're away from home. The remote access feature allows you to monitor and control connected appliances from anywhere with internet connectivity.
Main applications
Residential
MDU (Multi Dwelling Units - apartments, condominiums, hotels, etc.)
Light commercial (small office buildings, small retail/restaurant/gas station, etc.)
Government/municipal
University/college
Farming
Integrations
Amazon Alexa supported capabilities
Yes
Google Smart Home supported traits
Yes
Samsung SmartThings supported capabilities
Yes
Simplified internal schematics

Device electrical interfaces
Inputs
1 switch/button input on screw terminal: S1
1 common switch/button input on screw terminal: COM
3 power supply inputs on screw terminals: 1 N and 1 L
Outputs
1 relay output with power measurement on screw terminal: L1

Relay and connector ratings
Connector ratings
Relay ratings
Connectivity
Wi-Fi
Bluetooth
Protocols
Safety function
Overheating protection
Overvoltage protection
Overcurrent protection
Overpower protection
Supported load types
Resistive (incandescent bulbs, heating appliances)
Capacitive (capacitor banks, electronic equipment, motor starting capacitors)
Inductive with RC Snubber (LED light drivers, transformers, fans, refrigerators, air-conditioners, washing machines, tumble dryers)
User interface
Inputs
One (Control) button
Press and hold for 5 seconds to enable Device access point and Bluetooth connection.
Press and hold for 10 seconds to factory reset the Device.
Outputs
LED (monocolor) indication
AP (Access Point) enabled and Wi-Fi disabled:
1 secondON/ 1 secondOFFWi-Fi enabled, but not connected to a Wi-Fi network:
1 secondON/ 3 secondsOFFConnected to a Wi-Fi network:
ConstantlyONCloud is enabled, but not connected:
1 secondON/5 secondsOFFConnected to Shelly Cloud:
ConstantlyONOTA (Over the Air Update):
½ secON/ ½ secondOFFButton pressed and held for 5 seconds:
½ secondON/ ½ secondOFFButton pressed and held for 10 seconds:
¼ secondON/ ¼ secondOFF
The list above starts with the initial device status and the lowest priority. Every next state cancels the previous one.
Specifications
Quantity | Value |
|---|---|
Physical | |
Size (HxWxD): | 51.4 x 60 x 26.5 mm / 2.03 x 2.36 x 1.04 inch |
Weight: | 82 g / 2.89 oz |
Screw terminals max torque: | 1.2 Nm / 10.6 lbin |
Conductor cross section: | 0.2 to 4 mm2 / 24 to 11 AWG (solid, stranded and bootlace ferrules) |
Conductor stripped length: | 6 to 7 mm / 0.24 to 0.28 in |
Mounting: | On wall, behind old style electrical wall switch consoles, inside electrical fuse boxes |
Shell material: | Plastic |
Shell color: | White |
Terminal Color | N/A |
Environmental | |
Ambient working temperature: | -20 °C to 40 °C / -5 °F to 105 °F |
Humidity: | 30 % to 70 % RH |
Max. altitude: | 2000 m / 6562 ft |
Electrical | |
Power supply: |
|
Power consumption: | < 3 W |
External protection: | Cable protection switch in accordance with EN60898-1 (tripping characteristic B or C, max. 16 A rated current, min. 6 kA interrupting rating, energy limiting class 3) |
Output circuits ratings | |
Max. switching voltage: |
|
Max. switching current: |
|
Sensors, meters | |
Internal-temperature sensor: | Yes |
Voltmeter (AC): | Yes |
Ammeter (AC): | Yes |
Radio | |
Wi-Fi | |
Protocol: | 802.11 b/g/n |
RF band: | 2401 - 2483 МHz |
Max. RF power: | < 20 dBm |
Range: | Up to 30 m / 100 ft indoors and 50 m / 160 ft outdoors |
Bluetooth | |
Protocol: | 4.2 with BLE |
RF band: | 2400 - 2483.5 MHz |
Max. RF power: | < 4 dBm |
Range: | Up to 10 m / 33 ft indoors and 30 m / 100 ft outdoors |
Microcontroller unit | |
CPU: | ESP-Shelly-C38F |
Flash: | 8MB |
Firmware capabilities | |
Schedules: | 20 |
Webhooks (URL actions): | 20 with 5 URLs per hook |
Scripting: | Yes |
MQTT: | Yes |
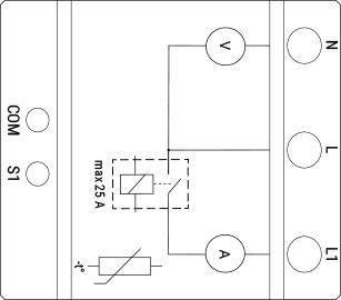
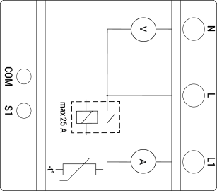
Basic wiring diagrams
![]() |
Legend
Terminals | Wires | ||
|---|---|---|---|
L | Live terminal (110-240 V~) | L | Live wire (110-240 V~) |
N | Neutral terminal | N | Neutral wire |
COM | Switch input common terminal | ||
S1 | Switch (controlling L1) output terminal |
| |
L1 | Load circuit output terminal |
|
|
Troubleshooting
--- DESCRIBE POSSIBLE CAUSES AND THE WAYS TO ALLEVIATE THEM ---
Components and APIs
Compliance and certification
Compliance
Printed user guide
Ogemray 25A Relay multilingual printed user and safety guide.pdf
