Wave Pro 3 (EU)

Device identification
Device: Wave Pro 3 (EU)
EU Part number/Ordering Code: QPSW-0A3X16EU
Z-Wave Product type ID: 0x0002
Z-Wave Product ID: 0x0091
Z-Wave Manufacturer: Shelly Europe
Z-Wave Manufacturer ID: 0x0460
Terminology
Device - In this document, the term “Device” is used to refer to the Shelly Qubino device that is a subject of this guide.
Gateway (GW) - A Z-Wave™ gateway, also referred to as a Z-Wave™ controller, Z-Wave™ main controller, Z-Wave™ primary controller, or Z-Wave™ hub, etc., is a device that serves as a central hub for a Z-Wave™ smart home network. The term “gateway” is used in this document.
S button - The Z-Wave™ Service button, located on Z-Wave™ devices and is used for various functions such as adding (inclusion), removing (exclusion), and resetting the device to its factory default settings. The term "S button" is used in this document.
Adding/Inclusion - The process of adding Z-Wave device to a Z-Wave network - gateway. The words included, added, etc. are used in this regard.
Removing/Exclusion - The process of removing Z-Wave device from a Z-Wave network - gateway. The words excluded, removed, etc. are used in this regard.
Short description
The Device is a DIN rail mountable 3-channel smart switch with potential-free contacts. It controls the on/off function for three independent electrical devices with a load up to 16 A per channel (48 A in total). It is compatible with switches (default) and push-buttons.
Switch/push-button connected to input terminal SW (SW1)
If the SW (SW1) is configured as a switch (default), each toggle of the switch will change the output O (O1) state to the opposite state - on, off, on, etc. If the SW (SW1) is configured as a push-button in the Device settings, each press of the push-button will change the output O (O1) state to the opposite state - on, off, on, etc.
Switch connected to input terminal SW (SW1)
If the SW (SW1) is configured as a switch (default), each toggle of the switch will change the output O (O1) state to the opposite state - on, off, on, etc.
Change switch position once: Change the state of the output O (O1) state to the opposite state and send the command to the associated devices in associated groups 2 and 3 (check chapter Z-Wave Association).
Switch-memory connected to input terminal SW (SW1)
If the SW (SW1) is configured as a switch-memory, than:
Switching to Close switch-memory contact: Change the state of the output state O (O1) to the On state and send command to the associated devices in associated groups 2 and 3 (check chapter Z-Wave Association)
Switching to Open switch-memory contact: Change the state of the output state O (O1) to the Off state and send command to the associated devices in associated groups 2 and 3 (check chapter Z-Wave Association)
Push-button connected to input terminal SW (SW1)
If the SW (SW1) is configured as a push-button in the Device settings, each press of the push-button changes the output state O (O1) to opposite - ON, OFF, ON, etc.
Short press: Change the state of the output state O (O1) to the opposite one and send command to the associated devices in associated groups 2 and 3 (check chapter Z-Wave Association)
Hold: Send command to the associated devices in associated group 3 (check chapter Z-Wave Association)
Release: Send command to the associated devices in associated group 3 (check chapter Z-Wave Association)
Switch/push-button connected to input terminal SW2
If the SW2 is configured as a switch (default), each toggle of the switch will change the output O2 state to the opposite state - on, off, on, etc. If the SW2 is configured as a push-button in the Device settings, each press of the push-button will change the output O2 state to the opposite state - on, off, on, etc.
Switch connected to input terminal SW2
If the SW2 is configured as a switch (default), each toggle of the switch will change the output state O2 to the opposite state - ON, OFF, ON, etc.
Change switch position once: Change the state of the output state O2 to the opposite one and send command to the associated devices in associated groups 4 and 5 (check chapter Z-Wave Association).
Switch-memory connected to input terminal SW2
If the SW2 is configured as a switch-memory, than:
Switching to Close switch-memory contact: Change the state of the output state O2 to the On state and send command to the associated devices in associated groups 4 and 5 (check chapter Z-Wave Association)
Switching to Open switch-memory contact: Change the state of the output state O2 to the Off state and send command to the associated devices in associated groups 4 and 5 (check chapter Z-Wave Association)
Push-button connected to input terminal SW2
If the SW2 is configured as a push-button in the Device settings, each press of the push-button changes the output state O2 to opposite - ON, OFF, ON, etc.
Short press: Change the state of the output state O2 to the opposite one and send command to the associated devices in associated groups 4 and 5 (check chapter Z-Wave Association)
Hold: Send command to the associated devices in associated group 4 (check chapter Z-Wave Association)
Release: Send command to the associated devices in associated group 5 (check chapter Z-Wave Association)
Switch/push-button connected to input terminal SW3
If the SW3 is configured as a switch (default), each toggle of the switch will change the output O3 state to the opposite state - on, off, on, etc. If the SW3 is configured as a push-button in the Device settings, each press of the push-button will change the output O3 state to the opposite state - on, off, on, etc.
Switch connected to input terminal SW3
If the SW3 is configured as a switch (default), each toggle of the switch will change the output state O3 to the opposite state - ON, OFF, ON, etc.
Change switch position once: Change the state of the output state O3 to the opposite one and send command to the associated devices in associated groups 6 and 7 (check chapter Z-Wave Association)
Switch-memory connected to input terminal SW3
If the SW3 is configured as a switch-memory, than:
Switching to Close switch-memory contact: Change the state of the output state O3 to the On state and send command to the associated devices in associated groups 6 and 7 (check chapter Z-Wave Association)
Switching to Open switch-memory contact: Change the state of the output state O3 to the Off state and send command to the associated devices in associated groups 6 and 7 (check chapter Z-Wave Association)
Push-button connected to input terminal SW3
If the SW3 is configured as a push-button in the Device settings, each press of the push-button changes the output state O3 to opposite - ON, OFF, ON, etc.
Short press: Change the state of the output state O3 to the opposite one and send command to the associated devices in associated groups 6 and 7 (check chapter Z-Wave Association)
Hold: Send command to the associated devices in associated group 6 (check chapter Z-Wave Association)
Release: Send command to the associated devices in associated group 7 (check chapter Z-Wave Association)
Main applications
Residential
MDU (Multi Dwelling Units - apartments, condominiums, hotels, etc.)
Light commercial (small office buildings, small retail/restaurant/gas station, etc.)
Government/municipal
University/college
Farming
Integrations
Shelly Qubino Wave devices are developed on the world's leading technology for smart homes – Z-Wave.
This means Shelly Qubino Wave works with all certified gateways supporting Z-Wave communication protocol.
To make sure the functions of Shelly Qubino Wave products are supported on your gateway, we are regularly executing compatibility tests of our devices with different Z-Wave gateways.
Simplified internal schematics

Device electrical interfaces
Inputs
3 switch/push-button inputs on screw terminal
3 potential-free contact relay inputs on screw terminal
2 power supply inputs on screw terminals: N , L
Outputs
3 potential-free contacts relay outputs on screw terminal
Connectivity
Z-Wave - Unsecure, S0 Security, S2 Unauthenticated Security, S2 Authenticated Security
Safety features
Overheat protection
Supported load types
Resistive (incandescent bulbs, heating devices)
Capacitive (capacitor banks, electronic equipment, motor start capacitors)
Inductive with RC Snubber (LED light drivers, transformers, fans, refrigerators, air-conditioners)
User interface
S button and operating modes
Settings mode:
Is required to start the desired procedure, for example: adding (inclusion (*not available for Long Range devices)), removing (exclusion), factory reset, etc. It has a limited operating time. After completing the procedure in Setting mode, the Device automatically switches to Normal mode.
Entering Setting mode:
Press and hold the S button on the Device until the LED turns solid blue.
An additional quick press on the S button changes the menu in an infinite loop.
The Menu LED status has a timeout of 10s before entering again into Normal mode.
S button’s functions
Manually adding the Device to a Z-Wave network (*not available for Long Range inclusion)
Manually removing the Device from a Z-Wave network
Factory Reset the Device
LED Signalisation
LED blinking modes
Specifications
Power supply | 110 - 240 V AC, 50/60 Hz |
Power consumption | < 0.3W |
Power measurement [W] | No |
Max. switching voltage AC | 240 V |
Max. switching current AC | 16 A per channel, 48 A total |
Max. switching voltage DC | 30 V |
Max. switching current DC | 16 A per channel, 48 A total |
Overheating protection | Yes |
Distance | Up to 40 m indoors (131 ft.) (depends on local condition) |
Z-Wave® repeater: | Yes |
CPU | Z-Wave® S800 |
Z-Wave® frequency bands | 868.4 MHz |
Maximum radio frequency power transmitted in frequency band(s) | < 25 mW |
Size (H x W x D) | 96x53x59 ± 0.5 mm / 3.78x2.01x2.32 ± 0.02 in |
Weight | 150 g / 5.29 oz |
Mounting | DIN rail |
Screw terminals max. torque | 0.4 Nm / 3.54 lbin |
Conductor cross section | 0.5 to 2.5 mm² / 20 to 14 AWG (green connector) |
Conductor stripped length | 6 to 7 mm / 0.24 to 0.28 in (green connector) |
Shell material | Plastic |
Color | Black |
Ambient temperature | -20°C to 40°C / -5°F to 105°F |
Humidity | 30% to 70% RH |
Max. altitude | 2000 m / 6562 ft. |
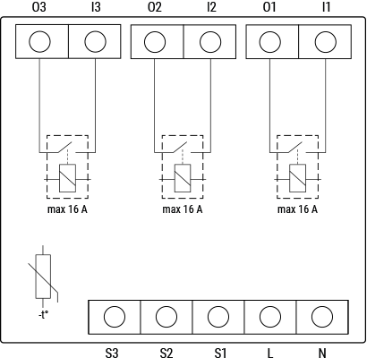
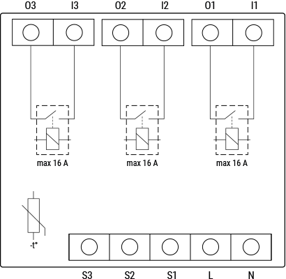
Basic wiring diagram
Fig.1 | Fig.2 |
Fig. 3 | Fig. 4 |
Legend
Device terminals:
N: Neutral terminal
L: Live terminal(s) (110-240 V AC)
SW (SW1): Switch/push-button input terminal (controlling O (O1))
SW2: Switch/push-button input terminal (controlling O2)
SW3: Switch/push-button input terminal (controlling O3)
I1: Load circuit 1 input terminal
I2: Load circuit 2 input terminal
I3: Load circuit 3 input terminal
O (O1): Load circuit (1) output terminal
O2: Load circuit 2 output terminal
O3: Load circuit 3 output terminal
Fig.1 Wires:
N: Neutral wire
L1(A): Load circuit phase 1 live wire (110-240 V AC)
L2(B): Load circuit phase 2 live wire (110-240 V AC)
L3(C): Load circuit phase 3 live wire (110-240 V AC)
NOTE: VLL= 400 V ~
Fig.2 Wires:
N: Neutral wire
L: Load circuit 1 live wire (110-240 V AC)
L: Load circuit 2 live wire (110-240 V AC)
L: Load circuit 3 live wire (110-240 V AC)
Button:S: S button
About Z-Wave®
Adding and removing the Device to a Z-Wave® network
Z-Wave® Security and Device Specific Key (DSK)
Z-Wave® Parameters
Z-Wave® Command Classes
Z-Wave® Notifications Command Class
Z-Wave® Associations
Z-Wave® Important disclaimer
Z-Wave® wireless communication may not always be 100% reliable. This Device should not be used in situations in which life and/or valuables are solely dependent on its functioning. If the Device is not recognized by your gateway or appears incorrectly, you may need to change the Device type manually and ensure that your gateway supports Z-Wave Plus™ multi-level devices.
Troubleshooting
For troubleshooting please visit our support portal: Support
Compatibility
Wave Pro 3 | functions - reports | ||||||
Gateway | On/Off 1 | On/Off 2 | On/Off 3 | SW On/Off 1 | SW On/Off 2 | SW On/Off 3 | Notes |
Home Assistant |
|
|
|
|
|
| |
Fibaro - HC 3 / Wave engine 3 |
|
|
|
|
|
| |
Homey |
|
|
|
|
|
| *H |
Homee Gen 7 |
|
|
|
|
|
| |
Homee Gen 5 | TBD | TBD | TBD | TBD | TBD | TBD | *1, *2 |
Smart Things | TBD | TBD | TBD | TBD | TBD | TBD | |
Vera Ezlo |
|
|
|
|
|
| |
Cozify |
|
|
|
|
|
| |
Notes | *H Troubles with reports can be solved with this solution. | ||||||
Function | Meaning / tested |
|---|---|
On/Off | if device respond to the app UI On/Off command |
SW On/Off | if device reports On/Off changes by SW input |
Dimming | if device respond to app UI dimming command |
SW Dimming | if device report dimming state change by SW input |
Watts | if Watts are reported (unsolicited) |
kWh | if kWh are reported (unsolicited) |
Up/Down | if device respond to the app UI Up/Down command |
SW Up/Down | if device reports Up/Down changes by SW input |
Slats | if the slats respond to the app UI command |
SW Slats | if the slats report the changes done by SW |
D control | detached mode if device reports scene commands single press, double press,… |
D Binary | detached mode if the device reports binary On/Off by SW input |
Sensor # | Is the sensor report visualized in the gateway, type of sensor in the notes. |
Legend | ||||
Symbol | State | |||
| Working / Possible | |||
❌ | Not Working / Not Possible | |||
P | Partially | |||
N/T | Not Tested | |||
TBD | To be done | |||
Gateway guides
You may find useful guides on gateways in the Z-Wave Shelly Knowledge base.
Compliance
Shelly Wave Pro 3 multilingual EU declaration of conformity 2025-07-30.pdf
Wave Pro 3 UK PSTI ACT Statement of compliance.pdf
Printed User Guide
Wave Pro 3 Ръководство за употреба и безопасност.pdf Wave_Pro3_user_guide_multilang_V11_CE cert.pdf




















