Wave Plug US
Note: The product line known as "Shelly Qubino Wave" will now be referred to as "Shelly Wave". This name change will not impact the functionality of any devices. The only modification will be the use of the new name in all future documentation.

Device: Wave Plug US
USA Part number/Ordering Code: QNPL-001X16US
Z-Wave Product type ID: 0x0002
Z-Wave Product ID: 0x0088
Z-Wave Manufacturer: Shelly Europe Ltd.
Z-Wave Manufacturer ID: 0x0460
Terminology
Device - In this document, the term “Device” is used to refer to the Shelly Qubino device that is a subject of this guide.
Gateway - A Z-Wave® gateway, also referred to as a Z-Wave® controller, Z-Wave® main controller, Z-Wave® primary controller, or Z-Wave® hub, etc., is a device that serves as a central hub for a Z-Wave® smart home network. The term “gateway” is used in this document.
S button - The Z-Wave® Service button, located on Z-Wave® devices and is used for various functions such as adding (inclusion), removing (exclusion), and resetting the device to its factory default settings. The term "S button" is used in this document.
Short description
The Wave Plug US (Device) is a smart plug/outlet with power measurement and overheating protection, which allows remote control of electric appliances through a mobile phone, tablet, PC, or home automation system.
Main applications
Residential
MDU (Multi Dwelling Units - apartments, condominiums, hotels, etc.)
Light commercial (small office buildings, small retail/restaurant/gas station, etc.)
Government/municipal
University/college
Integrations
Qubino devices are developed on the world's leading technology for smart homes – Z-Wave.
This means Qubino works with all certified gateways supporting Z-Wave communication protocol.
To make sure the functions of Qubino products are supported on your gateway, we are regularly executing compatibility tests of our devices with different Z-Wave gateways.
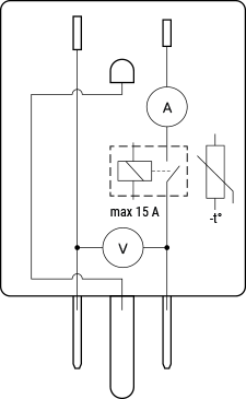
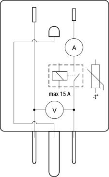
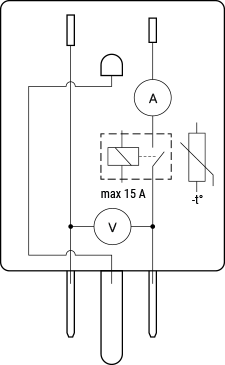
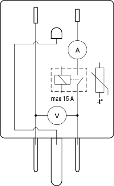
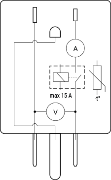
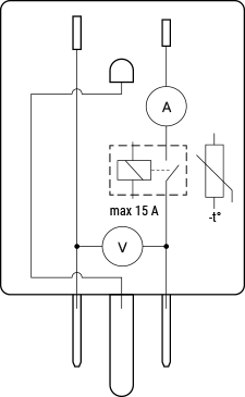
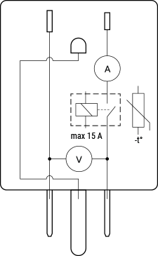
Simplified internal schematics

Device electrical interfaces
Inputs
1 NEMA 5-15 (Type-B) plug
Outputs
1 NEMA 5-15 (Type-B) socket
Connectivity
Z-Wave - Unsecure, S0 Security, S2 Unauthenticated Security, S2 Authenticated Security
Safety features
Overheat protection
switch off its own relay
sends the Notification Report to the Gateway (Overheat detected)
the led lights react as specified above (check blinking mode for Overheat detected)
Any of next activities reset this alarm: power cycle, Remotely Device reboot (by Parameter No. 117), short press on S button.
NOTE: The Overheat protection is always active and cannot be disabled.
Additional description above under chapter Notification for Overheat detected.
Over-current Protection
Device has internal Over-current protection. If the current exceeds 16A+10% (Max switching current +10%) for more than 5s, the Device will:
switch off its own relay
sends the Notification Report to the Gateway (Over-current detected)
the led lights react as specified above (check blinking mode for Over-current detected)
Any of next activities reset this alarm: power cycle, Remotely Device reboot (by Parameter No. 117).
NOTE: The Over-current protection is always active and cannot be disabled.
Additional description above under chapter Notification for Over-current detected.
Over-voltage Protection
Device has internal Over-voltage protection. This is valid for standard power supply voltage 230 V AC. If the voltage exceeds 240 V AC+15% (278 V AC) for more than 5s, the Device will:
switch off its own relay
sends the Notification Report to the Gateway (Over-voltage detected)
the led lights react as specified above (check blinking mode for Over-voltage detected)
Any of next activities reset this alarm: power cycle, Remotely Device reboot (by Parameter No. 117), short press on S button.
NOTE: The Over-current protection is always active and cannot be disabled.
Additional description above under chapter Notification for Over-voltage detected.
Supported load types
Resistive (incandescent bulbs, heating devices)
Capacitive (capacitor banks, electronic equipment, motor start capacitors)
Inductive with RC Snubber (LED light drivers, transformers, fans, refrigerators, air-conditioners)
User interface
S button and operating modes
Normal mode
Setting in progress mode
Setting mode (with S button)
Settings mode is required to start desired procedure for example: adding (inclusion), removing (exclusion), factory reset etc. It has a limited time of operation. After the procedure in Setting mode is concluded, the Device goes automatically into Normal mode.
Entering to Setting mode:
Press and hold the S button on the Device until the LED turns solid blue
An additional press on the S button means menu change in infinite loop
Menu LED status has a timeout of 10s before entering again into Normal state
S button’s functions
Manually adding the Device to a Z-Wave network
Manually removing the Device from a Z-Wave network
Factory Reset the Device
LED Signalisation
Specifications
Power supply | 120 V ±10 %, 60 Hz |
Power consumption | < 0.3 W |
Power measurement [W] | Yes |
Max switching voltage AC | 140 V |
Max switching current AC | 15 A |
Overheating protection | Yes |
Overcurrent protection | Yes |
Overvoltage protection | Yes |
Distance | up to 40 m indoors (131 ft.) |
Z-Wave repeater: | Yes |
CPU | Z-Wave S800 |
Z-Wave frequency band | 908,4 MHz |
Maximum radio frequency power transmitted in frequency bend(s) | < 25 mW |
Size (H x W x D) | 38x84x52 ±0.5 mm / 1.5x3.3x2.0 in ±0.02 in |
Weight | 70 ±1 g / 2.47 ±0.04 oz |
Mounting | Wall socket |
Shell material | Plastic |
Color | White |
Ambient temperature | -20°C to 40°C / -5°F to 105°F |
Humidity | 30% to 70% RH |
Max. altitude | 2000 m / 6562 ft. |
Plug description
![]() | ![]() |
Legend
Letter | |
|---|---|
A | Plug - NEMA 5-15 (Type-B) |
B | S Button |
C | Socket - NEMA 5-15 (Type-B) |
D | LED indication |
About Z-Wave
Adding the Device to a Z-Wave® network (inclusion)
Z-Wave Security and Device Specific Key (DSK)
Z-Wave Parameters
Z-Wave Command Class
Z-Wave Notifications Command Class
Z-Wave Associations
Z-Wave Important disclaimer
Z-Wave® wireless communication may not always be 100% reliable. This Device should not be used in situations in which life and/or valuables are solely dependent on its functioning. If the Device is not recognised by your gateway or appears incorrectly, you may need to change the Device type manually and ensure that your gateway supports Z-Wave Plus™ multi-level devices.
Troubleshooting
For troubleshooting please visit our support portal: Support
Compatibility with gateways
Wave Plug US | functions - reports | |||||
Gateway | On/Off | W | kWh | V | A | Notes |
Home Assistant |
|
|
|
|
| |
Homey |
|
|
| ❌ | ❌ | *1 |
Smart Things |
|
|
| ❌ | ❌ | |
Vera Ezlo |
|
|
|
|
| |
Notes | *1 The gateway does not have a placeholder for the V and A values. | |||||
Function | Meaning / tested |
|---|---|
On/Off | if device respond to the app UI On/Off command |
SW On/Off | if device reports On/Off changes by SW input |
Dimming | if device respond to app UI dimming command |
SW Dimming | if device report dimming state change by SW input |
Watts | if Watts are reported (unsolicited) |
kWh | if kWh are reported (unsolicited) |
Up/Down | if device respond to the app UI Up/Down command |
SW Up/Down | if device reports Up/Down changes by SW input |
Slats | if the slats respond to the app UI command |
SW Slats | if the slats report the changes done by SW |
D control | detached mode if device reports scene commands single press, double press,… |
D Binary | detached mode if the device reports binary On/Off by SW input |
Sensor # | Is the sensor report visualized in the gateway, type of sensor in the notes. |
Legend | ||||
Symbol | State | |||
| Working / Possible | |||
❌ | Not Working / Not Possible | |||
P | Partially | |||
N/T | Not Tested | |||
TBD | To be done | |||
Gateway guides
You may find useful guides on gateways in the Z-Wave Shelly Knowledge base.










