Ръководство за употреба и безопасност (Shelly 2PM Gen4)
Двуканален умен ключ с функция за измерване на мощност
Наричан в този документ "Устройството"
За безопасна и правилна употреба следвайте тези инструкции. Запазете ги за бъдеща справка.
Този знак обозначава информация, свързана с безопасност.
Този знак обозначава важна бележка.
Информация за безопасност
За да избегнете възможна вреда, прочетете и следвайте тези инструкции.
ПРЕДУПРЕЖДЕНИЕ!
Риск от токов удар. Монтажът на Устройството към електрическата мрежа трябва да се извърши внимателно от квалифициран електротехник.
Преди да инсталирате Устройството, изключете прекъсвачите. Използвайте подходящо тестово Устройство, за да се уверите, че няма напрежение върху проводниците, които искате да свържете. Когато сте сигурни, че няма напрежение, продължете с инсталирането.
Преди да правите каквито и да е промени по връзките, уверете се, че на терминалите на Устройството няма напрежение.
ВНИМАНИЕ!
Свързвайте Устройството само към електрическа мрежа и уреди, които отговарят на всички приложими разпоредби. Късо съединение в електрическата мрежа или който и да е уред, свързан към Устройството, може да причини пожар, материални щети и токов удар.
Устройството може да се свързва и да управлява само електрически вериги и уреди, които отговарят на приложимите стандарти и норми за безопасност.
Не свързвайте Устройството към уреди, които превишават посоченото максимално електрическо натоварване.
Свързвайте Устройството само по начина, показан в тези инструкции. Всеки друг метод може да причини повреда и/или нараняване.
Устройството и свързаните към него уреди трябва да бъдат обезопасени с предпазител на кабела в съответствие с EN60898-1 (характеристика на изключване B или C, макс. 16 A номинален ток, мин. 6 kA прекъсваща способност, клас на ограничаване на енергията 3).
Не използвайте Устройството, ако то показва признаци на повреда или дефект.
Не се опитвайте да поправяте Устройството сами.
Устройството е предназначено само за употреба на закрито.
Пазете Устройството от замърсявания и влага.
Не позволявайте на деца да си играят с бутоните/превключвателите, свързани към Устройството. Дръжте устройствата (мобилни телефони, таблети, компютри) за дистанционно управление на Shelly далеч от деца.
Описание на устройството
Shelly 2PM Gen4 е двуканален умен ключ с малък форм-фактор с измерване на мощността и управление на щори. То може да управлява 2 електрически вериги, включително двупосочен променливотоков мотор, моторизирани щори, венециански щори и ролетни щори. Всяка верига може да бъде натоварена с до 10 А (общо 16 А за двете вериги) и консумацията на енергия може да се измерва индивидуално (само за променлив ток). Устройството може да се монтира в стандартни конзолни кутии, зад електрически контакти и ключове за осветление или на други места с ограничено пространство.
Уеб интерфейс
Устройството има вграден уеб интерфейс за наблюдение, управление и настройка. Уеб интерфейсът е достъпен на адрес http://192.168.33.1 при директна връзка към точката за достъп на устройството или на неговия IP адрес при достъп от същата мрежа. За повече информация посетете https://shelly-link/webui-guide.
Фърмуер
Устройството се предлага с фабрично инсталиран фърмуер. Винаги използвайте най-новата версия на фърмуера. Редовно проверявайте за актуализации чрез уеб интерфейса или приложението Shelly Smart Control
API
Устройството може да има достъп и да взаимодейства с други интелигентни устройства или системи за автоматизация, ако те са в една и съща мрежова инфраструктура. Шелли Юръп ЕООД предоставя API за устройствата, тяхната интеграция и облачен контрол. За повече информация посетете https://shelly-api-docs.shelly.cloud .
Инструкции за монтаж
ЗАБЕЛЕЖКА
Препоръчваме използването на масивни едножилни проводници или усукани проводници с накрайници. Изолацията на проводниците трябва да бъде устойчива на висока температура – не по-малко от PVC T105°C (221°F).
Не използвайте бутони или ключове с вградени LED или неонови лампи.
При свързване на проводници към клемите на устройството, спазвайте изискванията за напречно сечение и дължина на оголената част. Не свързвайте няколко проводника към една и съща клема.
От съображения за сигурност, след като успешно свържете устройството към локалната Wi-Fi мрежа, препоръчваме да изключите или защитите с парола неговата Wi-Fi точка за достъп (AP).
За фабрично нулиране натиснете и задръжте бутона Reset/Control за 10 секунди.
За активиране на точката за достъп и Bluetooth задръжте бутона Reset/Control за 5 секунди.
Не използвайте L - клемата на устройството за захранване на други устройства.
Устройството има два режима на работа:
Режим за управление на ключ
Режим за управление на щори
Режим за управление на ключ:
Ако желаете да използвате устройството като ключ за управление на 2 електрически вериги, свържете го, както е описано по-долу.

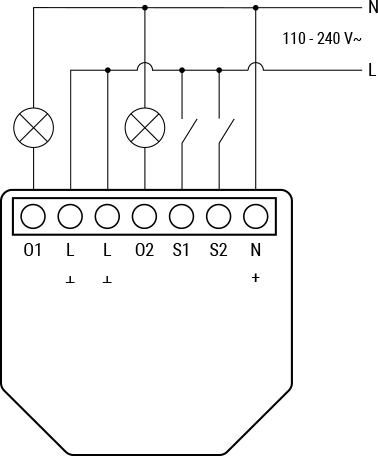
Фиг. 1: Двуканален ключ, захранване 110-240 V~

Фиг. 2. Двуканален ключ, захранване 24-30 V ⎓
Легенда:
Клеми
O1, O2: Изходни клеми на веригата на товара
L: клема на фазата (110-240 VAC)
S1, S2: Входни клеми на ключа
N: Клема на нулата
+: 24V⎓ плюс
Ʇ: 24V⎓ минус
Проводници
L: проводник-фаза (110-240 V~)
N: проводник - нула
+: 24 V⎓ плюс
-: 24 V⎓ маса
За вериги на променлив ток (Фиг. 1):
Свържете двете клеми L към фазата, а клема N към нулата.
Свържете първата верига към клемата O1 и нулата.
Свържете втората верига към клема O2 и нулата.
Свържете първия ключ към клемата S1 и фазата.
Свържете втория ключ към клема S2 и фазата.
За вериги на прав ток (фиг. 2):
Свържете двете клеми Ʇ към минуса.
Свържете клемите + към плюса.
Свържете първата верига към клемата O1 и към плюса.
Свържете втората товарна верига към клемата O2 и плюса.
Свържете първия ключ към клемата S1 и минуса.
Свържете втория ключ към клемата Ʇ и минуса.
Имайте предвид, че измерването на мощността не е налично при захранване с прав ток.
Режим за управление на щори

Като контролер за щори, Shelly 2PM има следните режими на бутоните за управление:
Единичен
Двоен
Изключен
За да използвате устройството в режим на единичен вход, свържете го, както е показано на фиг. 3 б) за вход с бутон или фиг. 3 в) за вход с ключ:
Свържете двата терминала L към фазата, а терминала N към нулата.
Свържете бутона или превключвателя към клемата S1 или S2 и към фазата.
Ако входът е конфигуриран като Бутон в настройките на устройството, всяко натискане на бутона преминава през циклите Отваряне, Спиране, Затваряне, Спиране и т.н.
Ако входът е конфигуриран като Ключ, всяко превключване на превключвателя преминава през циклите Отваряне, Спиране, Затваряне, Спиране и т.н.
В режим на единичен вход Shelly 2PM Gen4 разполага с функцията предпазен ключ. За да я използвате, свържете устройството, както е показано на фиг. 3 г) за вход с бутон или фиг. 3 д) за вход с превключвател:
Свържете двата терминала L към фазата и терминала N към нулата.
Свържете общата клема/проводник на мотора към нулата.
Свържете клемите/проводниците за посоката на движение на мотора към клемите O1 и O2*.
Свържете предпазния ключ към клемата S2 и фазата.
Предпазният ключ може да бъде конфигуриран за:
Спиране на движението, докато предпазният ключ не изключи, или докато не се изпрати команда**. Ако е конфигуриран в настройките на устройството, движението може да се възобнови в обратна посока до достигане на крайно положение.
Спиране и незабавно обръщане на движението в обратна посока до достигане на крайно положение. Тази опция изисква обратното движение да бъде конфигурирано в настройките на устройството.
За да използвате устройството в режим на двоен вход, свържете го, както е показано на фиг. 3 е) за вход с бутон или фиг. 3 ж) за вход с превключвател:
Свържете двата терминала L към фазата, а терминала N към нулата
Свържете общата клема/проводник на мотора към нулата.
Свържете клемите/проводниците за посоката на движение на мотора към клемите O1 и O2*.
Свържете първия бутон/ключ към клемата S1 и фазата.
Свържете втория бутон/ключ към клемата S2 и фазата.
Конфигурация на входа за бутони:
Натискане на бутон, когато щората е статична: Премества щората в съответната посока о достигане на крайна точка.
Натискане на бутон за същата посока, докато щората се движи: Спиране на щората.
Натискане на бутон за противоположната посока, докато щората се движи: Движението на щората в обратна посока се извършва до достигане на крайна точка.
Конфигурация на входа за ключове:
Премества щората в съответната посока до достигане на крайна точка.
Изключване на ключа: Спира движението на щората.
Включени са и двата ключа: Устройството се съобразява с последния включен ключ. Изключването на последния включен ключ спира движението на щората, дори ако другият ключ е все още включен. За да придвижите капака в обратна посока, изключете и включете отново другия ключ.
В режим на двоен вход устройството поддържа Slat control (управление на ламели), което позволява прецизно регулиране на ламелите при венецианските щори. Тази функция има следните настройки:
Време за отваряне - продължителността в секунди за преминаване на ламелите от напълно отворено в напълно затворено положение.
Време за затваряне - продължителността в секунди за преминаване на ламелите от напълно затворено в напълно отворено положение:
По подразбиране: 1,5 секунди
Приемлив диапазон: 0,5-10 секунди
Стъпка - управлява постепенното движение на ламелите в проценти между двете крайни точки:
Напълно затворено положение (0%)
Напълно отворено положение (100%)
Конфигурация на входа за бутони:
Натискане на бутон, когато щората е статична: Премества ламелите в съответната посока с предварително зададената стъпка.
Натискане на бутон за същата посока, докато щората се движи: Спиране на капака.
Натискане на бутон за противоположната посока, докато щората се движи: Обръща движението на щората в обратна посока, докато се достигне крайна точка.
Натискането и задържането на бутона придвижва ламелите и щората в съответната посока до достигане на крайната точка.
Конфигурация на входа за ключове:
Премества ламелите и щората в съответната посока до достигане на крайната точка.
Изключване на ключа: Спира движението на щората.
Включени са и двата ключа: Устройството се съобразява с последния включен ключ. Изключването на последния включен ключ спира движението на капака, дори ако другият ключ е все още включен. За да придвижите капака в обратна посока, изключете и включете отново другия ключ.
В режим Detached (Изключен) устройството може да се управлява само чрез уеб интерфейса и приложението. Бутоните или ключовете, свързани към Устройството, няма да управляват работата на мотора.
За да използвате устройството в режим Detached (Изключен), свържете го, както е показано на фиг. 2 а):
Свържете двата терминала L към проводника под напрежение и терминала N към неутралния проводник.
Свържете общата клема/проводник на двигателя към неутралния проводник.
Свържете клемите/проводниците за посоката на движение на двигателя към клемите O1 и O2*.
Откриване на препятствия
Shelly 2PM Gen4 може да открива препятствия. Ако е налице препятствие, движението на капака спира. Ако е конфигурирано в настройките на устройството, движението променя посоката си, докато се достигне крайната точка. Откриването на препятствия може да бъде включено или изключено за едната или двете посоки.
* Изходите могат да се пренастроят според желаната посока на въртене.
** След задействане на предпазния ключ, командата трябва да е в обратна посока.
Използване на устройството в Shelly Cloud
Устройството може да бъде наблюдавано, управлявано и настройвано чрез нашата услуга за домашна автоматизация Shelly Cloud. Можете да използвате услугата чрез нашето мобилно приложение за Android, iOS или Harmony OS или чрез всеки интернет браузър на адрес https://control.shelly.cloud/ . Ако решите да използвате устройството с приложението и услугата Shelly Cloud, можете да намерите инструкции за свързване на устройството с облака и управлението му от приложението Shelly в ръководството за приложението: https://shelly.link/app-guide . Мобилното приложение Shelly и услугата Shelly Cloud не са предпоставки за правилното функциониране на Устройството. Това Устройство може да се използва самостоятелно или с различни други платформи за домашна автоматизация.
Настройване на устройството чрез Matter
Преди да започнете, уверете се, че имате:
2,4 GHz Wi-Fi мрежа
Съвместим с Matter хъб, свързан към интернет
Мобилно устройство с активиран Bluetooth и инсталирано приложение, съвместимо с Matter
Активирайте точката за достъп на устройството, като натиснете и задържите бутона за нулиране/контрол за 5 секунди.
Сканирайте QR кода на Matter в кутията.
Следвайте инструкциите, които се появяват на екрана, за да завършите процеса.
Добавяне на устройството към Zigbee мрежа
За да превключите устройството от фърмуер Matter (по подразбиране) към Zigbee, натиснете 5 пъти бутона Reset (Нулиране). Устройството остава в режим на сдвояване в продължение на 2 минути и можете да го откриете в платформата си за домашна автоматизация чрез Zigbee Hub. Ако не можете да намерите устройството, натиснете 3 пъти бутона Reset (Нулиране).
За да премахнете Устройството, отидете на неговата страница и го изтрийте от платформата за домашна автоматизация.
В режим Zigbee, точката за достъп (AP) на Устройството не е достъпна по подразбиране. За да я активирате, трябва да задържите бутона Reset (Нулиране) за 5 секунди.
Спецификации
Физически
Размер (ВхШхД): 37x42x16 mm / 1,46x1,65x0,63 in
Тегло: 30 g / 1,06 oz
Максимален въртящ момент на винтовите клеми: 0,4 Nm / 3,5 lbin
Сечение на проводника: 0,2 до 2,5 mm² / 24 до 14 AWG (плътни, многожични и с накрайници)
Дължина на оголения проводник: 6 до 7 mm / 0,24 до 0,28 инча
Монтаж: конзолна кутия
Материал на корпуса: Пластмаса
Цвят на корпуса: черен
Околна среда
Работна температура на околната среда: -20°C до 40°C / -5°F до 105°F
Влажност на въздуха: от 30% до 70% RH
Максимална надморска височина: 2000 m / 6562 ft
Електрически
Захранване:
110-240 V~
24 V ⎓± 10%
Консумация на енергия: < 1. 4 W
Номинални стойности на изходните вериги
Максимално напрежение на превключване:
240 V~
30 V⎓
Максимален ток на превключване:
16 A (240 V~)
10 A (30V )⎓
Максимален ток на превключване за мотори:
3 A при 250 V~ (750 VA)
4,5 A при 120 V~ (540 VA)
Сензори, измервателни уреди
Сензор за вътрешна температура: Да
Волтметър (AC): Да
Амперметър (променлив ток): Да
Функции за безопасност
Защита от прегряване: Да (AC)
Защита от пренапрежение: Да (AC)
Защита от претоварване по ток: Да (AC)
Защита от претоварване: Да
Откриване на препятствия: Да (при режим на щори)
Превключвател за безопасност Да (при режим на щори)
Радио
Wi-Fi
Протокол: 802.11 b/g/n
Радиочестотна лента: 2412 - 2472 МHz
Макс. Радиочестотна мощност: < 20 dBm
Обхват: До 50 м на открито, до 30 м на закрито (в зависимост от местните условия)
Bluetooth
Протокол: 4.2
Радиочестотна лента: 2402 - 2480 MHz
Макс. RF мощност: <4 dBm
Обхват: До 30 м на открито, до 10 м на закрито (в зависимост от местните условия)
Zigbee
Протокол: 802.15.4
Радиочестотни ленти: 2400 до 2483,5 MHz
Макс. Радиочестотна мощност: < 20 dBm
Обхват: До 100 м на закрито и до 300 м на открито (зависи от местните условия)
Микроконтролер
ПРОЦЕСОР: ESP-Shelly-C68F
Флаш памет: 8 MB
Възможности за фърмуер
Графици: 20
Webhooks (действия с URL): 20 с 5 URL адреса на кука
Удължител на обхвата на Wi-Fi: Да
BLE Gateway: Да
Скриптиране: Да
MQTT: Да
Криптиране: Да
Отстраняване на неизправности
В случай че срещнете проблеми с инсталирането или работата на Устройството, проверете неговата база за знания страница: https://shelly.link/2PM_Gen3 .
Декларация за съответствие
С настоящото Шелли Юръп ЕООД декларира, че радиооборудването тип Shelly 2PM Gen4 е в съответствие с Директива 2014/53/ЕС, 2014/35/ЕС, 2014/30/ЕС, 2011/65/ЕС. Пълният текст на ЕС декларацията за съответствие е достъпен на следния интернет адрес: https://shelly.link/2PM_Gen4_DoC.
Изхвърляне и рециклиране
Не изхвърляйте продукта в битови отпадъци. Рециклирайте продукта, за да предотвратите щети на околната среда и здравето и за насърчаване на опазването на ресурсите. Изхвърлете продукта на подходящо място за събиране на отпадъци на ваша отговорност.
Препродавачите, от които е закупено Устройството, са длъжни да приемат отпадъци от електрическо и електронно оборудване (ОЕЕО) безплатно за правилното обезвреждане.
Някои електронни продукти могат да съхраняват лични данни. Потребителят носи отговорност за изтриването на тези данни преди изхвърлянето на Устройството. За изтриване нулирайте устройството до фабричните настройки.
Производител
Шелли Юръп ЕООД
Адрес: бул. Черни връх 51, бул. 3, ет. 2-3, 1407 София, България, Тел. +359 2 988 7435, Електронна поща: support@shelly.cloud, Официален сайт: https://www.shelly.com
Промените в информацията за контакт се публикуват от производителя на официалния уебсайт.
Всички права върху търговската марка Shelly® и други интелектуални права, свързани с това устройство, принадлежат на Shelly Europe Ltd.