Shelly 2.5

Device identification
Device name: Shelly 2.5
Device model: SHSW-25
Device SSID: shellyswitch25-XXXXXX
Short description
Shelly 2.5 is a small form factor 2-channel smart switch with power measurement and cover control, which allows remote control of electric appliances through a mobile phone, tablet, PC, or home automation system. It can work standalone in a local Wi-Fi network or it can also be operated through cloud home automation services.
Shelly 2.5 can be accessed, controlled and monitored remotely from any place where the User has internet connectivity, as long as the device is connected to a Wi-Fi router and the Internet.
It can be retrofitted into standard electrical wall boxes, behind power sockets and light switches or other places with limited space.
Shelly 2.5 has an embedded Web Interface which can be used to monitor and control the device, as well as adjust its settings.
Main applications
Residential
MDU (Multi Dwelling Units - apartments, condominiums, hotels, etc.)
Light commercial (small office buildings, small retail/restaurant/gas station, etc.)
Government/municipal
University/college
Integrations
Google
Samsung SmartThings
Alexa
Simplified internal schematics

Device electrical interfaces
Inputs
2 switch/button input on screw terminal
3 power supply inputs on screw terminals: 1 N and 2 L
Outputs
2 relay outputs with power measurement on screw terminal
Add-on interface
Shelly proprietary serial interface

⚠CAUTION! High voltage on the add-on interface when the Device is powered!
Connectivity
Wi-Fi
Bluetooth (for inclusion purposes)
Safety features
Overheating protection
Overpower protection
Obstacle detection (cover mode)
Safety switch (cover mode)
Supported load types
Resistive (incandescent bulbs, heating devices)
Capacitive (capacitor banks, electronic equipment, motor start capacitors)
Inductive with RC Snubber (LED light drivers, transformers, fans, refrigerators, air-conditioners)
User interface
Inputs
One (Reset) button
Press and hold for 5 seconds to enable Device access point.
Press and hold for 10 seconds to factory reset the Device.
Outputs
LED (Red) indication
AP (Access Point) enabled and Wi-Fi disabled:
1 secondON/ ¼ secondOFFWi-Fi enabled, but not connected to a Wi-Fi network:
2 secondON/ ¼ secondsOFFConnected to a Wi-Fi network:
ConstantlyONCloud enabled, but not connected:
1 secondON/5 secondsOFFConnected to Shelly Cloud:
ConstantlyONOTA (Over the Air Update):
½ secON/ ½ secondOFFButton pressed and held for 5 seconds:
¼ secondON/ ¼ secondOFFButton presses and held for 10 seconds:
⅛ secondON/ ⅛ secondOFF
The list above starts with the initial device status and the lowest priority. Every next state cancels the previous one.
Specifications
Type | Value |
|---|---|
Physical | |
Size (HxWxD): | 36x39x17 ±0.5 mm / 1.42x1.54x0.67 ±0.02 in |
Weight: | |
Mounting: | Wall console |
Screw terminals max torque: | 0.4 Nm / 3.5 lbin |
Conductor cross section: | 0.5 to 1.5 mm² / 20 to 16 AWG |
Conductor stripped length: | 5 to 6 mm / 0.20 to 0.24 in |
Shell material: | Plastic |
Color: | Black |
Environmental | |
Ambient temperature: | -20 °C to 40 °C / -5 °F to 105 °F |
Humidity | 30 % to 70 % RH |
Max. altitude | 2000 m / 6562 ft |
Electrical | |
Power supply: | 110 - 240 VAC / 30 - 50 VDC |
Power consumption: | < 1 W |
Output circuits ratings | |
Max switching voltage AC: | 240 V |
Max switching voltage DC: | 50 V |
Max switching current AC: | 10 A (per channel), 20 A (total) |
Max switching current DC: | 10 A (per channel), 20 A (total) |
Sensors, meters | |
Internal-temperature sensor: | Yes |
Wattmeter (AC) | Yes |
Radio | |
RF band: | 2401 - 2495 MHz |
Max. RF power: | <20 dBm |
Wi-Fi protocol: | 802.11 b/g/n |
Wi-Fi Range: | Up to 30 m / 100 ft indoors and 50 m / 160 ft outdoors |
MCU | |
CPU: | ESP8266 |
Flash: | 2 MB |
Firmware capabilities | |
Schedules: | 20 |
Webhooks (URL actions): | 12 with 5 URLs per hook |
Scripting: | No |
MQTT: | Yes |
CoAP: | Yes |
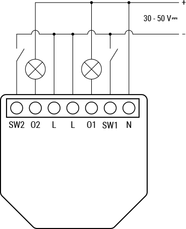
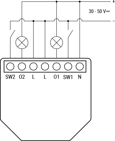
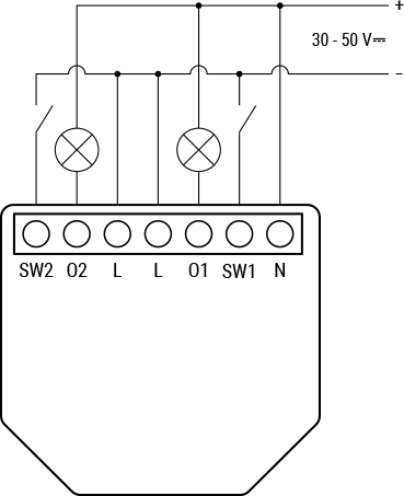
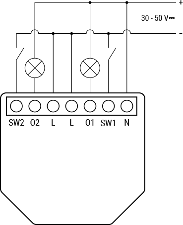
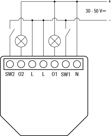
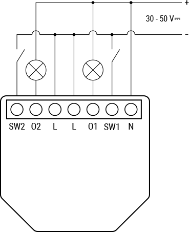
Basic wiring diagram
![]() | ![]() | ![]() |
Legend
Terminals | Wires | ||
|---|---|---|---|
N | Neutral terminal | N | Neutral wire |
L | Live (110-240 V) terminal | L | Live (110 - 240 VAC) wire |
O1, O2 | Load circuit output terminals | + | 30 - 50 VDC positive wire |
SW1, SW2 | Switch input terminals | - | 30 - 50 VDC negative wire |
Troubleshooting
...
Web Interface guide
Read the Shelly 2.5 web interface guide
Components and APIs
Printed User Guide
Download printed user guide - English, Deutsch, Italiano, Español, Português, Français
Compliance
Shelly 2.5 multilingual EU declaration of conformity.pdf
Installation guides
Projects
Home Automation: Roller Shutters, Lights, Scenes
A guide on how to configure and control your roller shutters and ambient of lights, connected to Shelly 2.5, using Amazon Alexa. If you also have a Shelly Door/Window sensor, you can learn how to define a scene to automatically control roller shutters or lights as a function of day time and main door status.
Genius Natural Beer Cooler With Wow Effect Controlled With Shelly Smart Device
Create your very own natural beer cooler easily from drain pipes. The beer will be cooled underneath the earth and with an electrically driven motor it comes up if you want some. The genius beer cooler is controlled by a Shelly wifi switch which can be controlled via Siri or Alexa. Just say: “Siri (or Alexa) bring beer”.
Reviews
We Smart
Shelly 2.5 best way to install
Csongor Varga
Shelly 2.5 – dual channel Wi-Fi relay with roller shutter mode
The Hook Up
Does UL Listing Make Products Safer? Interview with Shelly about UL Certification of the Shelly 2.5


