Shelly 1-Channel Decoupler 120V / Shelly 4-Channel Decoupler 120V
Device image

Device identification
Device name: Shelly 1-Channel Decoupler 120V
Device model: N/A
Device SSID: N/A
Device name: Shelly 4-Channel Decoupler 120V
Device model: N/A
Device SSID: N/A
Short description
Shelly 1-Channel Decoupler 120V / Shelly 4-Channel Decoupler 120V is an electronic component that interconnects two separate electrical circuits (AC to DC) by means of a light sensitive optical interface (an octocoupler). It is designed for use with Shelly Plus Uni, Plus Add-on, Plus RGBW PM and Pro RGBW PM devices and different controllers, such as switches and buttons. It allows for switching DC inputs using AC supply.
Main features
Isolate and control DC loads: Use existing AC for triggering inputs on DC devices. Suitable for retrofits, external/specialized switches.
Use cases
Third-party sensor connectivity: Connect third-party sensors that require/work on/with AC to DC Inputs, for example - PIR, Microwave, Light control, Infrared motion, Hand wave sensors.
Simplified internal schematics

Device electrical interfaces
Shelly 1-Channel Decoupler 120V
Inputs
2 line inputs on cables: 1 L and 1 N
Outputs
2 line outputs on cables: 4 Ʇ and 4 +
Shelly 4-Channel Decoupler 120V
Inputs
2 line inputs on cables: 1 L and 1 N
Outputs
4 line outputs on cables: 4 Ʇ and 4 +
Supported Shelly devices
Shelly Plus RGBW PM
Shelly Plus Add-On
Shelly Plus Uni
Shelly Pro RGBWW PM
Specifications
Physical | |
Size (HxWxD): |
|
Weight: |
|
Shell color: |
|
Cable length: | 80 mm |
Stripped length: | 5 mm |
Wire colors: |
|
Environmental | |
Ambient working temperature: | 0 to 40 °C / 32 to 104°F |
Storage temperature: | -20°C to 40°C / -5°F to 105°F |
Humidity: | 30 % to 70 % RH |
Max. altitude: | 2000 m / 6562 ft |
Electrical | |
Power consumption: | < 0.6 W |
Input: |
|
Max. output current: | 2.4 mA⎓ |
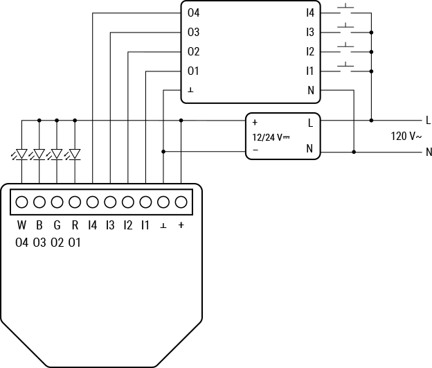
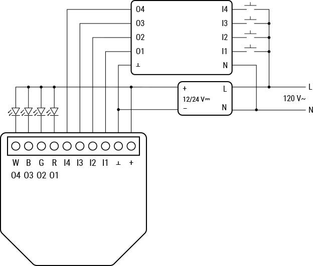
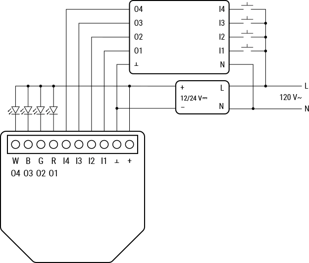
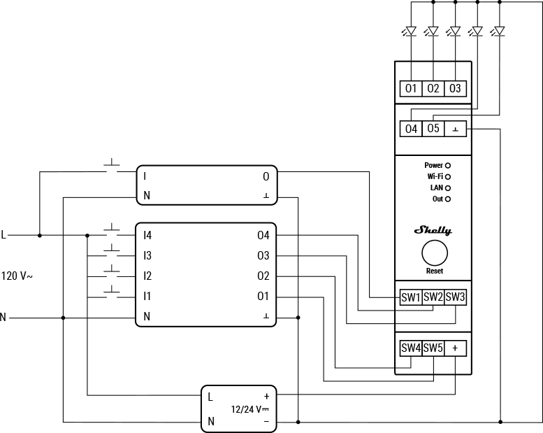
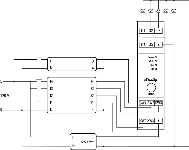
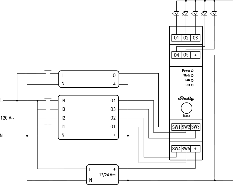
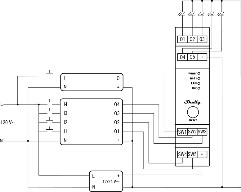
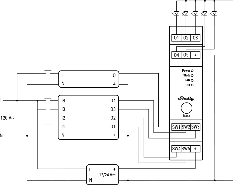
Basic wiring diagrams
![]() |
![]() | ![]() | ![]() |
Terminals | Wires | ||
|---|---|---|---|
Shelly Plus RGBW PM terminals | Shelly 1-Channel Decoupler 120V / 4-Channel Decoupler 120V wires | ||
I1, I2, I3, I4: | Input terminals | I: | AC input wire (Shelly 1-Channel Decoupler 120V) |
⊥: | 12/24 ⎓ ground terminal | I1, I2, I3, I4: | AC input wires (Shelly 4-Channel Decoupler 120V) |
Shelly Plus Add-on terminals | O: | DC output wire (Shelly 1-Channel Decoupler 120V) | |
DIGITAL IN: | Digital input terminal | O1, O2, O3, O4: | DC output wires (Shelly 4-Channel Decoupler 120V) |
GND: | 12/24 ⎓ ground terminal | N: | Neutral wire |
Shelly Plus Uni terminals | Ʇ: | 12/24 ⎓ ground wire | |
IN1, IN2: | Digital input terminals | Power grid wires | |
GND: | 12/24 ⎓ ground terminal | L: | Live wire (120 V~) |
Shelly Pro RGBWW PM terminals | N: | Neutral wire | |
SW1, SW2, SW3, SW4, SW5: | Input terminals | ||
⊥: | 12/24 ⎓ ground terminal | ||
Compliance and certification
Shelly Decoupler multilingual EU declaration of conformity.pdf
Printed user guide
Shelly 1-Channel and 4-Channel Decouplers 120V multilingual printed user and safety guide.pdf



