Smart Modular Energy for Small Households

How Victron, Weidmüller, and Shelly close the energy loop
The Problem We Are Solving
Today, many small households want energy independence, lower electricity bills, backup power during outages, smart control over energy consumption, and modular systems that can grow over time.
However, most systems solve only half of the problem:
Solar + inverter + battery produces and stores energy, while smart relays and automation control appliances.
But very often:
Production and consumption are not connected intelligently. Energy is produced without knowing when to use it. Batteries are charged and discharged without optimization. Loads are not automatically adapted to available power.
The result? Energy is wasted. Batteries cycle unnecessarily. ROI is lower than expected.
The Real Challenge
The real challenge is:
How do we close the loop between smart energy production and smart energy consumption?
This article demonstrates how combining Victron Energy and Shelly Group creates a modular, intelligent energy ecosystem.
Who Is This For? (Persona)
Persona: The Modular Energy Homeowner
Someone who lives in a small house, has (or plans to install) solar, expects between 5 kW and 25 kW peak consumption, and wants a 5 kW inverter plus a 10 kWh battery system as a starting point. They prefer scalable systems, like technical clarity, and want to calculate everything before ordering hardware.
They value transparency, control, expand-ability, real data, smart automation, and efficient energy use. They want to avoid closed black-box systems, vendor lock-in, and over complicated industrial solutions.
Short Resume
In this article we will show how a 5 kW Victron inverter plus a 10 kWh battery system works, how Shelly devices manage and optimize loads, and how both systems communicate. We also include the core sizing calculations (inverter size, battery capacity, cable cross-sections, and protections), plus a practical schematic of the full system and a calculation table you can fill before ordering hardware.
Goal:
Build a closed smart energy loop:
Solar to Battery to Inverter to Smart Loads to Optimization to Back to Battery
System Overview (Concept Level)
Core Components
Inverter / Charger
Example:
Victron MultiPlus-II 48/5000/70
This provides around 5 kW continuous output on a 48 V battery system and can operate in grid-interactive modes (depending on your configuration and local rules).
Battery Storage
Example:
10 kWh Lithium battery (48V system)
This can be a Victron-compatible lithium battery, or a third-party battery with a BMS that is compatible with your chosen integration approach.
Solar MPPT Controller
Example:
Victron SmartSolar MPPT 250/100
Handles PV input and charges battery optimally.
System Brain
Example:
Victron Cerbo GX
This connects to the inverter, MPPT, battery/BMS, energy metering, and remote monitoring.
Smart Load Management
In this design, Shelly is the “smart spending” layer: a Pro EM series meter (or Pro 3EM where appropriate) at the monitoring/control point, Shelly One Plus PM modules for compact load switching with per-load power measurement, optional DIN-rail Pro relays/Pro 4PM in the panel, plus dimmers, RGBW/RGBWW controllers, and smart plugs for appliance-level monitoring (dishwasher, washing machine, fridge). This gives you whole-house import/export and a real consumption profile, plus safe switching of flexible loads (directly or via contactors), and automations driven by PV surplus, battery SOC, time windows, and grid import limits.

Victron installation setup

Weidmuller installation setup
Show the flow from solar panels to MPPT to battery to inverter to AC loads, with an optional grid connection into the inverter. Place Shelly devices on the AC load side for measurement and load control, and put the Cerbo GX in the center as the control/monitoring hub.
How the Smart Loop Works (Conceptual)
Step 1 — Production
Solar panels generate power and the MPPT charges the battery.
Step 2 — Storage
The battery stores energy at 48 V DC.
Step 3 — Conversion
The inverter converts 48 V DC to 230 V AC.
Step 4 — Monitoring
Shelly measures the total house load, individual heavy consumers, and surplus power.
Step 5 — Automation
When:
Battery > 80% AND Solar production > current load
Then:
Shelly can turn on flexible loads such as a water heater, heat pump buffer, EV charging, or a pool pump.
When:
Battery < 30%
Shelly turns OFF non-critical loads.
Now the loop is closed.
Why Victron + Shelly Work Well Together
Victron Strengths
Victron is strong on the production/storage side: open communication (Modbus TCP, MQTT, VRM API), reliable power electronics, modular expansion, and grid support with ESS mode.
Shelly Strengths
Shelly brings affordable distributed smart relays, WiFi and LAN connectivity, MQTT and HTTP control, and high-precision metering.
Together:
Victron provides production, storage, and grid logic, while Shelly adds consumption intelligence.
End of Part 1
Next part we will cover:
technical details of the 5 kW / 10 kWh system, the key calculation formulas, a consumption estimation table, and the sizing formulas for battery capacity and inverter power.
Then after that:
cable sizing calculations, protection calculations, and a full technical schematic.
Before we continue:
Do you want the next part to be:
More technical and calculation-focused
More conceptual explanation
Balanced mix
Tell me and we continue carefully
the battery system is 24V, we use GX module with HDMI display.
Perfect We will now adjust the system to:
24 V battery system, GX module with HDMI touch display, 5 kW inverter class, and 10 kWh storage.
This is Part 2 – Technical Design (24V System)
System Architecture – 24V Version
Because we use a 24V battery, the DC currents become much higher than in a 48V system. This directly affects:
cable sizing, fuse sizing, busbars, and battery configuration.
This is very important.
Core Components (24V Architecture)
Inverter / Charger
Example:
Victron MultiPlus-II 24/5000/120
Specifications:
This is a 24 V battery input unit rated at 5000 VA (around 4 kW continuous real power), with a 120 A charger, and grid-interactive capability depending on configuration.
Warning: Important: At 24V, 5 kW means very high DC current.
Battery Bank – 10 kWh at 24V
Energy formula:
E=V×Ah
To get 10 kWh at 24V:
Ah =10000Wh / 24V => Ah = 416Ah
Ah = 416Ah
So we need approximately:
24V / 400–420Ah battery bank
Example configurations:
You can build this as 2 × 12 V 420 Ah batteries in series, as an 8-cell 3.2 V LiFePO4 series string (24 V nominal), or as a 24 V rack battery module solution.
Solar Charge Controller
Example:
Victron SmartSolar MPPT 150/100
Because:
It is suitable for a 24 V system, offers around 100 A charge capability, and fits a roughly 2.5 to 3 kW PV array in this example.
If more PV is needed, we add second MPPT.
System Brain + Display
Victron Cerbo GX with a Victron GX Touch 50, connected via HDMI.
The GX device:
collects inverter and MPPT data, reads the battery/BMS where integrated, can communicate via Modbus TCP and/or MQTT depending on your stack, allows ESS configuration, and sends data to the VRM portal.
Smart Energy Management
From Shelly:
use a Pro EM series meter at the defined metering point, One Plus PM modules at load control points, optional panel-mounted Pro relays/Pro 4PM, and distributed dimmers, RGBW(RGBWW) controllers, and smart plugs.
The main meter is typically installed in the distribution board; control modules are installed either in the board (DIN rail) or close to the controlled loads.
Show PV to MPPT to DC busbar to battery to DC fuse to MultiPlus-II, and include the key DC safety items (battery main fuse, DC disconnect switch, and shunt if used).
Critical Design Reality: 24V Means High Current
Now we calculate worst case DC current.
Inverter Power:
P = 5000W
DC Current:
I = V*P
I = 5000W / 24V
I = 208A
Warning: That is continuous current at full load.
Including inverter losses (≈93% efficiency):
I = 24×0.935000
I ≈ 224A
So:
The battery and DC cables must safely handle 250A continuous
This is the most important difference between 24V and 48V systems.
Battery Cable Calculation (First Approach)
We calculate cable cross-section based on:
Maximum current
Allowed voltage drop
Cable length
Voltage drop formula:
ΔV = S2 × L × I × ρ
Where:
L is cable length (m), I is current (A), rho is copper resistivity (about 0.0175), and S is cross section (mm2).
We typically allow:
1 - 2% voltage drop on battery cables
For 24V DC:
1% = 0.24V
Let’s assume:
length is 2 meters (battery to inverter, one direction), total loop is 4 meters, and current is 250 A.
Solving roughly:
We need around:
70 mm² to 95 mm² copper cable
Recommended practical choice:
Yes: 95 mm² copper
Yes: Proper crimped lugs
Yes: Class T or Mega fuse rated 300A
PV Array Sizing (Example)
If homeowner wants:
Daily energy need = 15 kWh
Assume:
4 peak sun hours
Required PV:
PV = 15кWh / 4h
PV = 3.75kW
So practical design:
3.5 – 4 kWp solar array
For 24V system:
Better to use higher voltage strings (e.g., 2–3 panels in series) to reduce current into MPPT.

Insert here:
[Screenshot 3 – AC Distribution with Shelly Integration]
Show MultiPlus AC Out to the main distribution, with Shelly Pro 3EM measuring grid and loads, and Shelly Pro 4PM controlling circuits like boiler, heat pump, EV charger, and a spare circuit.
Smart Loop – Now Technically
Victron GX calculates:
Battery SOC, PV power, and grid import/export.
Shelly reads:
real consumption per circuit.
Logic example:
If:
Battery SOC > 85% AND PV power > 2kW Action: Turn ON water heater
If:
Battery SOC < 35% Action: Turn OFF non-critical circuits
This can be done via:
MQTT, Node-RED (running on Cerbo GX), or direct HTTP API calls.
Now we are moving from theory into real automation.
Interim Conclusion (24V Design)
A 24V 5 kW system:
works well for small households, is modular, and can be cost effective, but it requires thick DC cabling and has higher current stress.
For systems closer to 10–25 kW demand, 48V becomes more practical.
Next Part Will Include:
a complete calculation table before ordering, an inverter sizing table, battery autonomy calculation, fuse selection, AC cable sizing formulas, breaker calculations, and a full installation checklist.
Calculation tables (before ordering)
Below is what you (and the reader) calculate before buying hardware, so the system is sized right the first time.
Inputs you decide first (design assumptions)
These are the numbers the homeowner must define:
Peak AC load (kW), daily energy use (kWh/day), backup autonomy (hours), allowed battery DoD (depth of discharge), system voltage (24 V here), and cable lengths (DC battery to inverter, PV to MPPT, and AC runs). Define max voltage drop targets up front as well: DC battery cables typically <= 1 to 2%, PV strings often <= 1 to 3%, and AC circuits often <= 3% for the whole run.
Table 1 — System sizing worksheet (example values included)
Parameter | Symbol / Formula | Example | Notes |
Peak simultaneous load | Ppeak | 5,000 W | what might run at the same time |
Average daily energy | Eday | 12–20 kWh | use smart meter bills or Shelly history |
Inverter continuous power | Pinv ≥ 1.25 x Pcont | ≥ 5 kVA class | headroom for motor starts |
Battery energy nominal | Ebat | 10кWh | given |
Usable battery energy | Euse = Ebat x DoD | 8кWh | if DoD=80% |
Battery capacity at 24V | Ah = Ebat / V | 416 Ah | 10000/2410000/2410000/24 |
Backup at average load | t = Euse / Pavg | 8kWh / 1kW = 8h | choose your PavgP_{avg}Pavg |
PV size (rule of thumb) | Ppv ≈ Eday / PSH x η | 3–5 kWp | PSH=peak sun hours, η\etaη=0.75–0.85 |
How to use this table in the article: Tell the reader to fill the “Example” column with their own numbers.
Core formulas (simple + practical)
Battery capacity (Ah) from kWh
Ah = E(Wh)) / V
For 10 kWh at 24V:
Ah = 10000Wh / 24V => 416Ah
Usable energy (important!)
If battery is LiFePO₄ and you use 80% DoD:
Euse = 10kWh x 0.8 => 8kWh
Inverter sizing
Minimum practical rule:
Pinv ≥ 1.25 x P continuous
Also check surge loads (motors, pumps, compressors). A heat pump or well pump can demand 2–5× its running power for a short time. Victron inverters handle surge well, but size realistically.
PV array sizing from daily kWh
Ppv = Eday / PSH x η
Example:
Eday = 16kWh
PSH = 4h
η = 0.8\eta => 0.8η => 0.8
Ppv = (16 / 4) x 0.8 => 5kWp
This is why many “10 kWh battery” homes end up in the 3.5–6 kWp PV range depending on season and goals.
24V reality check (must include in the article)
DC current at full inverter load
IDC ≈ V x ηinvP
Example:
P = 5000W
V = 24V
ηinv = 0.93
IDC ≈ 24V x 0.935000 => 224A
Design with margin:
Plan for 250A DC continuous capability.
This drives:
the battery/BMS rating, busbar rating, fuse selection, and cable cross-section.
Cable sizing (start here, then we go deeper)
You asked specifically for cables + formulas, so here is the “article-ready” method.
Voltage drop method (best for practical sizing)
Copper cable voltage drop:
ΔV = S2 x L x I x ρ
Where:
LLL is one-way length (m), III is current (A), rho is 0.0175 (ohm*mm2/m) for copper, and SSS is cross-section (mm2).
Rearranged to solve for cable size:
S = ΔV2 x L x I x ρ
Choose allowed drop:
For battery to inverter at 24 V, target <= 1% (0.24 V) if you can. If the distance is longer, you may accept 2% (0.48 V), but try not to.
Example (article example)
Assume:
Inverter DC current design: I=250A
One-way length: L=2m
Allowed drop: ΔV=0.24V (1%)
S = 0.242 x 2 x 250 x 0.0175
Compute numerator: 2 x 2 = 4, 4 x 250=1000, 1000 x 0.0175 = 17.5
S=17.5 / 0.24 = 72.9mm2
So you pick the next standard size up:
95 mm² copper (or 70 mm² if length is shorter and temps are low, but 95 mm² is the safe, common choice).
Fuse quick rule (article-friendly)
You choose the fuse based on:
max continuous current
surge
cable rating
For a 24V / 5kW class inverter system, typical:
Class-T 300A (common in battery inverter systems) or a properly rated MEGA/ANL if your design standards allow it.
(Next part I’ll give a more “standards-aligned” selection approach and where to place each protection.)
Where Shelly fits into the calculation story
Shelly helps you avoid oversizing by giving real data:
For example, a Shelly Pro 3EM can log whole-house consumption peaks, while a Shelly Pro 4PM can measure and switch specific circuits (boiler, EV, heater).
So your article can say:
“Size the inverter and battery from estimates first, then validate and optimize using Shelly measurements after commissioning.”
Mini conclusion for Part 3
Before buying hardware, you calculate:
peak load to select the inverter class, daily kWh and backup hours to size usable battery energy, PV size based on PSH and efficiency, DC current to confirm heavy cabling at 24 V, and cable size using the voltage drop formula.
Protections + AC cable sizing
We’ll keep it practical: what to buy/prepare, where it goes, and how to size cables & protections for a 24V / ≈5kW inverter / ≈10kWh system.
Table 2 — Pre-order checklist (fill-in worksheet)
Block | Item | Typical choice for this system | Your value |
Battery DC | Main battery fuse | Class-T ≈300A (or equivalent) | ____ A |
Battery DC | DC disconnect switch | ≥ 300A DC | ____ |
Battery DC | Busbars | ≥ 300A continuous | ____ |
Battery DC | Battery to Inverter cables | 95 mm² Cu (often) | ____ mm² |
Battery DC | Crimp lugs + heatshrink | sized for cable + studs | ____ |
Battery DC | Shunt (if used) | 500A/50mV class (typ.) | ____ |
Inverter | Inverter/charger | 24V, 5kVA class | model: ____ |
Solar | MPPT controller(s) | sized to PV + battery current | ____ |
Solar | PV string fuses/isolator | per string current + standard | ____ |
Solar | Weidmuller PV Next SPD | mounted between PV string and MPPT input | ____ |
AC Safety | Main RCD/RCBO strategy | per local code | ____ |
AC Safety | AC breakers (MCB/RCBO) | per circuit load & cable | ____ |
AC Safety | Surge protection (SPD) | Type 2 (typ.) | ____ |
Metering | Shelly Pro 3EM | whole-house import/export | yes/no |
Load control | Shelly Pro 4PM/relays/contactors | boilers/EV/heater control | qty ____ |
Monitoring | GX + HDMI display | Cerbo GX + GX Touch | yes/no |
Protection design (DC side) — where each part goes
DC side “must-have” order (battery to inverter)
Battery (+) to Main Fuse to DC Disconnect to Busbar to Inverter (+) Battery (–) to (Shunt if used) to Busbar to Inverter (–)
Why this order:
The fuse protects cable and equipment from catastrophic short circuits, the disconnect lets you safely service the system, the busbar keeps wiring clean and expandable, and the shunt measures battery current accurately (if you use one).
How to size the main DC fuse (simple engineering rule)
Estimate max continuous DC current (from Part 3): ≈250A design
Select fuse so it:
allows normal operation (no nuisance trips)
protects the cable (fuse ≤ cable allowable current)
Practical rule for this system:
If your design current is ≈250A, a common choice is 300A Class-T (or equivalent high-interrupt DC fuse).
The fuse is chosen to protect the cable first, not the inverter.
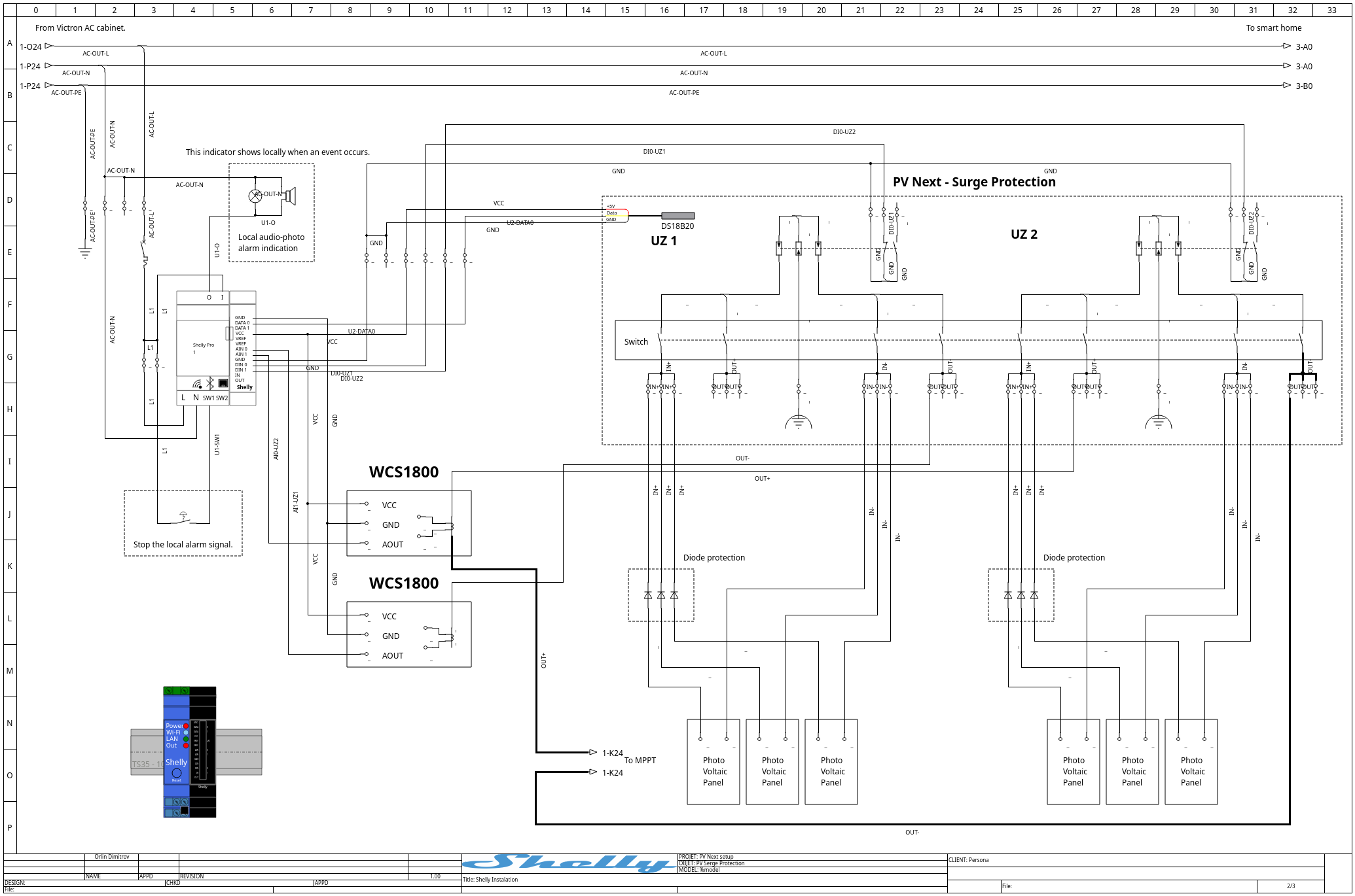
PV-side surge protection (Weidmuller PV Next)
Add a dedicated PV SPD stage between the PV panels and the Victron MPPT PV input.
Recommended connection order:
PV string (+/–) to Weidmuller PV Next SPD to PV DC isolator (if separate) to MPPT PV input (+/–)
Installation notes for the article:
Use a PV-rated Weidmuller PV Next SPD suitable for the string Voc and system type.
Connect the SPD earth/PE terminal with the shortest practical conductor to the main earth bar.
Mount the SPD close to the MPPT input side to limit surge energy reaching the controller.
How this protection works in this setup:
During normal operation, the SPD is effectively passive and does not affect the MPPT charging behavior. If a transient overvoltage appears on the PV cable (for example from nearby lightning or switching events), the SPD changes to a low-impedance path for a very short time and diverts surge energy from PV+ and PV- to PE/earth. This clamps the voltage seen at the MPPT input to a safer level, so the controller electronics are less likely to be overstressed. After the transient ends, the SPD returns to high impedance and normal PV operation continues.
AC side protection strategy (typical household approach)
On AC you usually have:
grid input (if connected), inverter AC output to loads, and load circuits (lighting, sockets, boiler, etc.).
Typical protective elements
Typical protective elements include a main breaker (system isolation), RCD/RCBO (residual current protection), MCBs (overcurrent protection per circuit), and an SPD Type 2 (surge protection in the distribution board).
Exact RCD/earthing bonding can vary by country and whether you use Victron ESS / backup topology. In the article, phrase it as: “Follow local electrical code; below is a typical layout.”
AC cable sizing (easy method your readers can follow)
You asked for formulas, so here’s a clean step-by-step that works well in practice.
Step A — Determine current
Single-phase current:
I = P x V
Examples (230V):
2,000W heater to I = 2000 / 230 = 8.7A
3,000W boiler to I = 3000 / 230 = 13.0A
5,000W max inverter output to I = 5000 / 230 = 21.7A
Step B — Choose breaker (MCB/RCBO)
Breaker should be ≥ normal current but sized to cable:
10A, 16A, 20A, 25A are common steps.
Example:
Boiler ≈13A ⇒ typically 16A breaker (if cable supports it)
Step C — Choose cable cross-section (rule-of-thumb + voltage drop check)
Practical household starting points (copper, typical installation)
As a practical starting point (copper, typical installation): lighting is often 1.5 mm2 (10 A), sockets are often 2.5 mm2 (16 A), boiler/heater is often 2.5 to 4 mm2 (16 to 20 A), and the inverter feed/sub-board is commonly 4 to 6 mm2 depending on length and breaker.
Then you verify with voltage drop.
Step D — Voltage drop check (AC)
Use:
ΔV = 2 x L x I x Rm
Where:
L = one-way length (m)
I = current (A)
Rm = cable resistance (Ω/m) for the chosen cross-section
Target: typically keep ≤ 3% of 230V:
ΔVmax = 0.03 x 230 => 6.9V
If you don’t want to publish resistance tables in the article, you can do a simpler “engineering” approach:
Simple article-friendly rule
If run is < 20m, 2.5 mm² usually fine for 16A loads
If run is 20–40m, consider 4 mm² for 16–20A loads
For longer runs, calculate voltage drop or step up one size
Run length | 10A load | 16A load | 20A load |
|---|---|---|---|
0–20 m | 1.5 mm² | 2.5 mm² | 2.5 mm² |
20–40 m | 2.5 mm² | 4 mm² | 4 mm² |
40–60 m | 2.5–4 mm² | 6 mm² | 6 mm² |
60 m+ | 4 mm² | Calculate / step up | Calculate / step up |
Controlled loads (Shelly) — how to size switching hardware safely
Important point for the article:
Many big loads should not be switched directly by a small relay.
Rule:
If load is resistive and within device rating: Shelly relay may switch directly.
If load is high power, inductive, or frequent switching: use contactor.
Best practice example
Shelly Pro 4PM output to controls contactor coil
Contactor switches the heavy load circuit (boiler / EV charger input, or use a Shelly smart single-phase EV charger directly)
This protects the Shelly device and improves safety.
Mini conclusion
Now the reader can:
build a BOM checklist, place DC protections correctly, size AC breakers and cables with a repeatable method, and integrate Shelly safely using contactors where needed.
Full worked example
We’ll do one complete example the reader can copy, then you can swap in real numbers.
Example household profile (the scenario)
Goal: close the smart loop: PV to battery to inverter to smart loads to optimization.
Assume:
an inverter class of 5 kVA (about 4 to 5 kW depending on model and PF), a 24 V 10 kWh nominal battery, daily energy use of 16 kWh/day, peak simultaneous load of 4.5 to 5 kW, LiFePO4 chemistry with 80% DoD, peak sun hours (PSH) of 4 h (example), and an overall system efficiency factor of eta = 0.8 as a typical PV-to-AC planning value.
Battery sizing check (10kWh @ 24V)
Convert kWh to Ah
Ah = V x E(Wh)
Ah = 10000 / 24 => 416Ah
So the battery bank target is roughly:
24V / 400–420Ah
Usable energy
Euse = Ebat x DoD => 10kWh x 0.8 => 8kWh
Backup runtime estimate
We estimate average power during backup. Many homes have:
base load at night: 300–800W
with fridge + network + lights etc.
Let’s choose 1kW average for a conservative backup scenario:
t = Euse / Pavg => 8kWh / 1kW => 8h
So you can state in the article:
“A 10kWh / 24V battery (80% usable) gives about 8 hours at ≈1kW average load, or 4 hours at ≈2kW average load.”
Inverter DC current (the key 24V constraint)
Assume AC load close to 5kW.
IDC ≈ P / V x ηinv
Using P = 5000W, V = 24V, ηinv = 0.93:
IDC ≈ 5000 / (24 x 0.93) => 224A
Design margin:
Plan DC cables + fuse + busbar for ≈250A continuous
DC cable calculation (battery to inverter)
Use the voltage-drop based sizing:
S=2 x L x I x ρΔV
Assume:
one-way length L = 2 m, current I = 250 A, copper rho = 0.0175, and allowed drop delta V = 0.24 V (1% of 24 V).
Compute:
2L = 4, 4250 = 1000, and 1000*0.0175 = 17.5.
S = 17.50 x 24 = 72.9mm2
Choose next standard size up:
95 mm² copper (common robust choice)
If the run is shorter (1m one-way), 70mm² may work, but for an article that must be safe and repeatable, 95mm² is a good recommended baseline for 24V/5kW.
Main DC fuse selection (worked example)
We have design DC current ≈250A. We want a fuse that:
doesn’t nuisance trip at normal peaks
can safely interrupt high DC fault currents
still protects the cable
Typical choice for this class:
Class-T 300A main battery fuse (or equivalent DC-rated high interrupt fuse)
Also include:
a DC disconnect switch rated at least 300 A DC and a busbar rated at least 300 A continuous.
Battery 24 V 420 Ah; Class-T fuse 300 A; DC switch 300 A; 95 mm2 cables; 300 A busbar; inverter/charger.
PV sizing for 16kWh/day (worked example)
Use:
Ppv= Eday / (PSH x η)
Assume:
Eday = 16kWh
PSH = 4h
η = 0.8
Ppv = 16kWh / (4h x 0.8η) => 5kWp
Interpretation for the article:
If you want to cover most of a 16kWh/day lifestyle with good automation, plan ≈5kWp PV (in this example climate).
If the household is fine with more grid support, 3.5–4kWp can still work, but battery will cycle deeper.

AC side sizing example (inverter output & main feed)
Max AC current at 5kW:
IAC = 5000 / 230 => 21.7A
Typical practical decisions:
Inverter output feed breaker: often 25A (depends on topology and local code)
Cable from inverter to distribution board: commonly 4–6 mm² Cu, depending on length and installation method
Article-safe guidance:
“Select AC cable size and breaker according to local code and installation conditions; as a planning baseline, design the inverter AC feed for ≈22A continuous.”
Smart load strategy (closing the loop)
Here’s a clean “automation block” you can put directly in the article.
Priority loads (example)
Must run: fridge, lights, network, sockets
Flexible loads: boiler, buffer tank heater, EV charging, dehumidifier
Nice-to-have: pool pump, workshop tools (manual use)
Control signals
From Victron GX:
Battery SOC %, PV power, grid import/export (if measured), and inverter load.
From Shelly:
Total house load (3EM), individual circuit consumption (4PM), and switching via relay/contactor.
Example logic (simple + effective)
A simple control rule set can look like this: if SOC is above 85% and PV surplus is above 1.5 kW, turn on the boiler. If SOC drops below 40% (or grid import exceeds X W), turn the boiler off. If PV surplus exceeds 2.5 kW during daytime hours, enable EV charging (limited).
10) Schematic blueprint (what you will draw)
Use this as the exact “map” for your diagram(s):
Diagram 1 — High-level block diagram
Draw the flow as PV array to Victron MPPT to 24 V battery, then 24 V battery to Victron inverter/charger to the AC loads panel, with optional grid to the inverter AC-in. Show the Cerbo GX plus HDMI display connected to inverter, MPPT, and battery/BMS (if present). On the AC side, place a Shelly Pro 3EM at the metering point to measure grid/house flow, and use Shelly relays/contactors to switch flexible loads.
Diagram 2 — DC wiring single-line (detailed)
Use a single-line DC drawing: battery (+) to Class-T fuse to DC switch to busbar to inverter (+), and battery (–) through an optional shunt to busbar to inverter (–). If used, show the MPPT connected to the busbar with its own protection/disconnect. Label cable sizes, fuse ratings, and busbar rating.
Diagram 3 — AC distribution & Shelly placement
For the AC diagram, show inverter AC-out to the main distribution board. Place the Shelly Pro 3EM CTs on the main lines (or at your defined metering point). Show Shelly control channels driving contactor coils for boiler/EV/heater circuits (or include a Shelly smart single-phase EV charger as a managed load). Label which circuits are flexible loads.
Conclusion for Part 5
This worked example shows how to:
validate that 10 kWh at 24 V is about 416 Ah, predict backup runtime from usable energy (DoD), compute DC current and why cabling is heavy at 24 V, size DC cables with a clear voltage drop formula, size PV from daily kWh, PSH, and efficiency, and close the loop using Shelly-controlled flexible loads.
Next Part (Part 6)
I’ll write the final “technical details section” + conclusion in a polished article style, plus:
a compact copy/paste calculation table (all formulas in one place) and a common mistakes section (24 V pitfalls, grounding, relay vs contactor).
Part 6 — Polished “Technical Details” section + final conclusion + one-page formulas table + common mistakes
You can paste this directly into the article and then drop in your screenshots/schematics where marked.
Technical Details (24V / ≈5kW inverter / ≈10kWh battery)
System goal: a closed smart energy loop
This system is designed to produce, store, and spend energy intelligently:
Victron manages power conversion, charging, battery state of charge (SOC), and system stability.
Shelly measures real consumption and automatically switches flexible loads to use surplus energy.
The result is a modular energy ecosystem that:
reduces wasted solar energy, reduces unnecessary battery cycling, shifts consumption to the best moments (sun plus high SOC), and keeps the system expandable over time.
Core hardware blocks (what each does)
24V Battery (10kWh nominal)
This provides energy storage and short-term high power delivery. With LiFePO4, plan around 80% usable energy to preserve lifetime.
Key planning numbers:
10kWh at 24V ≈ 416Ah
Usable at 80% DoD ≈ 8kWh
Inverter/Charger (≈5kVA class)
Converts 24V DC to 230V AC to run household loads.
Charges the battery from grid (if used) and manages transfer.
Important design fact for 24V: DC current is high. At ≈5kW output the battery side current is typically around 220–250A depending on efficiency.
This is why DC wiring must be:
short
thick
well protected
Solar MPPT charge controller(s)
Converts PV power into battery charging current.
Your PV size depends mainly on daily kWh needs and sun hours.
Planning rule:
Ppv = Eday / (PSH x η)
GX system with HDMI display (the “glass cockpit”)
A GX device with HDMI display is the operator interface:
shows SOC, PV, load, battery current
allows configuration and monitoring
can be the automation “hub” (if you run logic via integrations)
Shelly integration (the “smart spending layer”)
Main metering at the control point (Shelly Pro EM series / Pro 3EM)
Place a Shelly Pro EM series meter (or Shelly Pro 3EM when appropriate) at the defined monitoring/control point. This becomes the single source of truth for whole-house power flow (import, export, and total consumption profile). Use this data during commissioning to prove peak load and later to tune automation thresholds.
Flexible load control (Shelly One Plus PM / Pro 4PM, plus contactors where needed)
Use Shelly One Plus PM form factor modules for compact load control points (and per-load power metering). Use Shelly Pro 4PM (or other Pro relay modules) when you prefer DIN-rail mounting and multiple channels in the panel. For large or inductive loads, Shelly should drive a contactor coil while the contactor switches the power.
Typical flexible loads:
Typical flexible loads include a water heater/boiler, buffer tank heater, EV charging (via a Shelly smart single-phase EV charger or an EV charger enable contactor), a dehumidifier, and a pool pump (if applicable).
Lighting as a controllable load (smart dimmers and RGBW/RGBWW controllers)
Smart dimmers make lighting both comfortable and controllable (schedules, occupancy, eco-mode scenes). RGBW/RGBWW LED controllers let you treat lighting as a managed load: reduce brightness when on battery and restore it when PV is strong.
Appliance-level monitoring (smart plugs)
Smart plugs provide real, measured profiles for machines that people underestimate. Typical targets include dishwasher, washing machine, fridge, network rack, and a workstation corner. This helps you separate always-on base load from truly flexible loads.
How GX talks to Shelly (direct LAN integration)
If the GX and Shelly devices share the same LAN, the GX can integrate directly with Shelly for both monitoring and control.
Common patterns:
Read Shelly power/energy data as an input signal (whole-house meter and per-load modules).
Switch loads based on GX signals like battery SOC, PV power, inverter load, and grid import/export.
Keep the control local-first so automation keeps working even if the internet is down.
One-page calculation table (formulas to include in the article)
Table 3 — Formulas & planning calculations
What you calculate | Formula | Notes |
Battery capacity (Ah) from energy | Ah = E(Wh)/V | 10kWh @ 24V to 416Ah |
Usable battery energy | Euse = Ebat x DoD | LiFePO₄ often 0.8 planning |
Backup runtime | t = Euse / Pavg | in hours if kWh/kW |
Inverter DC current | IDC ≈ V x ηinvP | use ηinv\eta_{inv}ηinv ≈ 0.9–0.95 |
PV size estimate | Ppv = Eday / (PSH x η) | η\etaη planning 0.75–0.85 |
AC current (single-phase) | IAC = P / 230V | e.g., 5kW to 21.7A |
DC cable sizing (voltage drop) | S=2 x L x I x ρΔV | ρ\rhoρ=0.0175 for Cu |
Voltage drop target (DC 24V) | ΔV ≤ 1% x 24V => 0.24V | 1–2% typical target |
Voltage drop target (AC 230V) | ΔV≤3% x 230V => 6.9V | typical planning target |
Common mistakes (very useful section for readers)
Underestimating current in 24V systems
At 24V, power means high current:
5kW to ≈220 ~ 250A DC This requires:
thick cables (often ≈95mm²)
strong busbars
correct fusing
Long battery cable runs
Keep battery-to-inverter cables as short as possible. Long runs increase:
voltage drop
heating
inverter undervoltage events
Wrong fuse type (DC interrupt capability)
DC faults are more difficult to interrupt than AC. Use proper DC-rated fuses with adequate interrupt rating (Class-T is common in battery inverter systems).
Switching high loads directly with small relays
For large loads:
Shelly should drive a contactor coil
contactor switches the heavy power
This improves safety and device lifespan.
No measurement point to no optimization
Without metering (Shelly 3EM or equivalent), automation becomes guessing. With metering, you can:
prove peak load
tune thresholds
reduce grid import
Final conclusion (article conclusion)
A modular household energy system must solve two linked problems:
Smart production and storage (Victron)
Smart spending and control (Shelly)
A 24V / ≈5kW inverter with ≈10kWh storage is a strong starting point for small households because it:
provides real backup capability, supports meaningful self-consumption, and can be expanded with additional PV, MPPTs, or controlled loads.
The key success factor is closing the loop:
measure production and consumption continuously, automate flexible loads when PV is available and SOC is healthy, protect the system correctly (especially DC at 24 V), and size cables and breakers with repeatable calculations.